Will not start

2017 FIAT 500X
100,000 MILES • 2.8L • V6 • 4WD • AUTOMATIC
Avatar
RACHEL HYLAND
  • MEMBER
  • 1 POST
Press the button and brake. Car not recognizing keys and will not start.
May 26, 2018 at 1:06 AM
Advertisement
Avatar
STRAILER
  • CERTIFIED EXPERT
  • 53,854 POSTS
Hello,

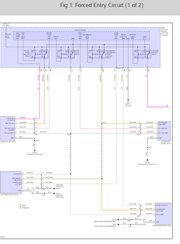
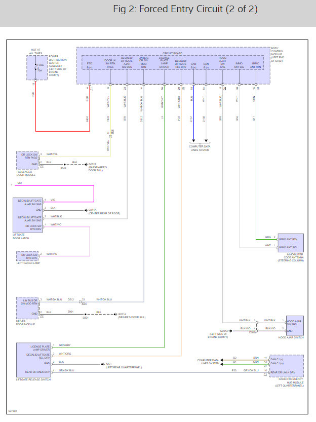
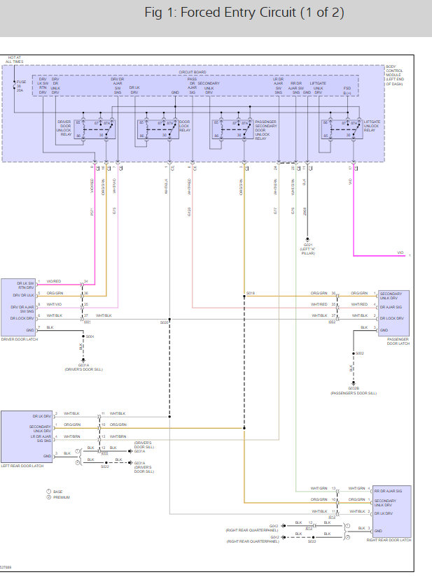
It sounds like the security system has lost its confirmation is the security light flashing? I would start by checking the fuses. Here is a guide and the fuse panel location and identification:

https://www.2carpros.com/articles/how-to-check-a-car-fuse

Here are the fuse panels and the security system wiring so you can see how the system works.

Check out the diagrams (below). Please let us know what happens.

Cheers, Ken
May 27, 2018 at 1:07 PM