☰
Login
Join
×
Home
Answered Questions
Repair Topics
Repair & Service Guides
Popular Questions
Warning Lights
Trouble Codes
How It Works
Testing / Diagnostics
Symptoms
Videos
Login
Become a Member
Home
Ford
Ranger
Electrical
Battery
Drain
Battery goes dead
1994 FORD RANGER
20,000 MILES • 0.6L • 4 CYL • 2WD • MANUAL
LAURA HUMMEL-GREENO
MEMBER
4 POSTS
FOLLOW
I have replaced the battery, alternator,ign control module and it still won't hold a charge. What could I look at next?
Apr 7, 2019 at 9:02 AM
Advertisement
SEVAG P
CERTIFIED EXPERT
405 POSTS
hello thanks for using 2CarPros.
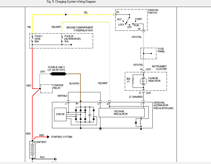
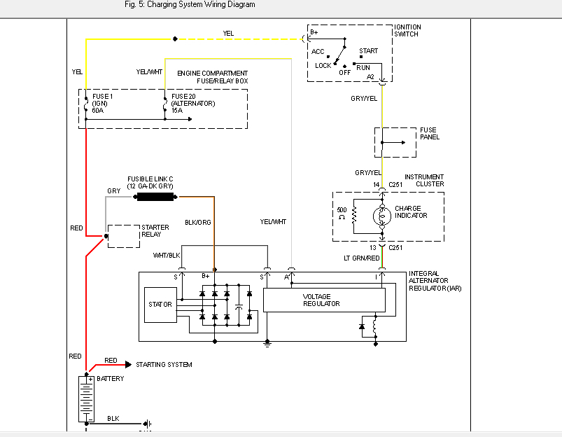
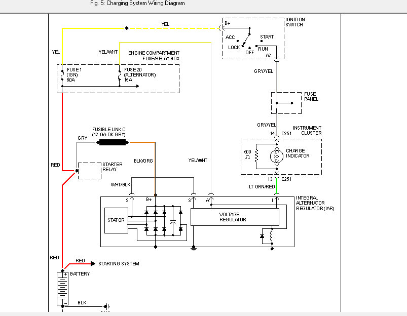
It seems you have a blown fuse for alternator fuse 20 15A at engine compartment fuse/relay box or the wiring problem leading to the alternator.
Check our guide:
https://www.2carpros.com/articles/how-to-check-a-car-alternator
Perform the tests step by step at the files attached below and the wiring diagram specific to your vehicle.
Images (Click to enlarge)
Apr 7, 2019 at 9:24 AM
LAURA HUMMEL-GREENO
MEMBER
4 POSTS
Thank you so much. It works.
Apr 7, 2019 at 10:42 AM
Advertisement
SEVAG P
CERTIFIED EXPERT
405 POSTS
You are welcome. let us know if you need more help.
Apr 7, 2019 at 11:25 AM
LAURA HUMMEL-GREENO
MEMBER
4 POSTS
I will thank you so much. I was three weeks without my truck.
Apr 7, 2019 at 12:15 PM
SEVAG P
CERTIFIED EXPERT
405 POSTS
Please feed back what was the problem???
Apr 7, 2019 at 12:23 PM
LAURA HUMMEL-GREENO
MEMBER
4 POSTS
It was the fuse.
Apr 7, 2019 at 1:23 PM
STRAILER
CERTIFIED EXPERT
53,854 POSTS
SEVAG PAESEGHIAN is one of our best! Use 2CarPros anytime, we are here to help. Please tell a friend.
Apr 9, 2019 at 2:07 PM