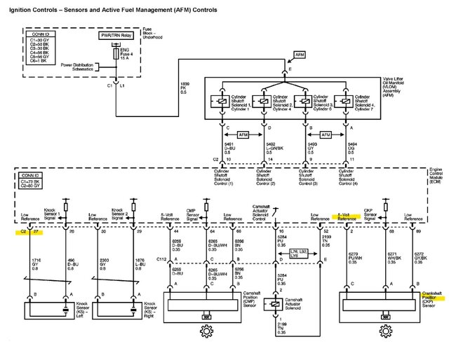
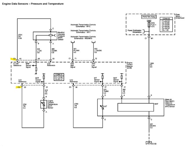
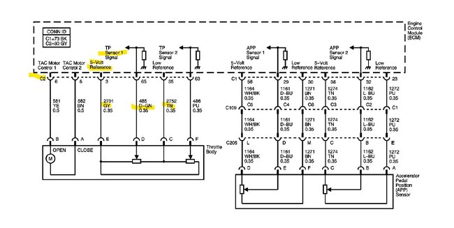
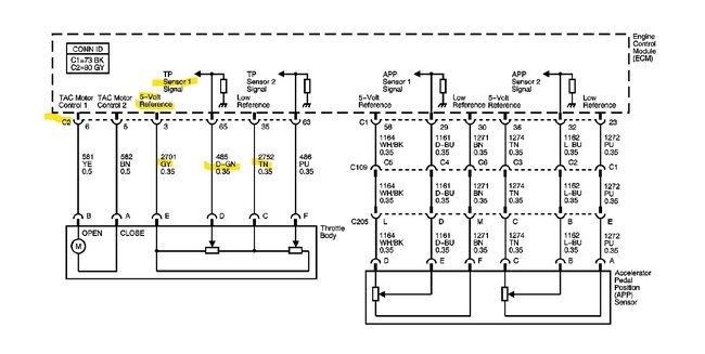
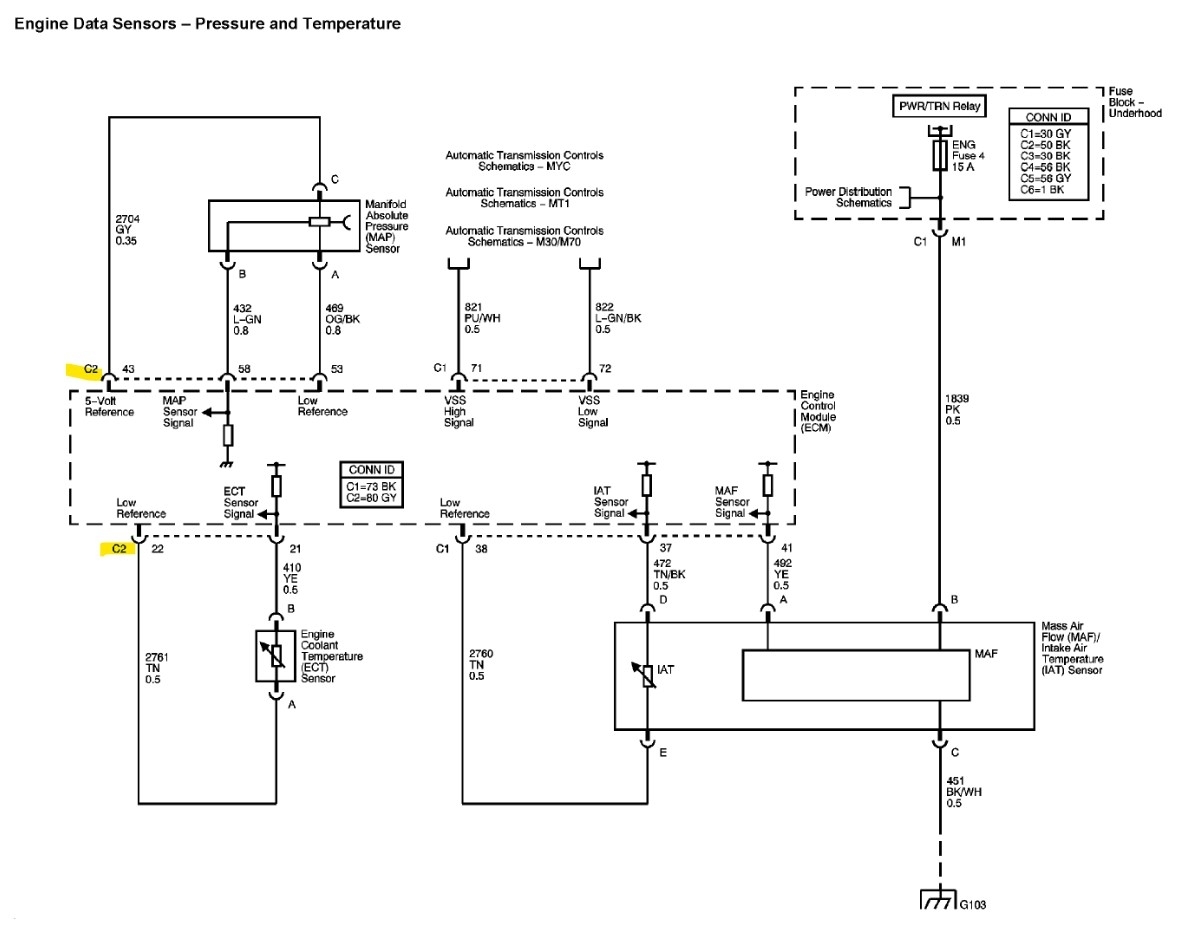
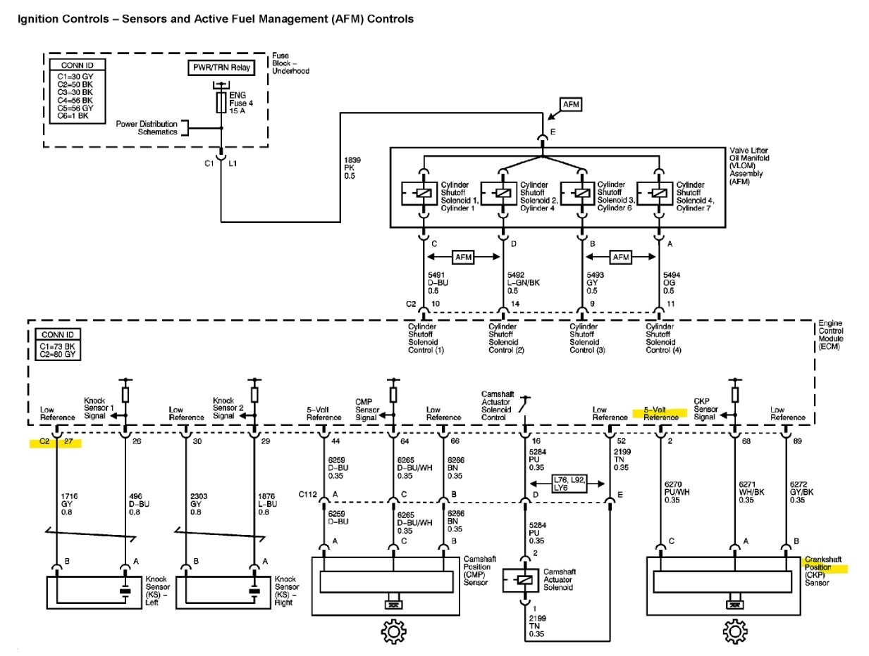
My vehicle listed above XL model 1500 will crank but won’t start. We’ve changed the fuel pump, ECM, crank shaft, camshaft, throttle pedal sensor, throttle body sensor, MAP sensor, injectors and fuel rail. Spark plugs are good. It doesn’t have a fuel regulator, fuel module or fuel filter. There's a fuel module and fuel filter on the pump but no on the body or anywhere else. It has half a tank of gas so it’s not out of gas. All fuses and relays have been checked and are good. Battery is good. Still gives codes stating the engine is hot reduce power and turn off AC. We are at a loss as to why it won’t start. It will start then die with starting fluid but that is it. It has compression, spark and fuel but still won’t start. What else could we check or what could the problem be?
Oct 26, 2024 at 12:13 PM










