It does not want to crank over

1998 GMC SUBURBAN
30,000 MILES • 5.7L • V8 • 2WD • AUTOMATIC
Avatar
RANDYAGARIA
  • MEMBER
  • 1 POST
It started about one month ago when my bar popped off broke my housing on my transmission. so I replaced the u joints and put another transmission on but I took it off a truck. Well my suburban was running for a week then my bar popped off again! So I was like for reals I know I put them on right. well come to find out the bar was unbalanced that is why it popped off again .so I replaced them put another drive line on but after that I turned it on all you would hear is like some banging against each other like the starter going really fast. after that day it started doing that. Well my brother law helped me pull it to my dad's ranch and he ended up breaking one like to the transmission the one to the break pulled my wires from the break harness by the computer but not all the way off l! So I changed the alternator got a new battery starter. well it's been like two weeks since it turned on. the last time I turned it on it cranked just fine but went to shut the hood turned off since then no crank no start none of the gauges work, but stereo lights work. so I replaced the starter relay yesterday fuel pump relay still none. so I attached a wire from the little wire from the starter try cranking it by putting the wire on the positive side it cranks but does not turn on! Can you help me figure it out please?
Mar 8, 2019 at 4:56 AM
Advertisement
Avatar
STRAILER
  • CERTIFIED EXPERT
  • 53,854 POSTS
Hello,

When you are trying to crank it over does the security light flash? If so lets follow this guide to reset it.

https://www.2carpros.com/articles/how-to-reset-a-security-system

if not here is a guide to help us check for trigger power at the starter and a wiring diagram for the starter so you can see how it works:

https://www.2carpros.com/articles/starter-not-working-repair

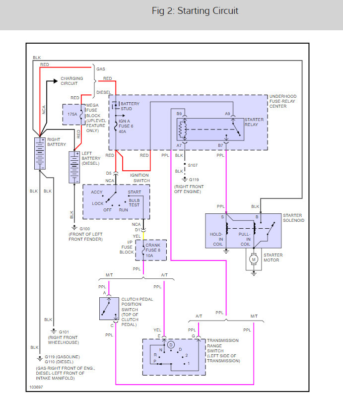
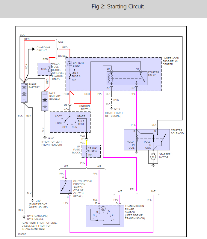
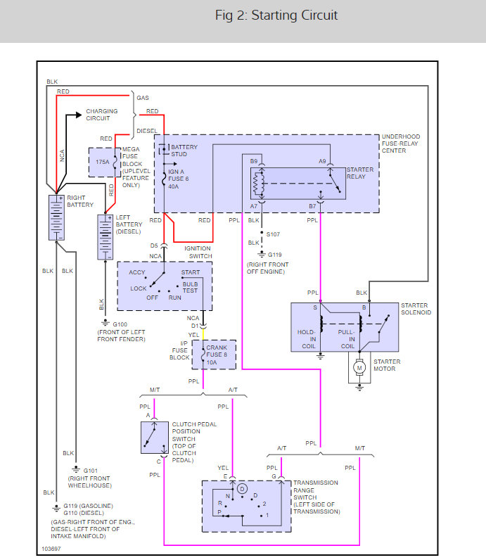
Check out the diagrams (below). Please let us know what you find. We are interested to see what it is.
Mar 9, 2019 at 2:26 PM