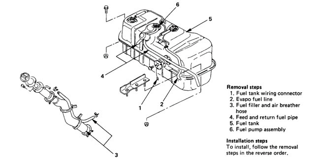
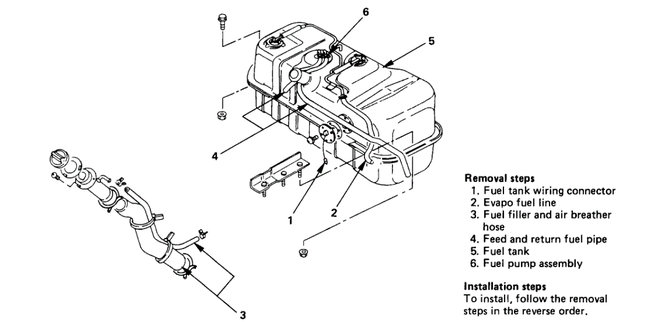
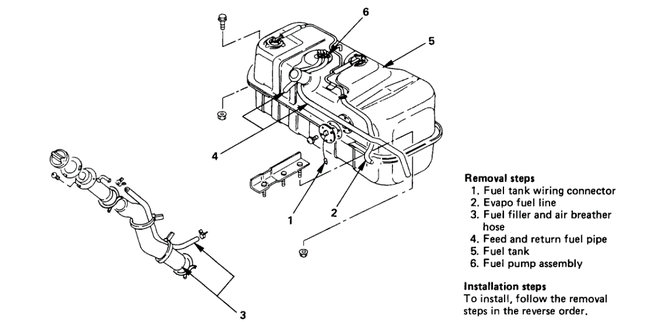
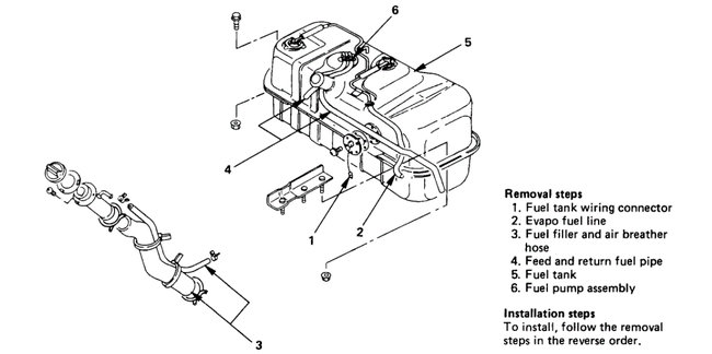
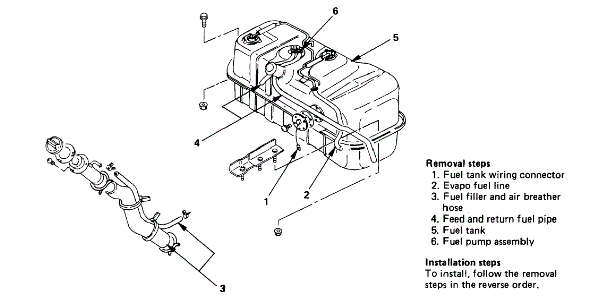
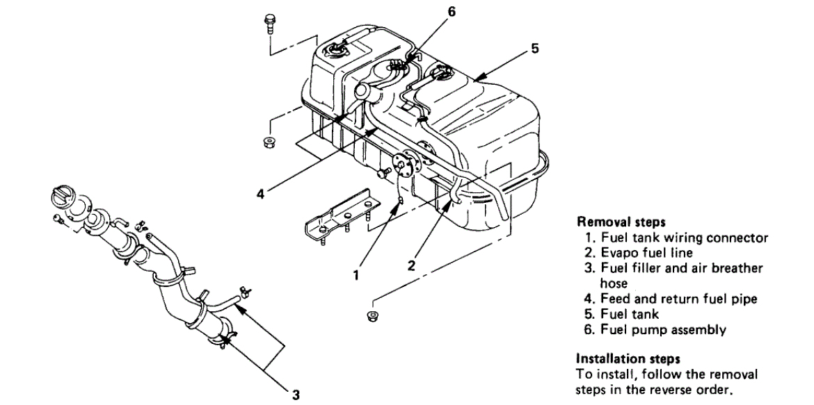
So if it is a carburetor, you wont have to drop the tank, because its not there. It should be under the carburetor,. Haynes and Chilton say going down through the top of the engine, but that has a lot of stuff in the way. I watched a video on doing it from the wheel well. Looks like it may be easier. I'm about to try it myself. Will update with results.
Sep 19, 2020 at 8:07 AM