I have a trooper that wouldn't start I jumped it took it to the local parts store to check battery they told me it was the alternator so I change it .after about a week it wouldn't start again so I put a new battery in it again after about a week it wouldn't start again checked battery ,battery good but now I'm not getting any thing at all when I turn on the key.
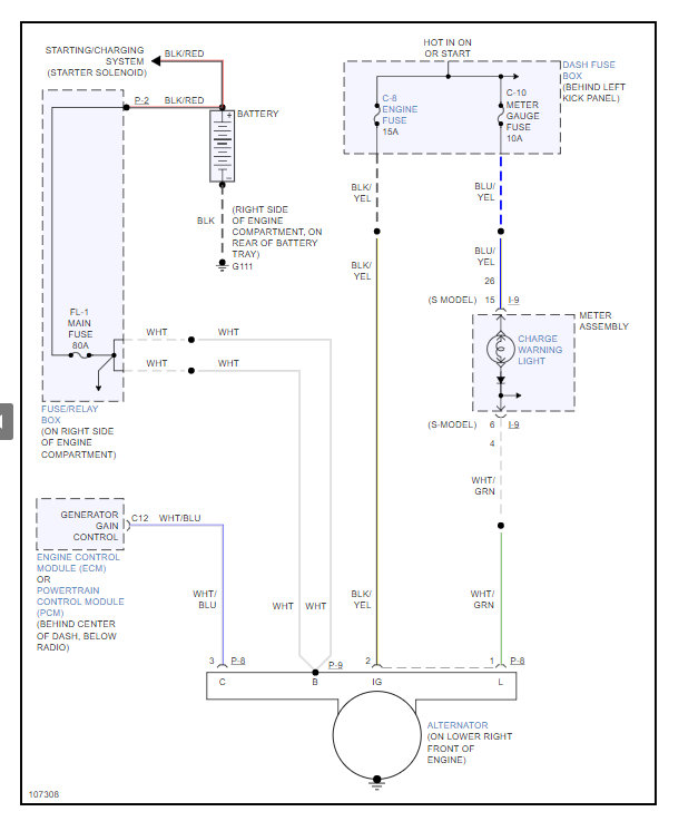
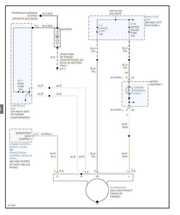
I'm get power to the fuse box( checked both side of main fuse have power) but not getting power to Ignition fuse? What can be wrong
I'm get power to the fuse box( checked both side of main fuse have power) but not getting power to Ignition fuse? What can be wrong
Mar 23, 2008 at 8:43 PM
