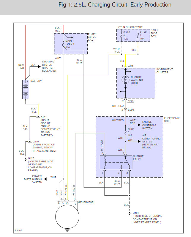
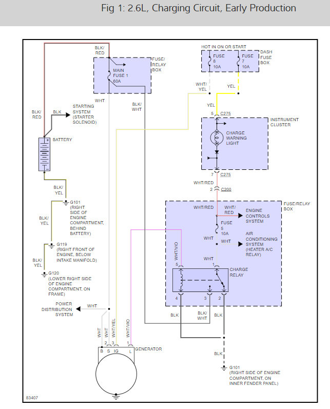
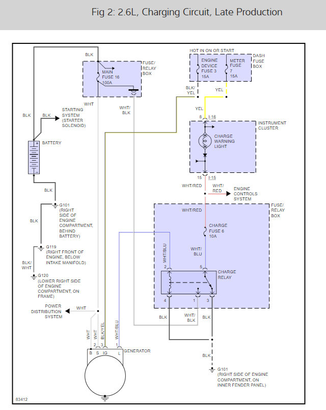
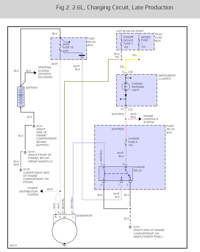
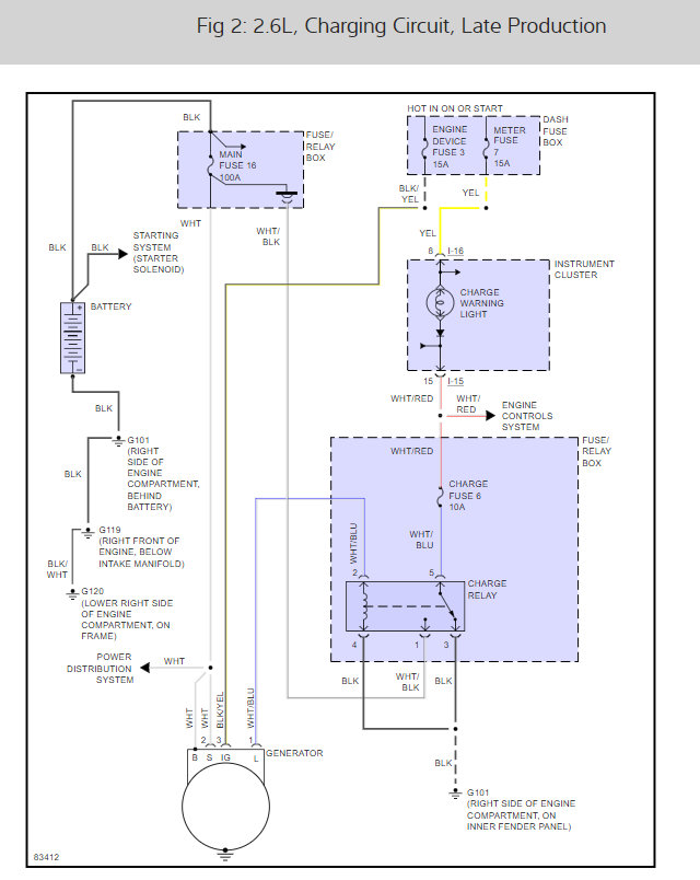
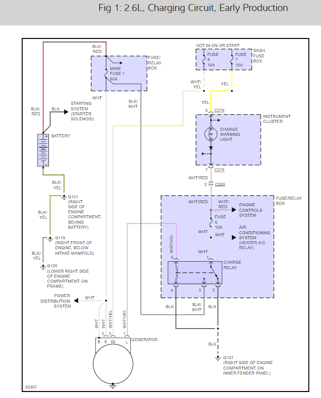
Previous owner installed non-standard alternator by cutting off alternator plug and wiring directly to posts. We have bought new alternator and need to know which wires connect to which blades of the T-plug that is supposed to be part of the harness and which wire goes to the separate post. We have a wiring schematic of the charging system, but that doesn't get detailed enough to show the plug pins - just the fact that three wires come out of one area and one from another.
[img:2a096548ed]http://www.2carpros.com/forum/automotive_pictures/297601_Isuzu_alt_plug_1.jpg[/img:2a096548ed]
[img:2a096548ed]http://www.2carpros.com/forum/automotive_pictures/297601_Isuzu_alt_plug_1.jpg[/img:2a096548ed]
Jan 6, 2009 at 1:25 PM


