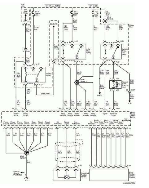
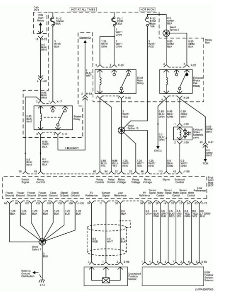
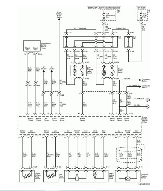
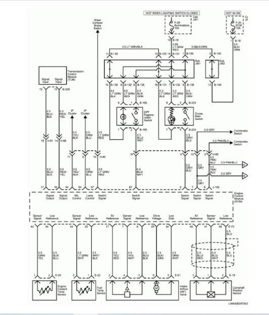
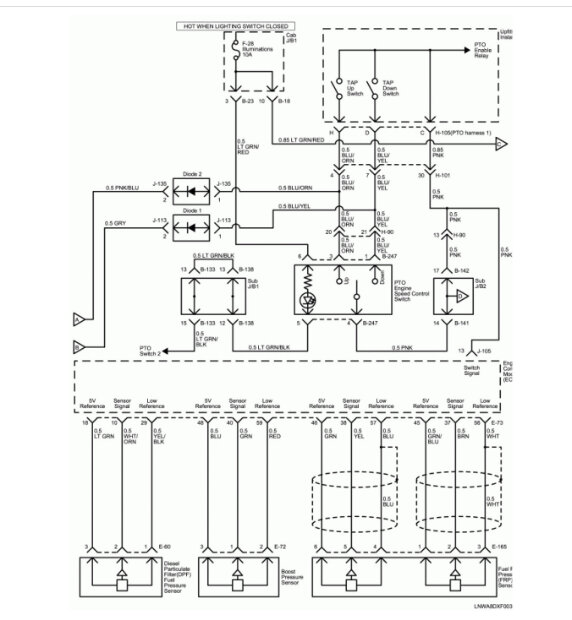
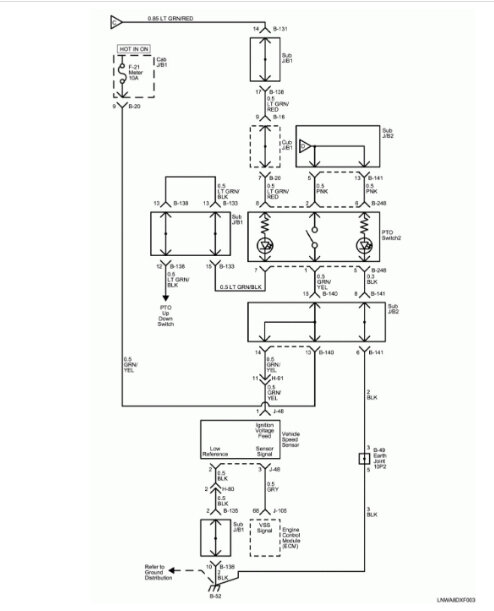
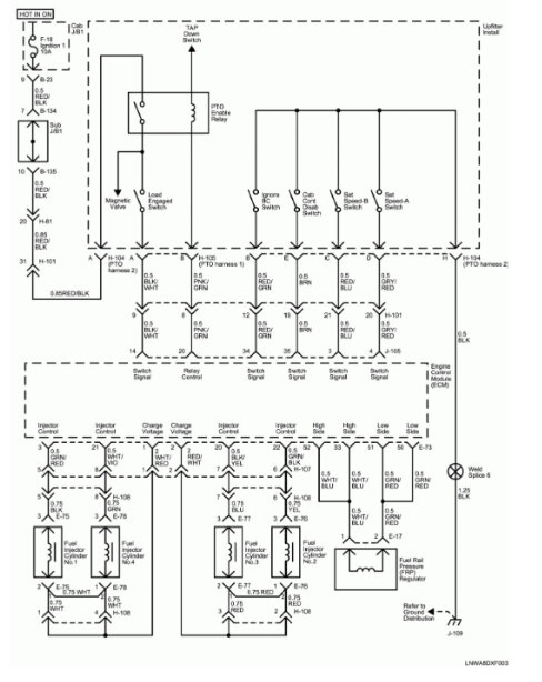
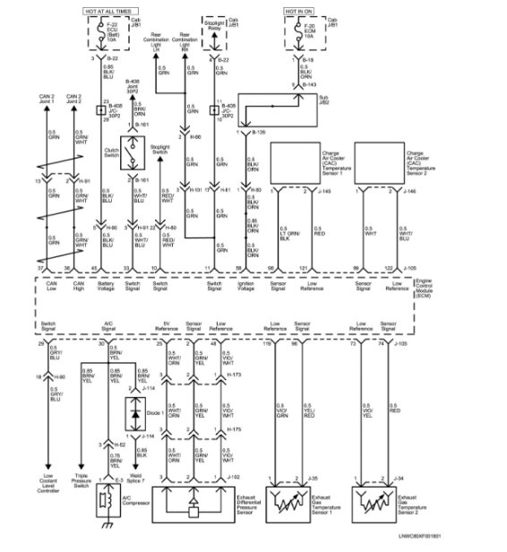
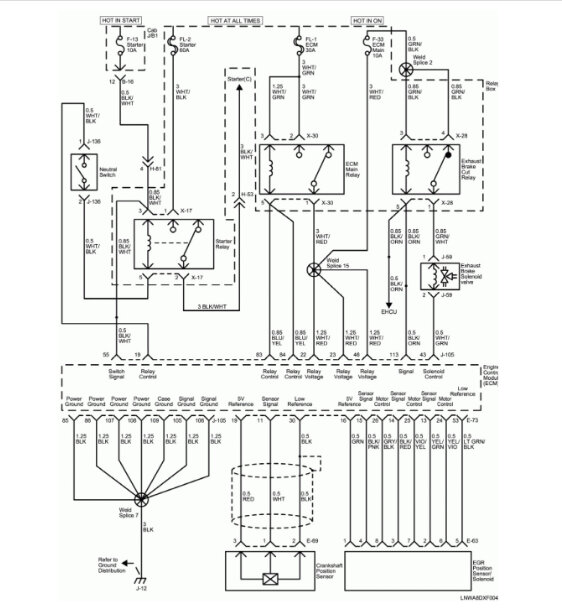
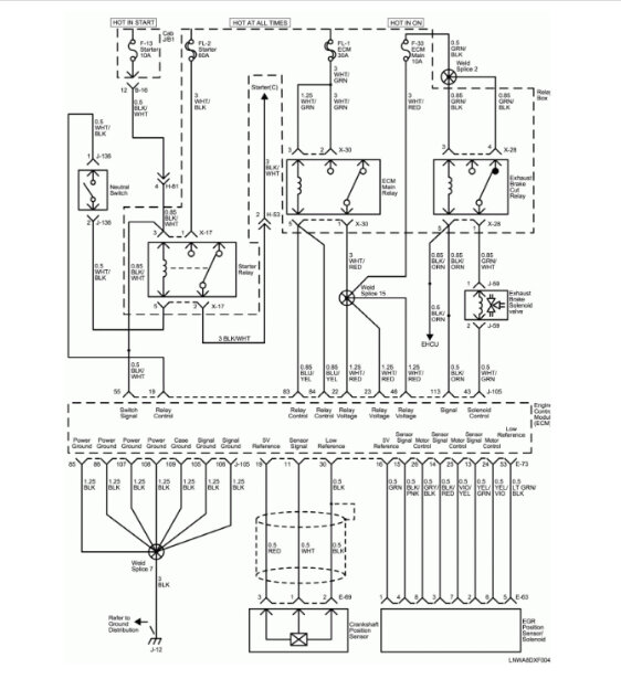
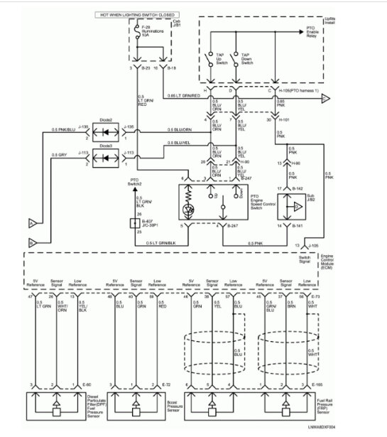
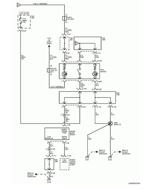
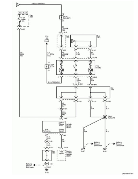
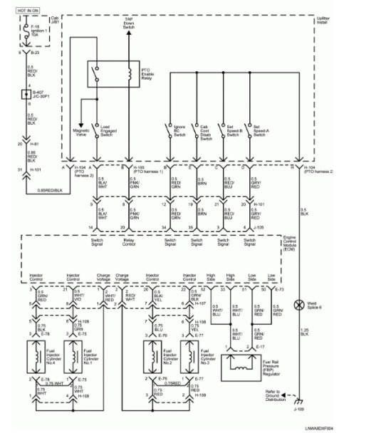
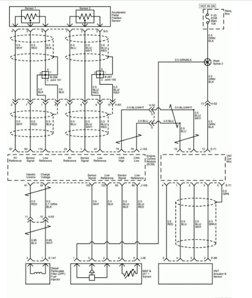
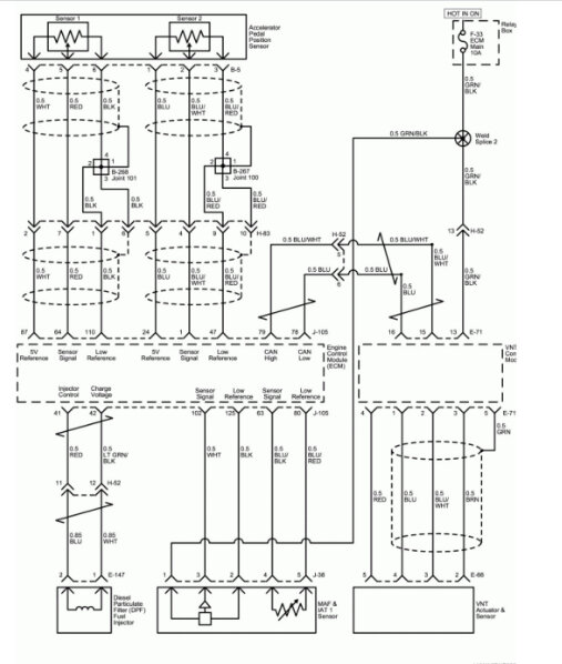
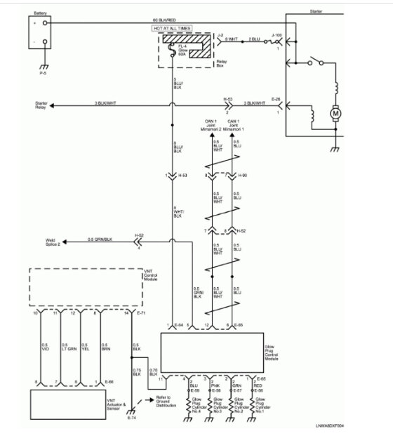
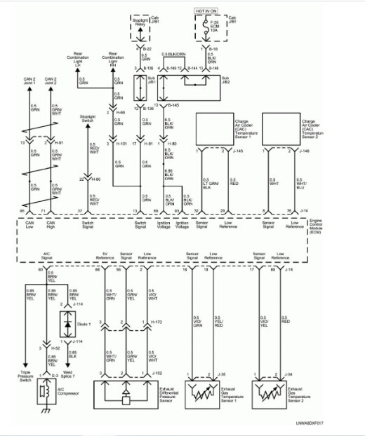
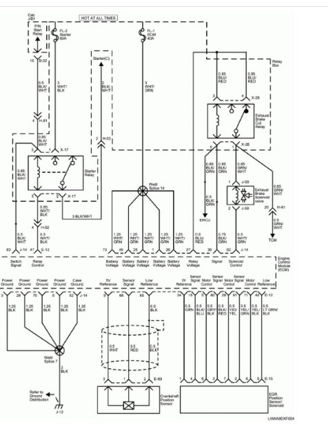
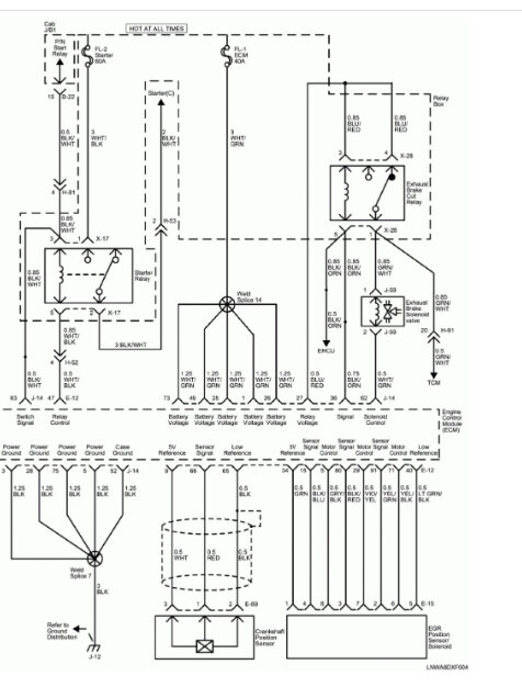
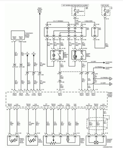
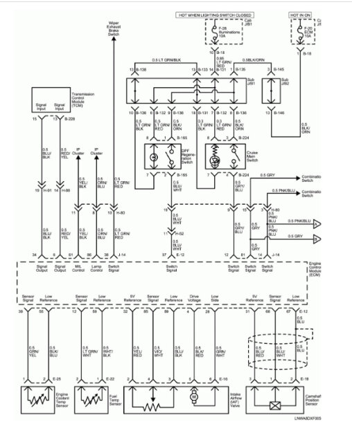
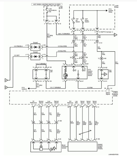
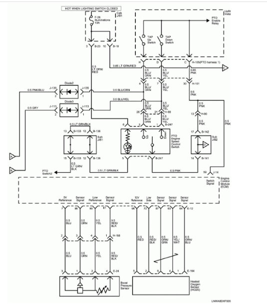
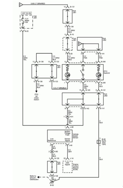
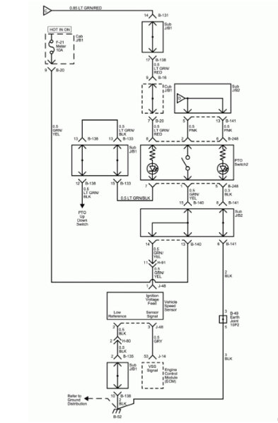
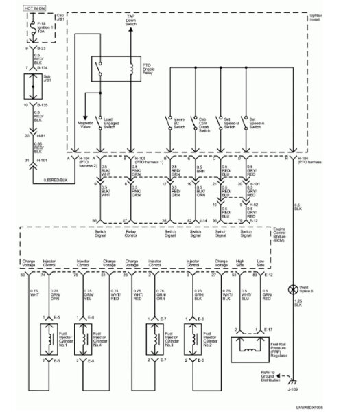
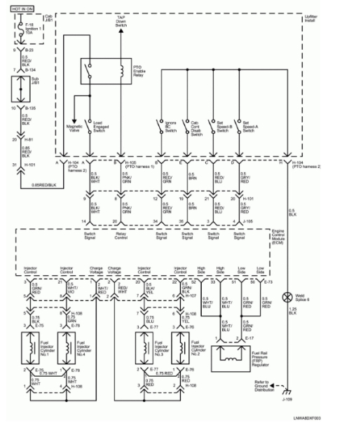
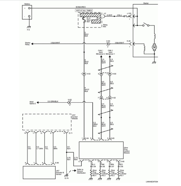
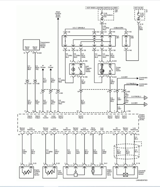
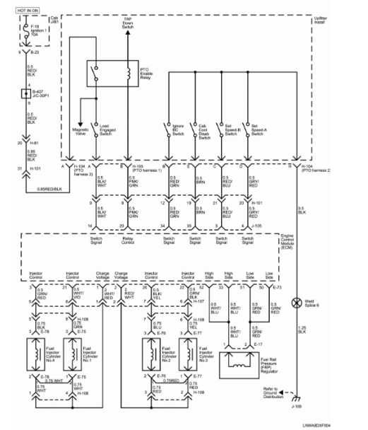
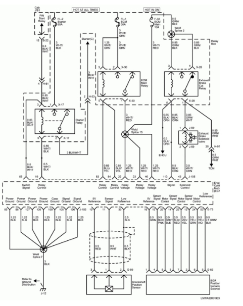
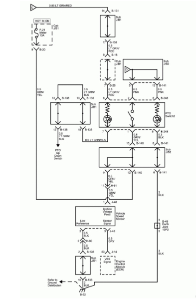
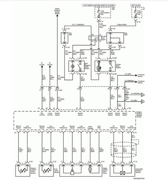
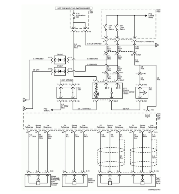
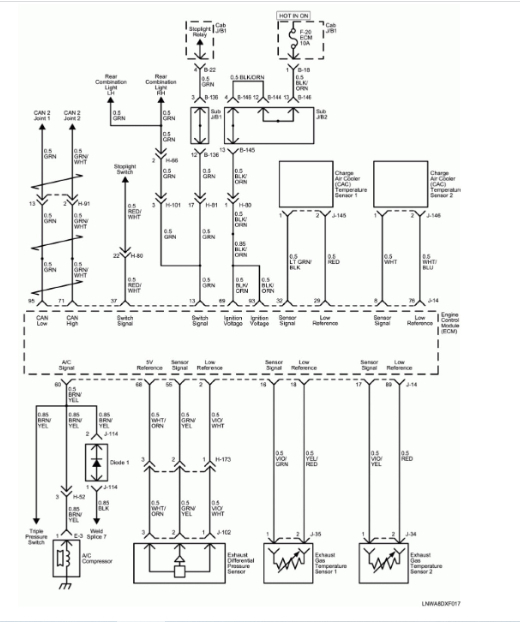
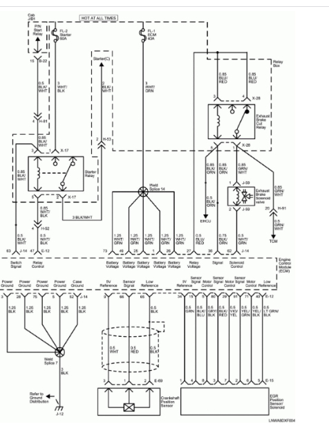
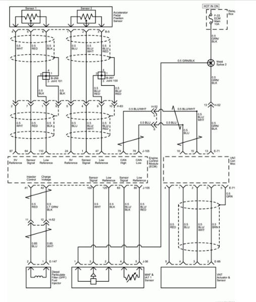
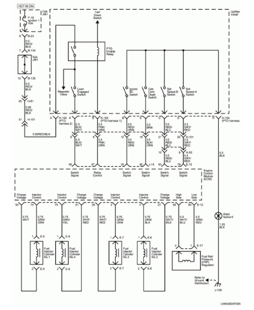
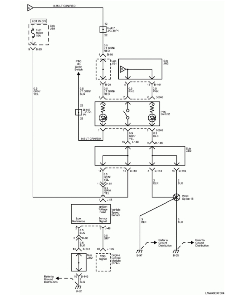
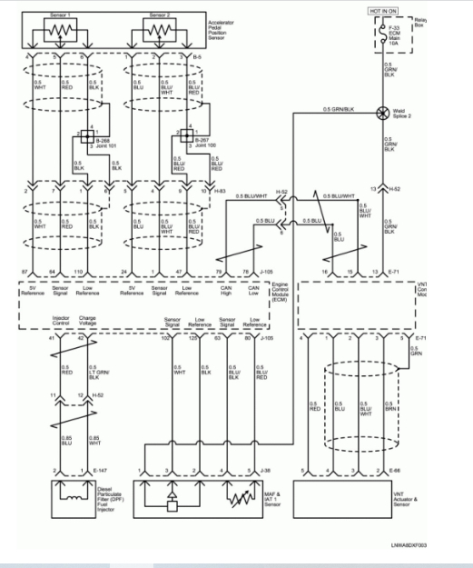
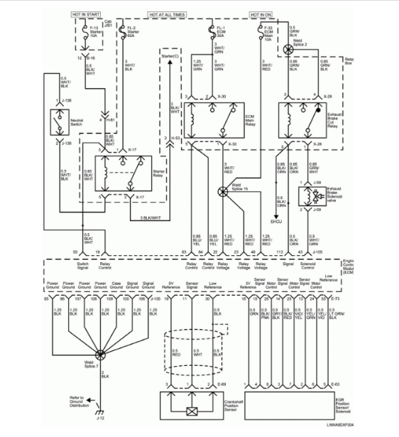
I need a complete ECU pin assignment (diagram)for 2013 Isuzu reach, came in a 3.0L 4jj1 and a Bosch edc17cv41 12v ECU, I need to do some conversion on wires, so I need diagram for reference. Any help would be appreciated.
Dec 2, 2023 at 2:54 PM
























































