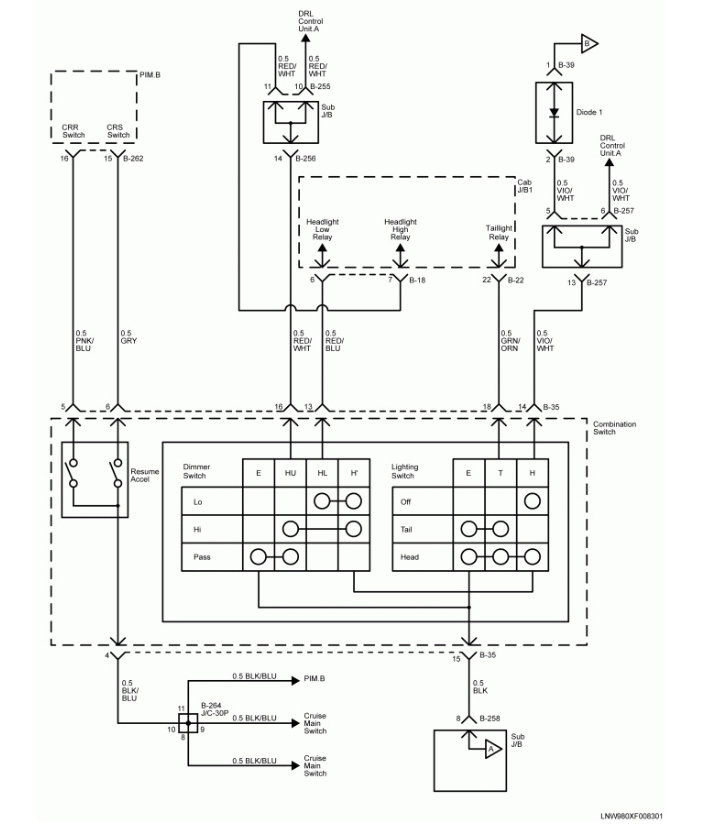
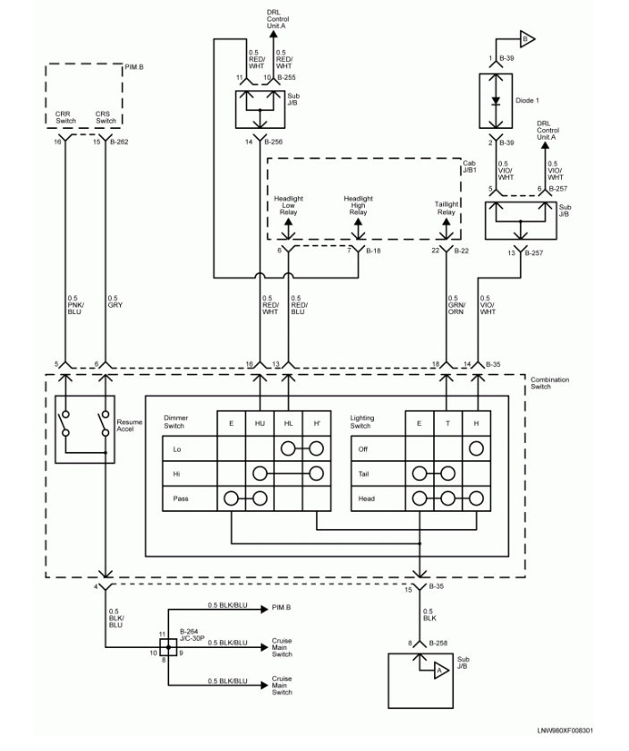
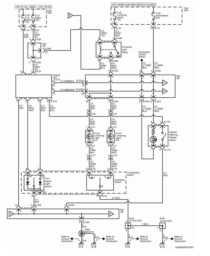
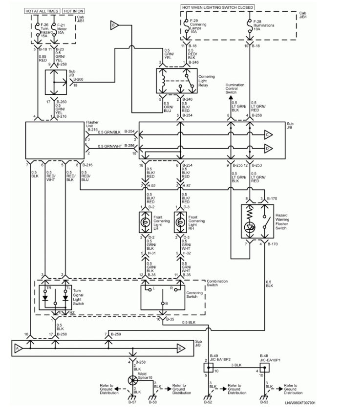
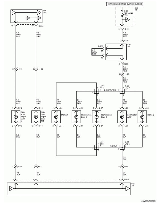
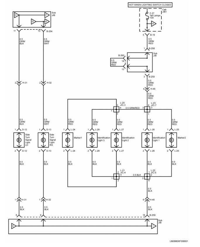
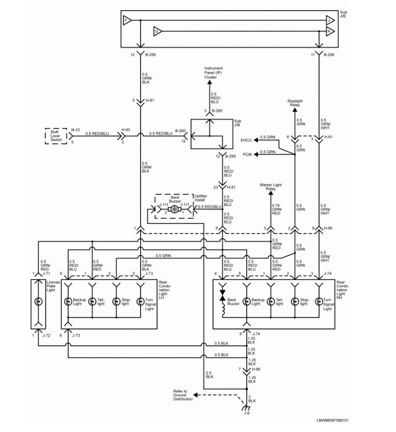
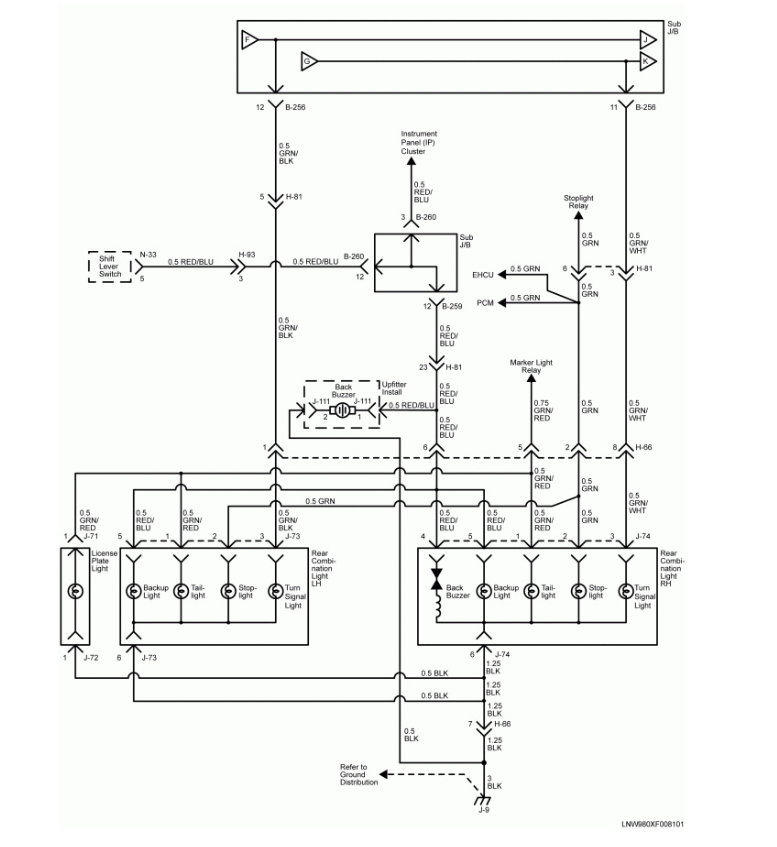
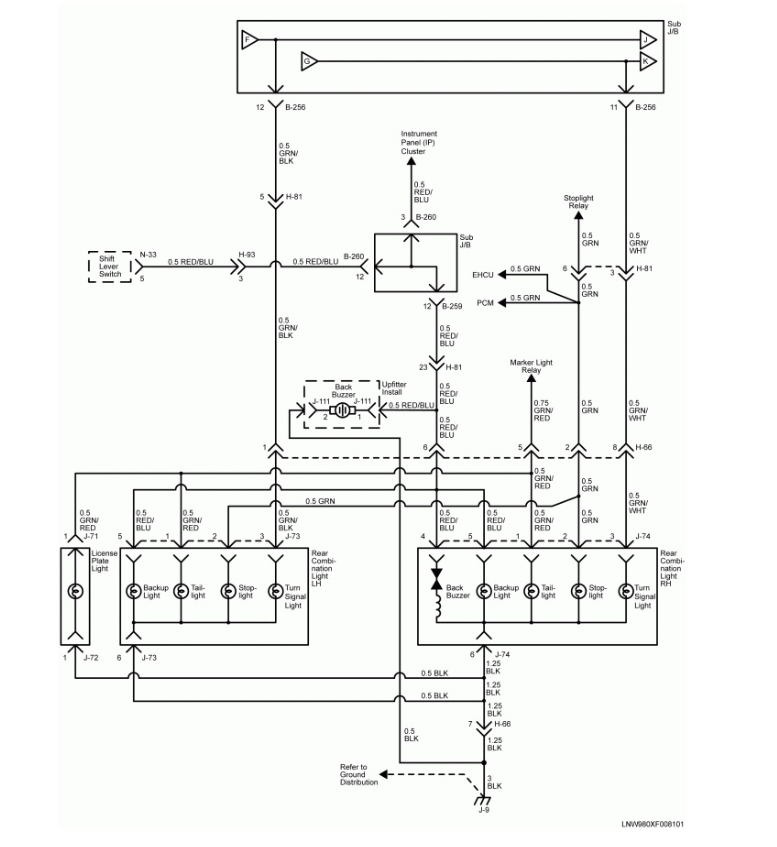
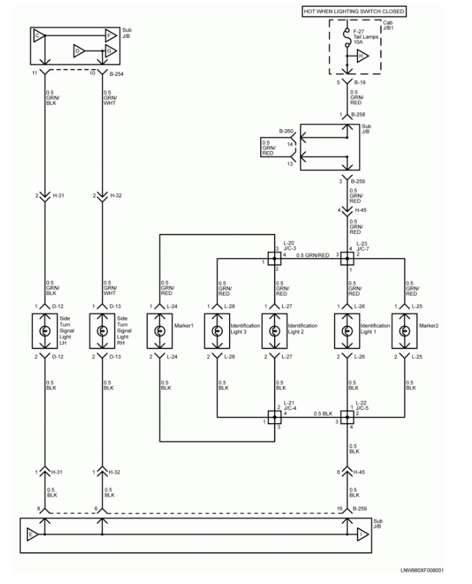
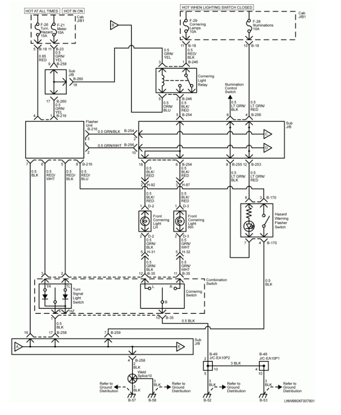
rt. turn signal causes flasher to click fast, non of the lights illuminate,(dash, front, back) left side and hazards work properly. tried new flasher & bulbs
Feb 20, 2009 at 6:12 PM






