Stalling, tachometer not working properly

1995 ISUZU BIGHORN
85,000 MILES • 3.1L • 4WD • AUTOMATIC
Avatar
NICK MIDDLEDITCH
  • MEMBER
  • 4 POSTS
no rev counter, i've got a good signal coming in from both pump and crank sensor but no signal out of the ECU to rev counter.

any ideas please?
Oct 5, 2021 at 8:18 AM
Advertisement
Avatar
KASEKENNY
  • CERTIFIED EXPERT
  • 18,907 POSTS
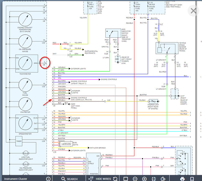
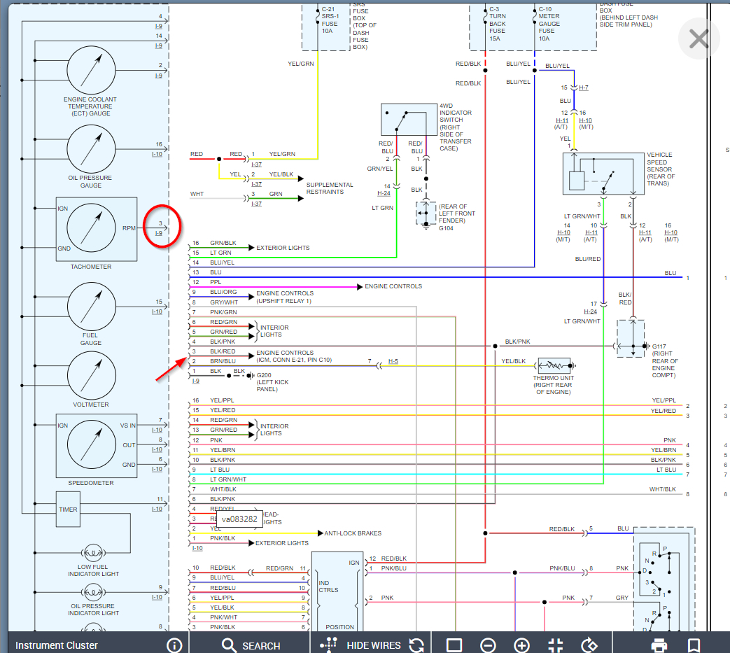
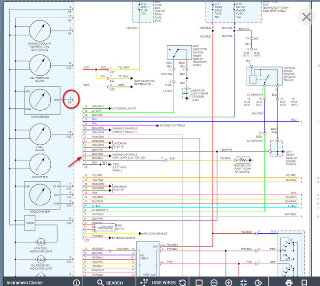
These issues with the tachometer and stalling could be related as the tachometer is fed from the ignition control module so if that is faulty then you would have stalling and no tachometer.

So, the way to check this is to go to the cluster and find out what the voltage is coming in on the wire highlighted.

Here is a guide that will help with this:

https://www.2carpros.com/articles/how-to-check-wiring

Once we know what the voltage is on this wire while the engine is running then we can take the next steps, but I suspect this will put us on the right path.

Please run through this and let us know what you find with this. Thanks
Oct 6, 2021 at 3:14 PM
Avatar
NICK MIDDLEDITCH
  • MEMBER
  • 4 POSTS
Mt Trooper is fly by wire, so signal is sent directly to pump.
Oct 6, 2021 at 11:04 PM
Advertisement
Avatar
NICK MIDDLEDITCH
  • MEMBER
  • 4 POSTS
Trying to get hold of a pinout diagram from the ECU to find which pin is not give the signal.
It’s not the rev counter as i can make that flicker by giving it a pulse of 12v, I need to get a pin out diagram for the ECU i think then we go through each pin and see what we got or what we haven't! trouble is being an import it's going to be difficult to get hold of.
Oct 6, 2021 at 11:19 PM
Avatar
KASEKENNY
  • CERTIFIED EXPERT
  • 18,907 POSTS
Yeah. Unfortunately, this is a sister vehicle to a Trooper, but I can't promise this pinout is just like yours.

However, I attached the info that we have from the manual. Due to this exact vehicle not being offered in the USA we don't have a manual on it.
Oct 7, 2021 at 6:51 PM
Avatar
NICK MIDDLEDITCH
  • MEMBER
  • 4 POSTS
Thank you for your reply. Yes, my ECU has four terminals so I’m not sure that’s compatible. Thank you for trying. I think I need a Japanese equivalent of 2CarPros.
Oct 7, 2021 at 11:44 PM
Avatar
KASEKENNY
  • CERTIFIED EXPERT
  • 18,907 POSTS
Haha. Yes. We would love to find someone in Japan that can help with these ones as they would have that info. Unfortunately, AllData will not give us access to global vehicles, so this does happen on these vehicles.

Thanks for coming to 2CarPros
Oct 8, 2021 at 11:22 AM