issues with low beam headlight on driver side?

2017 VOLVO XC90
124,000 MILES • 2.0L • 4 CYL • TURBO • 4WD • AUTOMATIC
Avatar
DIVIDES
  • MEMBER
  • 903 POSTS
Only night I see out is the low beam on driver side, but for some reason the cluster shows that a blinker is out. I tried all of them and they all work like they should. Put hazard on and all are woking, brake lights working, same for reverse. These headlights are LEDs, I cannot seem to find how to replace them. I could not see any fuses that were burned under the hood.
Dec 31, 2025 at 3:33 PM
Advertisement
Avatar
STRAILER
  • CERTIFIED EXPERT
  • 53,854 POSTS
Yep, so if the lights were out at one time you will need to clear the computer to have the warning light go out, here is a video that can help you do just that. Also if there are any other codes this will help us as well.

CAN SCAN - https://youtu.be/u-4syLc-ifQ

Please let us know what happens.




Jan 1, 2026 at 1:45 PM
Avatar
BHAMDOC1973
  • MEMBER
  • 2,008 POSTS
Ya i did a full scan and deleted all codes but i still have the message on dash and one low beam out
Jan 1, 2026 at 3:11 PM
Advertisement
Avatar
STRAILER
  • CERTIFIED EXPERT
  • 53,854 POSTS
Make sure the blinkers have the OEM bulbs in them and not after market LED's this will make the system seems like there is a bulb out even though they are working. The headlight bulb service is a good one, you need to remove the inner fender well, upper and under valance on the left side of the car. Here is the instructions how to replace the headlight assembly. Check out the images (below). Let us know how it goes

Jan 2, 2026 at 10:20 AM
Avatar
DIVIDES
  • MEMBER
  • 903 POSTS
ya am trying to figure out how to remove the blinker bulbs since they are regular ones and not LEDs, don't tell me bumper has to come off for that plz. I don't think low and high beams have any replaceable bulbs the whole assembly may need replacing
Jan 2, 2026 at 10:33 AM
Avatar
STRAILER
  • CERTIFIED EXPERT
  • 53,854 POSTS
Yep, you are correct on the entire headlamp housing assembly needing to be replaced. If you go over the instructions above you can see the front bumper cover will need to be pulled forward to remove the housing.
Jan 2, 2026 at 10:47 AM
Avatar
BHAMDOC1973
  • MEMBER
  • 2,008 POSTS
What an excellent design. Sure , lets make people spend 2k when a low beam go out. I only found one fuse under the hood for a headlamp. Is there another fuse for LED that you can see anywhere?
Jan 2, 2026 at 11:05 AM
Avatar
STRAILER
  • CERTIFIED EXPERT
  • 53,854 POSTS
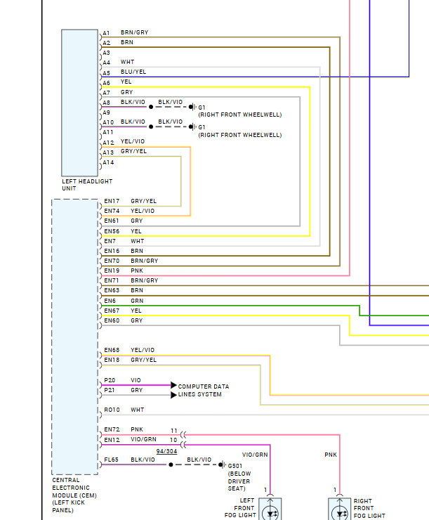
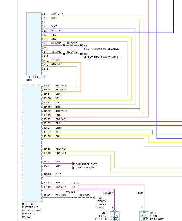
Yep, they don't care about the consumer, just the sales. There are three fuses that run the system, then it is just the CEM and the individual headlight units and wiring. You might want to check the grounds as well which are the blk/vio wires at the headlamp assembly. Here are the fuses and the wiring between the CEM and headlight unit so you car test them to confirm, this guide can help

https://www.2carpros.com/articles/how-to-check-wiring

Check out the images (below). Please let us know what happens.
Jan 3, 2026 at 9:23 AM
Avatar
DIVIDES
  • MEMBER
  • 903 POSTS
thanks
Jan 3, 2026 at 9:51 AM
Avatar
STRAILER
  • CERTIFIED EXPERT
  • 53,854 POSTS
No problem. you are not alone in this, many people have this problem as well.
Jan 3, 2026 at 9:57 AM
Avatar
DIVIDES
  • MEMBER
  • 903 POSTS
Checked all fuses they are good. Next would be to remove the bumper slightly to get access to it. Hard to reach the wires
Jan 3, 2026 at 10:27 AM
Avatar
STEVE W.
  • CERTIFIED EXPERT
  • 15,113 POSTS
Got to love vehicles that you have to tear half of it apart to change out a common maintenance item. The Chevy Impala is like that, drop the bumper cover then the lights and you can change the bulbs. I tell them to replace all of them at the same time. Then all the ones where you have to rip the dash out to get to the HVAC components.
Jan 3, 2026 at 3:16 PM
Avatar
DIVIDES
  • MEMBER
  • 903 POSTS
Lol true, highlanders have that.
Jan 3, 2026 at 5:47 PM
Avatar
DIVIDES
  • MEMBER
  • 903 POSTS
Took it to volvo he said the headlight is from a different year model and the module is not taking the software, i don't understand how come they can't code but you can't argue with these guys, so ill see if i can code it myself which i doubt, he said blinker showing the message cause of that as well. That want 4k to replace it lol.
Jan 8, 2026 at 6:54 AM
Avatar
STEVE W.
  • CERTIFIED EXPERT
  • 15,113 POSTS
Run into that a lot with dealerships these days. You might want to go on https://www.car-part.com/ and see if you can find a yard that has one. It looks like there are 10 different variants for the lamp assembly, doesn't say what the difference is though. Not sure if the VIN might help with that, if they gave you the actual part number you needed you might try the auction site and see if there are any out there.
Jan 8, 2026 at 10:58 AM
Avatar
DIVIDES
  • MEMBER
  • 903 POSTS
Its not about a different part number. They just say its from a different year, but they all look the same and everything on the light works wxcept the low beam, including high, so soesnt make sense at all. Dont thibk anything is wrong with the light
Jan 8, 2026 at 11:08 AM
Avatar
DIVIDES
  • MEMBER
  • 903 POSTS
Picked up. Volco dealership custoker service always sucks. I asked him, technically what is the issue? He said the light is not the right one. I said the car never been in an accident so what does that mean. He called the tech and the tech said the assembly is the right one. I said so what, why dont you code it with the modules in it? I had that done on all types of cars, if you cannot do it who can, he said we can't. Am like so i need to pay 4k even though all the oights work on it except the low beam? He said obviously not everything working, i said i doubt the tech knows what he is doing if he cannot give me a logical reason, he said well he as 23 years experience, am like he could make a mistake, also with 23 years experience experience you cannot a light and modules? Geez give me my car
Jan 8, 2026 at 4:00 PM
Avatar
STEVE W.
  • CERTIFIED EXPERT
  • 15,113 POSTS
Can they tell you what variant is in it? The parts listing for that car shows different actual part numbers as shown in the attached, I suspect they do with different option packages or suppliers? Don't see many Volvos in my area. A couple look like they are build date based. I know some of the splits GM does with theirs are fun, they will use a module in one option that they don't in another but you cannot program a function in the vehicle without the module unless you install it, do the programming and then remove it. Really stupid system.
There is a headlamp control module that attaches to the rear of the light, That is the part that contains the control circuitry, That could be the problem part. Same part for both sides. # 31427776 as much of a pain as it would be, you could swap them and see if the failure follows the part.
Jan 9, 2026 at 7:33 AM
Avatar
DIVIDES
  • MEMBER
  • 903 POSTS
Ya you are right. They gave me the part numbers. First one is for the assembly, the second and 3rd are the 2 modules on back of the car which are cheap. I could replace both but not sure if it will solve it. Here is what they gave me
Jan 9, 2026 at 7:37 AM
Avatar
STEVE W.
  • CERTIFIED EXPERT
  • 15,113 POSTS
Looking up the part numbers they show up as variant JB07 parts.
This is the control module -
Headlamp Drive unit. XC90. Headlamp. With led, to ch 344889, high/low beam, code jb07. Without cross county to ch 51345, with cross county to ch 27393, high/low beam, code jb07. Led control module. V90.
The ballast could also be the issue.


The modules should still be the same for each side. I'd probably swap them, if the issue is now on the opposite side you just need the single module. The parts need to come off for any replacement regardless, a few more minutes to be sure of the parts needed shouldn't be that bad. I don't show any programming needed in the service info, for just the module swap but I'm not sure I trust that. I doubt there is anything for the ballasts.
Jan 9, 2026 at 8:12 AM
Avatar
DIVIDES
  • MEMBER
  • 903 POSTS
I will try, thanks
Jan 9, 2026 at 9:16 AM
Avatar
STRAILER
  • CERTIFIED EXPERT
  • 53,854 POSTS
Please do, STEVE W. is one of our best!
Jan 9, 2026 at 9:26 AM
Avatar
STEVE W.
  • CERTIFIED EXPERT
  • 15,113 POSTS
Good luck, let us know what you find. Volvo doesn't seem to be real popular around me unless it's the older box wagons.
Jan 9, 2026 at 1:30 PM
Avatar
BHAMDOC1
  • MEMBER
  • 101 POSTS
One am finished with it I'll sell it to you so you can promote it around town lol
Jan 9, 2026 at 1:31 PM
Avatar
STEVE W.
  • CERTIFIED EXPERT
  • 15,113 POSTS
No thanks, I've got enough problem children around already... lol
Jan 9, 2026 at 1:42 PM
Avatar
DIVIDES
  • MEMBER
  • 903 POSTS
I replaced one of the modules and the low beam works now, $60 worth. Only thing is that I cannot communicate with the car because of my scanner to delete the codes or see if any coding or programming is needed because it still says on the dash low beam and blinkers malfunction and the blinker sound on the dash for that side is fast, but all lights work
Jan 15, 2026 at 6:47 PM
Avatar
STEVE W.
  • CERTIFIED EXPERT
  • 15,113 POSTS
Try disconnecting the battery if you can't get a tool to erase the codes. It may force it to reset and see if it clears. What does your scan tool do when connected?
Jan 15, 2026 at 10:17 PM
Avatar
DIVIDES
  • MEMBER
  • 903 POSTS
says download file or something, and the other tool goes u to 2014 only, I tried 3 of them, strange. I will try the battery, would the auxiliary battery be enough to disconnect or the big one?
Jan 16, 2026 at 5:15 AM
Avatar
STEVE W.
  • CERTIFIED EXPERT
  • 15,113 POSTS
HMM, download file sounds like you have an update waiting, might be a good idea to do that, depending on what the update is. What tools are they? I've been playing with a new Topdon Elite unit that has been really impressing me with it's abilities. Still return to my Autel though because I'm so used to it and I haven't run into any real walls with it so far.
The other option would be to just drive it a bit and see if the code goes away, it might be a "permanent" code that has to be cleared by the PCM itself. Those don't even clear if you disconnect the battery. How does it show up in the tool? Current, History or Permanent ?

Jan 16, 2026 at 7:08 AM
Avatar
BHAMDOC1
  • MEMBER
  • 101 POSTS
I cant even get to any cides. I need to work with updating or downloading the file first i think
Jan 16, 2026 at 7:38 AM
Avatar
STEVE W.
  • CERTIFIED EXPERT
  • 15,113 POSTS
Take a look at the update pricing. I've gone from constantly updating the tool to replacing it entirely. I picked up my Autel with a deal for 2 years of updates free. So say I bought it in 2025, that gets me to 2027 as the current software. I generally don't get anything that isn't at least 3-4 years old. So the tool will actually cover what I touch until about 2030 or so. Then I'll buy a new replacement and the "old" tool gets second line duty. Now to offset that I do the same with the second scan tool. So the Launch based tool would be replaced in between the Autel years. The scopes get rotated as well. Only way to keep up these days.
I would try that first, that way you don't get caught in any hidden loops if disconnecting both batteries sets a security lockout.
Jan 16, 2026 at 11:18 AM
Avatar
BHAMDOC1
  • MEMBER
  • 101 POSTS
Ya am same way. Launch between autels but am tired of buying them and having to update wvery couppe of years, problem is not wvery car is covered. Am not sure if there is anything better than autel without spending 10k. Also, all the autels when new as well have slow processors
Jan 16, 2026 at 11:24 AM
Avatar
STEVE W.
  • CERTIFIED EXPERT
  • 15,113 POSTS
I don't know of any tools that cover everything without gaps. I think the issue on the Autels is that they split things between the tool and the cloud more then other tools.
Jan 16, 2026 at 11:59 AM