Code C0710, issues diagnosing ESC issue related to Steering Wheel Position Sensor?

2012 CHEVROLET MALIBU
105,000 MILES • 2.4L • 4 CYL • 2WD • AUTOMATIC
Avatar
JOSH HUTE
  • MEMBER
  • 5 POSTS
Hello, I am struggling to find the source of my ESC/Service Traction issue on my car listed above. I am a hobby mechanic with a fair understanding of electrical diagnosis, but this has me stumped. A quick rundown of the issue:

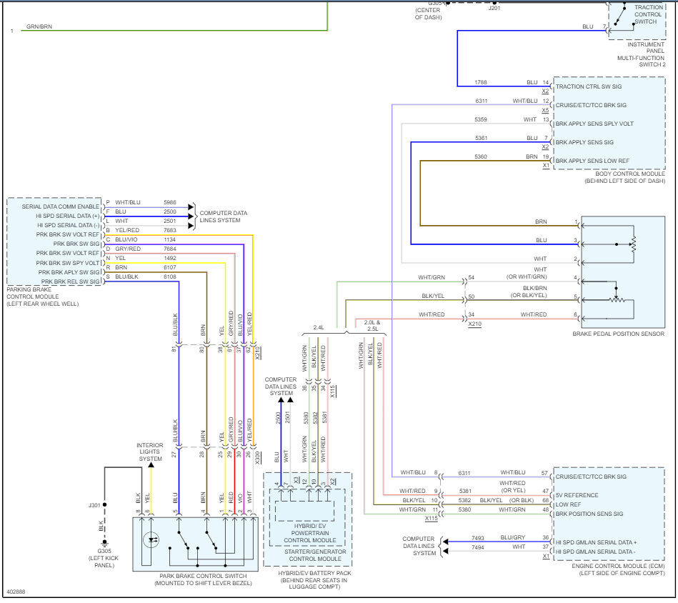
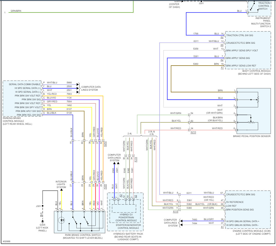
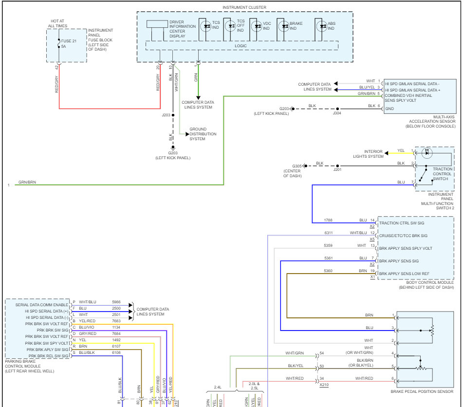
Tech II shows codes C0710 (steering position signal), and U2143 (lost communication with steering angle sensor) in the Electronic brake control module. There are no codes showing in the Power steering control module.

I have replaced the Steering position sensor, and the ECBM which I programmed with GM SPS2. Calibrated steering sensor and torque sensor, Same codes returned immediately. The signals, both 1 and 2, show around 2.5V at the steering module. 5V ref is good, ground is good.

Live Data in Tech II shows steering position correctly when turning wheel (500* to -500*), and both signals show between .1 and 5v when turning wheel, which leads me to believe the signal coming from the steering module is good.

When I go into the EBCM however, signal 1 shows 2.5v and doesn't update, and signal 2 shows 0v and doesn't update. So, I believe the EBCM is not getting a good signal.

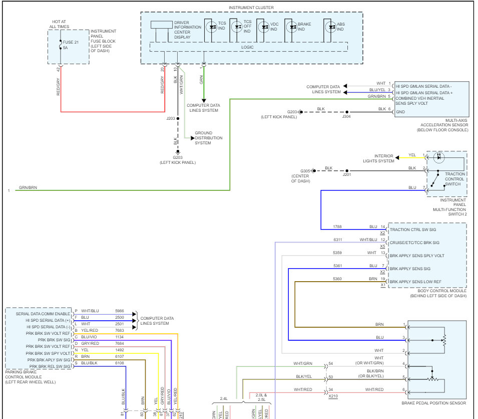
The ALLDATA diagram for this vehicle shows 4 wires going to the EBCM that simply don't exist on my car. The 5v ref, signal A/B and low ref are not present on my EBCM harness. I also checked my Mitchell manual, and the diagram is incorrect as well. This makes me unable to test the circuit any further.

I have attached diagrams detailing the missing terminals. From what I understand, the PSCM gets signal from the sensor and turns it into serial data to send the ECBM. for whatever reason the ECBM is not getting the signal which is good at the steering module. I am simply stumped and am nearly to the point of bringing it in to the dealer, which I would rather not do.

If anyone has access to the correct diagram, I would be truly grateful for it. Any advice is appreciated. Thank you!
Aug 19, 2023 at 8:09 AM
Advertisement
Avatar
JOSH HUTE
  • MEMBER
  • 5 POSTS
Aug 19, 2023 at 8:10 AM
Avatar
STRAILER
  • CERTIFIED EXPERT
  • 53,855 POSTS
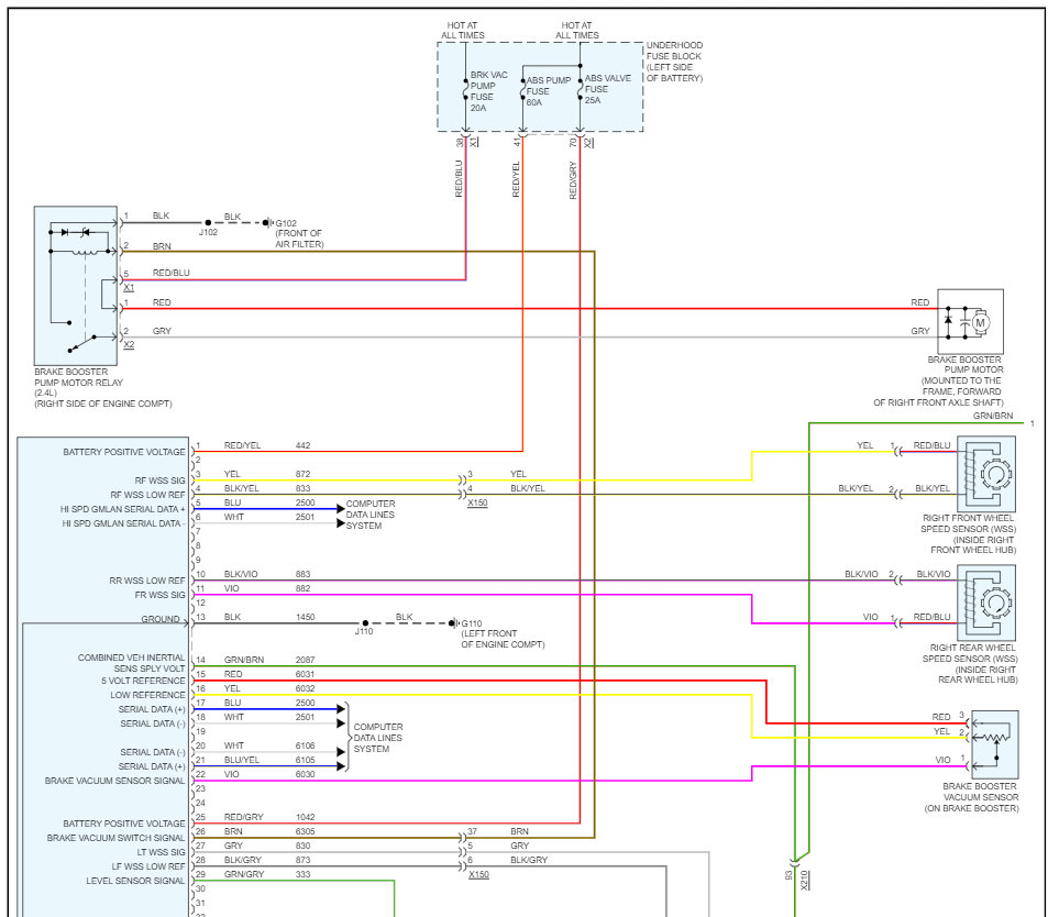
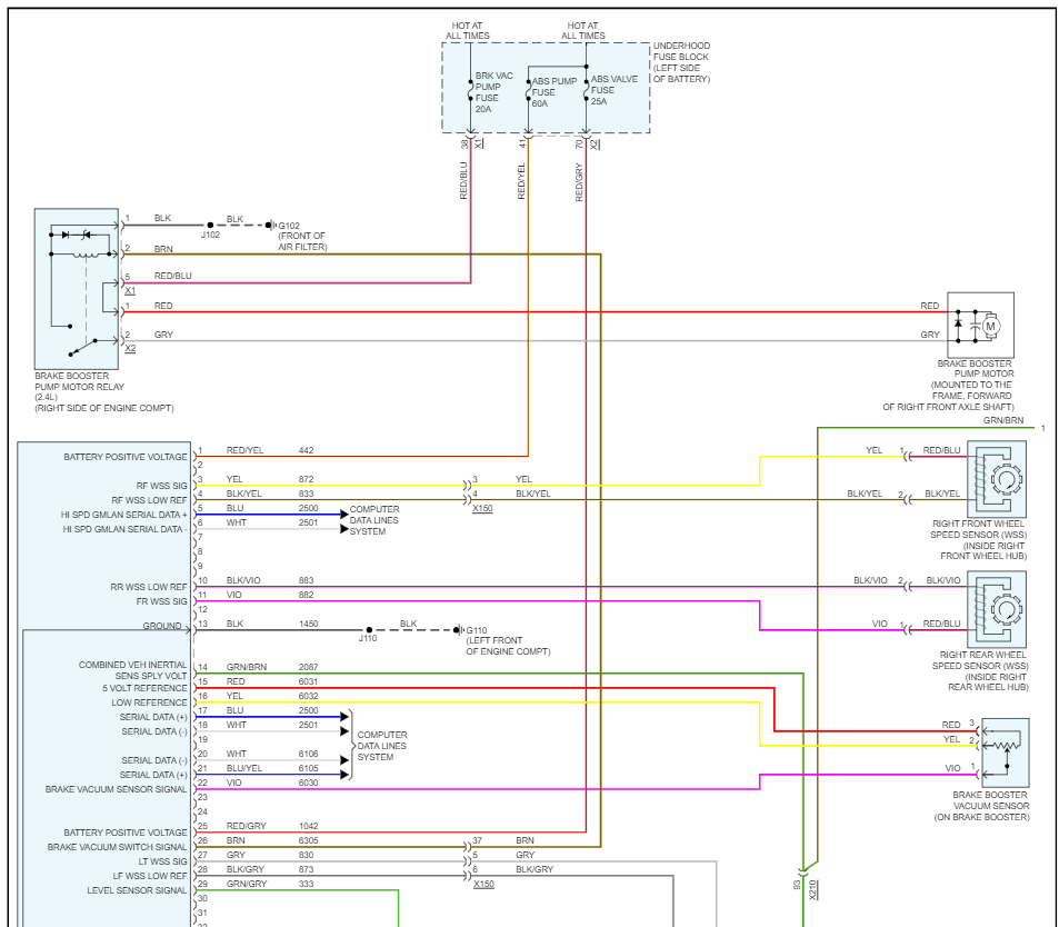
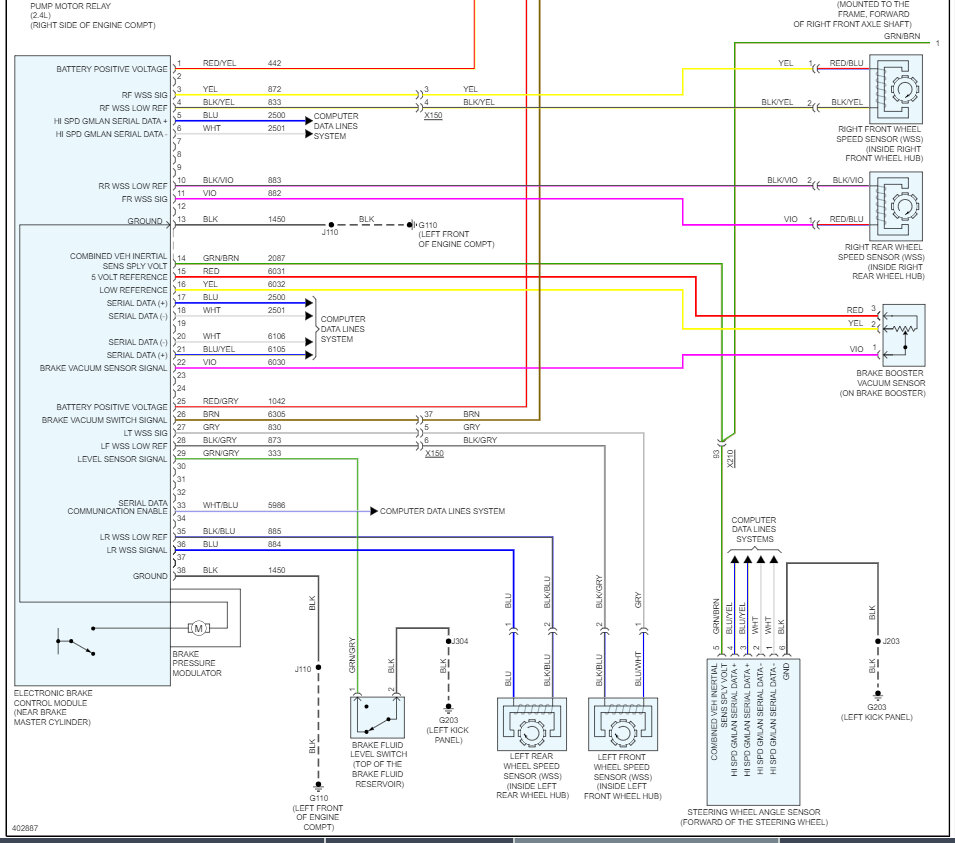
It looks like you have a late production model because the 2013 brake control wiring diagrams are different. Check out the images (below). Please let us know how it goes.
Aug 19, 2023 at 1:10 PM
Advertisement
Avatar
JOSH HUTE
  • MEMBER
  • 5 POSTS
Thank you for the diagram, Ken. If it's a late 2012 model it would make a lot more sense as to why the steering sensor terminals would all be missing from the EBCM harness.

Unfortunately, it appears that the 2013 diagram doesn't correspond to the harness in my vehicle. I think it is correct in that there are only serial data in0puts to the ABS module coming from the steering position sensor/power steering module, so I think this is pointing me in the right direction.

I did find out that the steering column was replaced with a used unit. I'm not sure if this included the power steering control module, or just the shaft, sensor, etc. I replaced the steering position sensor in the column with a new ACDelco one, as well as the EBCM module which I programmed with gm SPS2 to no avail. Since all the circuits look good and I replaced the sensor and ABS module, I feel like it must be a programming or software issue or potentially a hardware and compatibility?

The only two codes are in the ABS module (C0710, U2143), none in the power steering module. The signals at the steering module show up good in tech II, but show up as 0 volts in the EBCM. Thinking that the ABS module can't make sense of the serial data? Not sure.

This one has me stumped. Any input would be worth its weight in gold at this point. Thanks!
Aug 21, 2023 at 6:59 AM
Avatar
STRAILER
  • CERTIFIED EXPERT
  • 53,855 POSTS
If the incorrect steering column has been installed it will need to be removed and the correct one put in its place. The wiring must be correct, I don't think it can be programmed to work correctly.

Tech II shows codes C0710 (steering position signal), and U2143 (lost communication with steering angle sensor).

No wiring for it.
Aug 22, 2023 at 10:21 AM
Avatar
JOSH HUTE
  • MEMBER
  • 5 POSTS
Thank you for the reply. I had made an error in thinking the replacement steering column was incorrect. I was able to get a hold of the shop that did it and confirm the old part number was the same as the one that was swapped in.

So that leaves me with the problem of being unable to find the correct diagram for my electronic brake control module. The cars production date was indeed very late in the last year of production, but even the 2013 diagrams don't resemble the one on my vehicle.

For whatever reason, the two steering position signals which are good at the power steering control module, get jumbled or corrupted on its way to the brake control module. Both signals show 2.5 at the PSCM, but on the ABS module by data shows 2.5 volts for signal one and 0 for signal 2. Is there any additional diagnostic procedures to try or check before throwing in the towel and bringing it in?
Aug 22, 2023 at 10:26 AM
Avatar
STRAILER
  • CERTIFIED EXPERT
  • 53,855 POSTS
I am not too sure what to do here, you might need to take it in, please let me know what they say. Sorry I couldn't be more help.
Aug 24, 2023 at 10:11 AM