is three month interval bulk synthetic oil changes at Walmart okay?

2014 NISSAN VERSA
85,500 MILES • 1.6L • 4 CYL • 2WD • AUTOMATIC
Avatar
ALEX STATHAS
  • MEMBER
  • 71 POSTS
We are doing bulk synthetic oil changes at Walmart every three months, and we put about 950 miles a month on the car, is it okay? I mean the engine won't seize up like other people's engines seize up because of infrequent oil changes, will it seize up?
Feb 12, 2023 at 12:18 AM
Advertisement
Avatar
STRAILER
  • CERTIFIED EXPERT
  • 53,854 POSTS
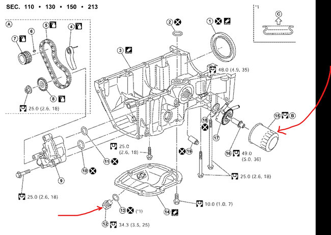
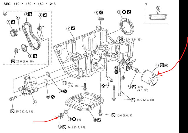
The Walmart synthetic oil is good oil so you have no worries there, also when they do the change make sure to do the oil filter as well, it would be good to check the air filter as well. Here is a generic guide to show you the job being done with instructions in the images below to show you how on your car.

https://www.2carpros.com/articles/how-to-change-engine-oil-and-filter

Engine Oil Type

Grade .................... API certification mark

Viscosity .................... SAE 5W-30
Capacities

Engine Oil Capacity

With filter .................... 3-3/4 qt (3.5L)

Without filter .................... 3-3/8 qt (3.2L)

Dry engine (engine overhaul) .................... 3-3/4 qt (3.5L)

Here is how to reset the oil change reminder:

SERVICE INTERVAL REMINDER (if so equipped)

When the ignition switch is placed in the ON position, a wrench symbol and the distance to oil change information will illuminate on the display for approximately 5 seconds. The wrench symbol and distance to oil change switch to oil display status. Then the oil display status switches to the odometer and twin trip odometer/trip computer information mode that was displayed before the ignition switch was placed in the ACC, OFF or LOCK position.

The oil level display status provides specific information regarding your approximate engine oil level.

If the oil level is sufficient, Oil Good is displayed for approximately 10 seconds. If the oil level is low, Oil Lo blinks for approximately 30 seconds in order to draw your attention to necessary action.

Quickly push and release the trip computer change button A on the instrument panel located near the speedometer B during the Oil Good or Oil Lo mode to display an approximate oil level indication.

Oil change schedule set up

It is possible to adjust the interval distance to oil change by pushing the trip computer change button A on the instrument panel located near the speedometer B for 3 seconds while the wrench symbol and distance to oil change are displayed. The symbol and distance display will start flashing and the display shows the current interval. Push the switch to increase the interval distance. Each step increases the interval distance by 1,000 km (500 miles). The interval distance can be set up to 30,000 km (18,000 miles) after which the display returns to zero.

If no further action is made, the display returns to oil display status indication and the new interval is set.

If the interval distance is set to 0, the display will skip the distance to oil change information and wrench symbol display mode and will directly display the oil display status (Oil Good or Oil Lo). In order to return to the distance to oil change information and wrench symbol display mode, push the trip computer change button (A) on the instrument panel located near the speedometer (B) for approximately 3 seconds after the ignition switch has been turned to the ON position, and adjust the distance to oil change schedule as previously described.

Check the image below and let us know if we can help at anything else.
Feb 12, 2023 at 10:40 AM