☰
Login
Join
×
Home
Answered Questions
Repair Topics
Repair & Service Guides
Popular Questions
Warning Lights
Trouble Codes
How It Works
Testing / Diagnostics
Symptoms
Videos
Login
Become a Member
Home
Saturn
L300
Engine
Starter
Is there such a thing called a starter sensor on the automatic V-6?
2001 SATURN L300
125,000 MILES
TERESA ARNOLD
MEMBER
1 POST
FOLLOW
Doesn't always start. wait 15 minutes. Then usually will.
Dec 19, 2021 at 1:55 PM
Advertisement
ASEMASTER6371
CERTIFIED EXPERT
52,796 POSTS
Good evening,
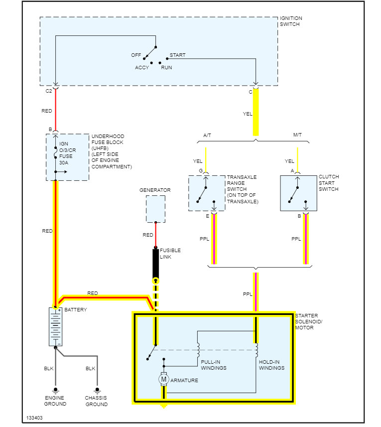
No, there is not. The system has a relay and wiring to the starter.
I would start by cleaning the battery cables really good of all corrosion inside and outside.
https://www.2carpros.com/articles/everything-goes-dead-when-engine-is-cranked
Then when it will not start, check the purple wire at the starter solenoid for power in the start position to see if there is power coming.
https://www.2carpros.com/articles/how-to-check-wiring
https://www.2carpros.com/articles/how-to-use-a-voltmeter
Roy
Image (Click to enlarge)
Dec 19, 2021 at 2:20 PM