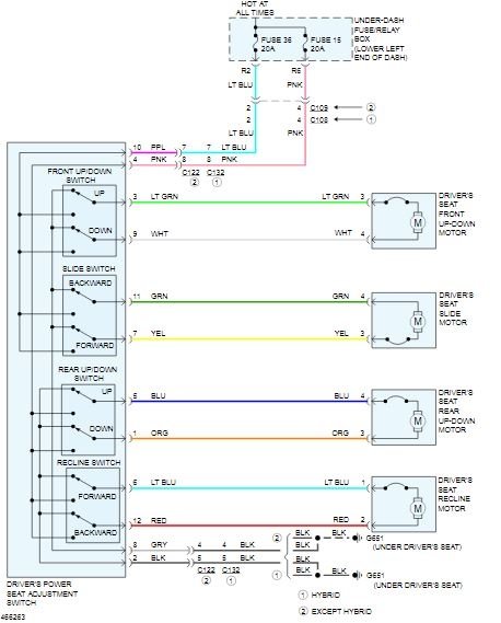
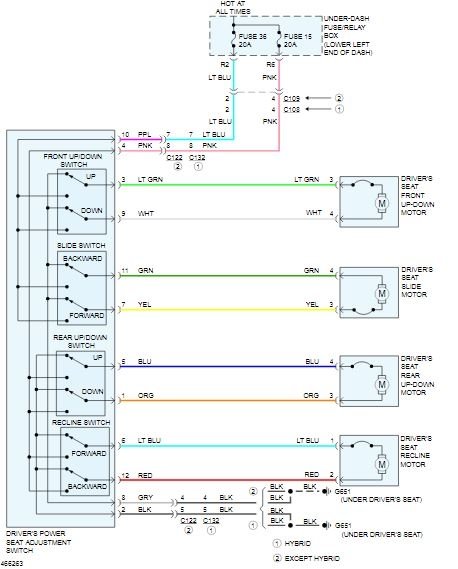
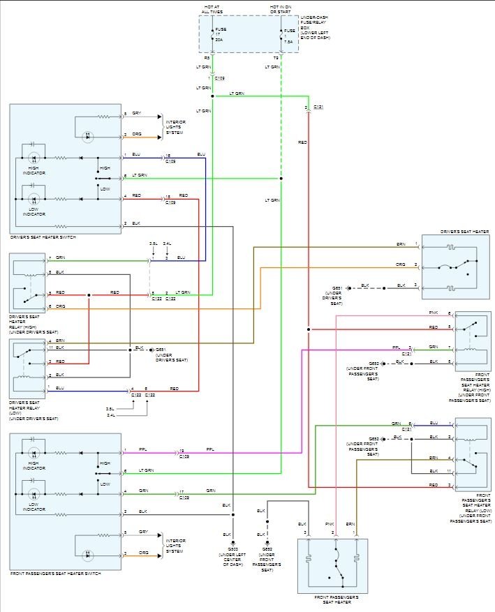
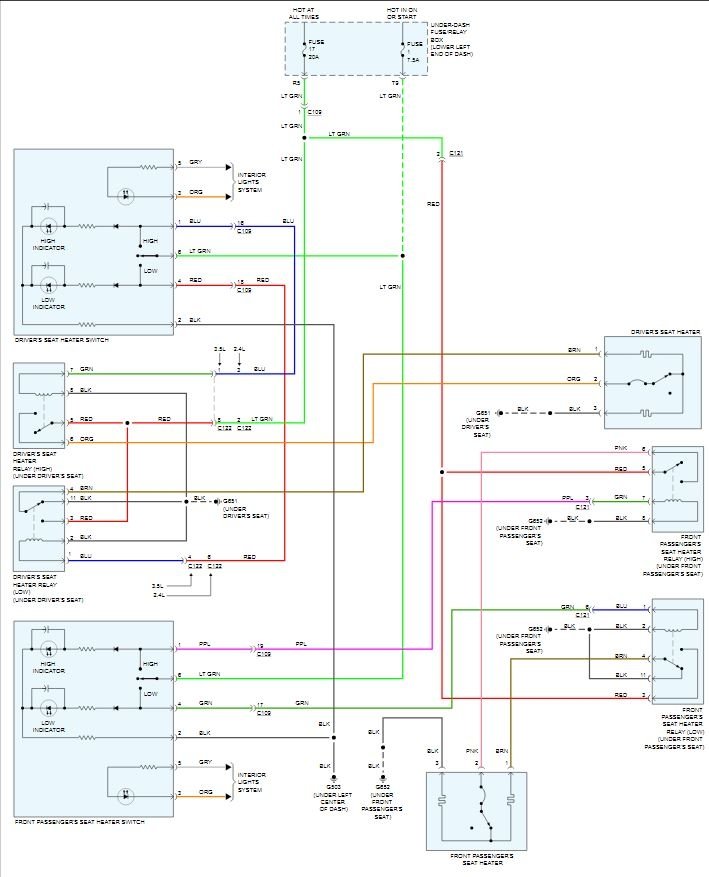
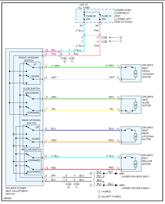
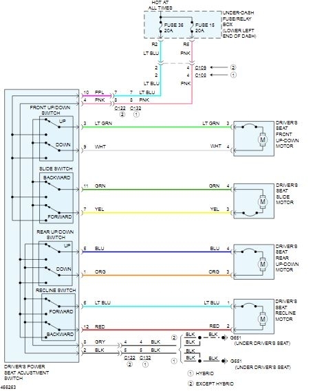
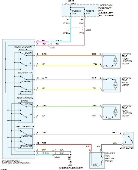
I also have the same problem I have a 2015 Honda Accord lx and I got some leather seats from a 2015 Honda Accord ex-l coupe. I need help on how to run the power and ground and I have no clue it’s for the driver side if you could help me out . I would really appreciate it...
Jun 7, 2021 at 6:47 PM





