After replacing fuel pump and filter engine will not stay running?

1990 CADILLAC FLEETWOOD
74,000 MILES • 4.5L • V8 • 2WD • AUTOMATIC
Avatar
AARAND
  • MEMBER
  • 1 POST
I recently put fuel filter and fuel pump on the car and when I turn the key over it starts but won’t stay running. what could that be? Also the chip in the key is kind of loose but no security lights flash or stays on. what could be the issue ?
Apr 5, 2021 at 7:27 AM
Advertisement
Avatar
KASEKENNY
  • CERTIFIED EXPERT
  • 18,907 POSTS
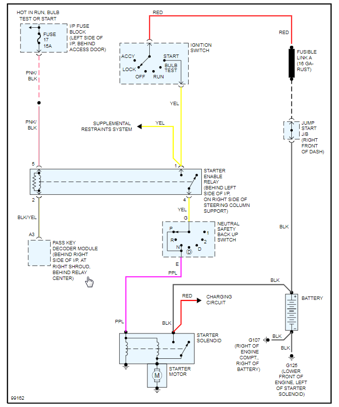
The start and stall is normally an issue with the security system but we need to start with checking the fuel pressure just to rule out a pump issue.

https://www.2carpros.com/articles/how-to-check-fuel-system-pressure-and-regulator

Once we know the fuel pressure we can move on to confirming it is not the key but that will require a new key. The way this works is there is a current passed through the key and the chip is a resistor which needs to decrease the current the expected amount and if it is loose then it may not be dropping it enough and the vehicle thinks it is the wrong key.

Basically the pass key decoder module needs to see the correct voltage or it shuts the vehicle off by cutting the fuel but not after it is able to start for a couple seconds.

Let us know if you have questions. Thanks
Apr 6, 2021 at 7:23 PM