The intermittent wiper function does not work?

2010 JAGUAR XF
79,800 MILES • 3.0L • V6 • 2WD • AUTOMATIC
Avatar
WAYNE #01
  • MEMBER
  • 3 POSTS
The intermittent wiper function doesn't work on the stalk, all other wiper functions do.
Apr 24, 2024 at 1:00 AM
Advertisement
Avatar
TOMEEM
  • MEMBER
  • 0 POST
https://www.tomeem.com/
The appearance design of tomeem’s electric pepper grinder. It features a stylish and simple case design with bright colors that make it attractive at first glance. This compact grinder is very portable and can be easily taken anywhere for use. You can use it to grind fresh pepper anytime, whether at home, picnicking or camping.
Apr 25, 2024 at 1:36 AM
Avatar
STRAILER
  • CERTIFIED EXPERT
  • 53,854 POSTS
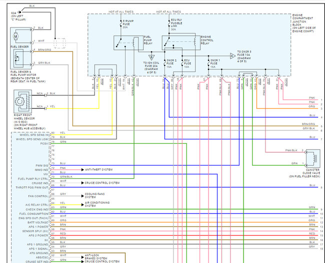
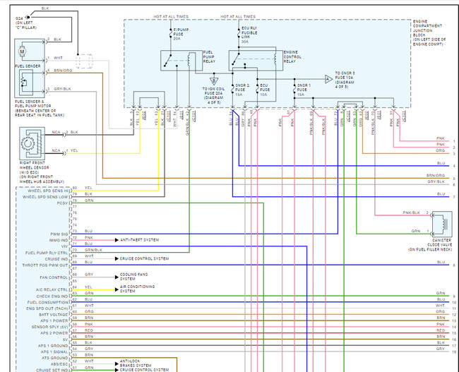
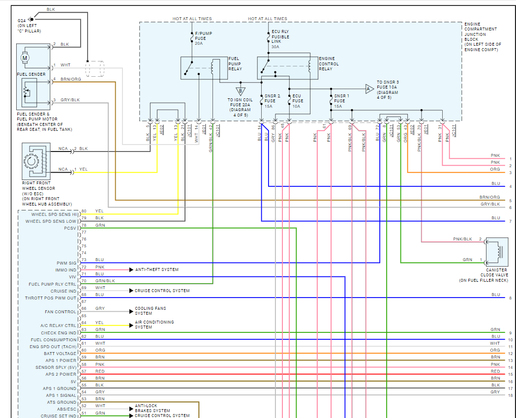
It sounds like the central junction box has gone out, but we should check the fuses and grounds for the system, here is a guide that can help:

https://www.2carpros.com/articles/how-to-check-wiring

Here are the wiper wiring diagrams so you can see how the system works and which fuses to check with the ground locations. Also, you may be able to do a CAN scan to see if any codes come up for the central junction box. You can get a CAN scanner (Controller Area Network) which will work on most cars from Amazon.

Here is a video to show you how:

https://youtu.be/u-4syLc-ifQ

and

https://www.2carpros.com/articles/can-scan-controller-area-network-easy

Here is how to change the CJB out in case you need it. Check out the images (below). Please let us know what happens.

Apr 25, 2024 at 10:26 AM
Advertisement
Avatar
WAYNE #01
  • MEMBER
  • 3 POSTS
Thank you for your answer, I was hoping it would be an issue with the wiper control arm requiring a new one. However, this sounds very complicated and far beyond my comfort zone, but I will pass the information over to a qualified vehicle electrician. Again thank you for your answer.
Apr 26, 2024 at 11:34 PM
Avatar
STRAILER
  • CERTIFIED EXPERT
  • 53,854 POSTS
You are welcome, please let us know what happens.
Apr 27, 2024 at 9:28 AM
Avatar
WAYNE #01
  • MEMBER
  • 3 POSTS
Hi, just an update with the wiper issue, I've just had the windscreen replaced due to a crack that appeared and it turns out that the sensor in the windscreen couldn't sense if it was raining or not as the area between the sensor and the inside of the windscreen was dirty.
May 3, 2024 at 9:15 AM
Avatar
STRAILER
  • CERTIFIED EXPERT
  • 53,854 POSTS
Glad you could get it fixed, thanks for letting us know. Please use 2CarPros anytime we are here to help.
May 3, 2024 at 12:17 PM