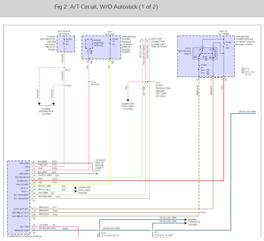
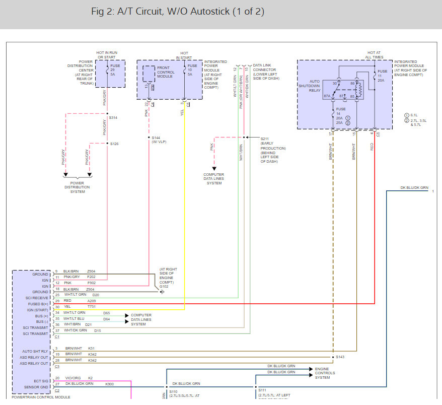
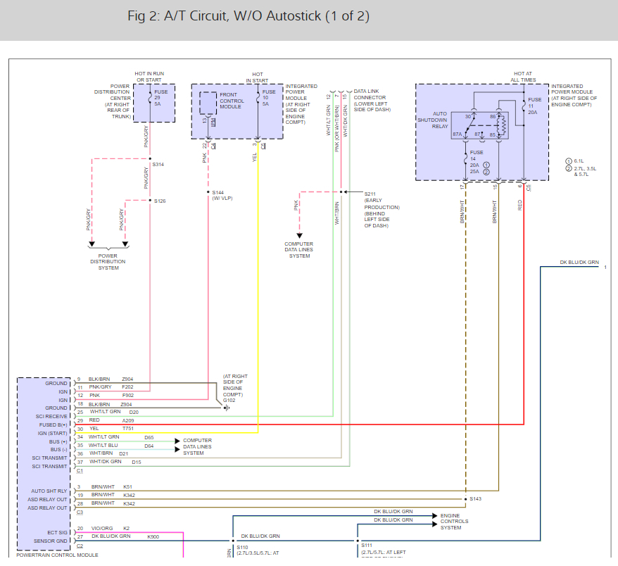
The computer sometimes when it is hot outside will not send voltage to the electronic relay Which send voltage to the solenoid pack and voltage back to the PCM. When I push in and out the c4 connector I restore the voltage and the transmission shifts what could be the problem.
Jul 25, 2018 at 9:59 AM



