Hello, it sounds like you have already come up with a logical answer to the issue. A couple possibilities are that either the incorrect bulb (part number) was installed. Bulbs these days may look alike, but in some cases having someone at an auto parts store look up that bulb's part number and see if the correct one is installed.
Its also possible the bulbs connector was not completely seated all the way and there is a bad connection. Beyond doing a visual inspection of the bulb and wiring, we would move on to checking for the correct full voltage on the turn signal wire and verifying a good ground.
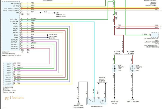
Was the Body Control Module(BCM) checked for any stored trouble codes? The body control module controls the output to the turn signals. I would also be curious to see if the Input into the BCM from the turn signal switch was Ok, under the BCM's live data you should be able to see the turn signal Request to the BCM and then checking the voltage when the input is reading Ok, or On.
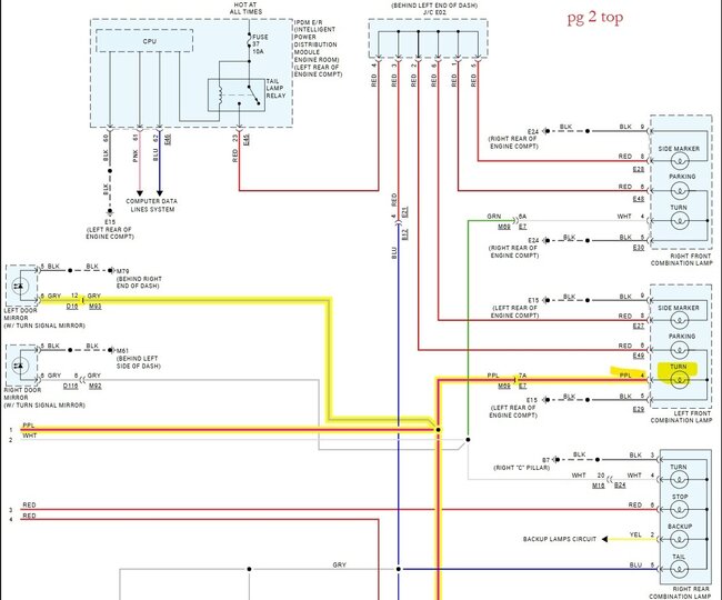
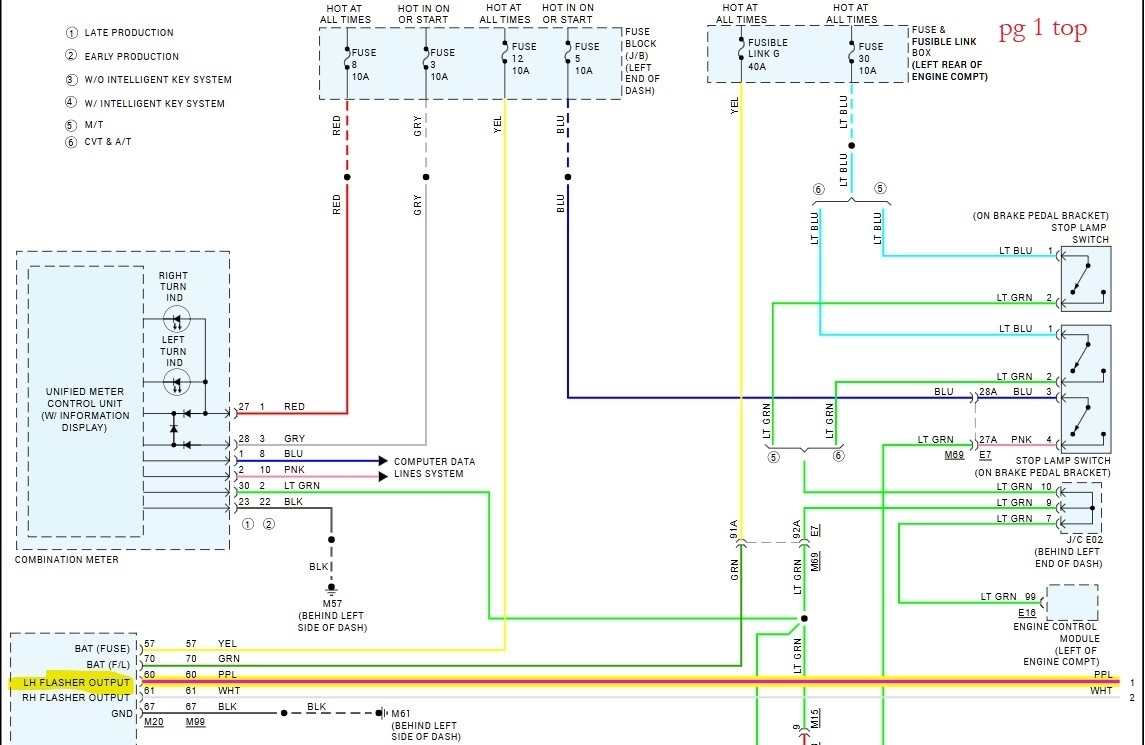
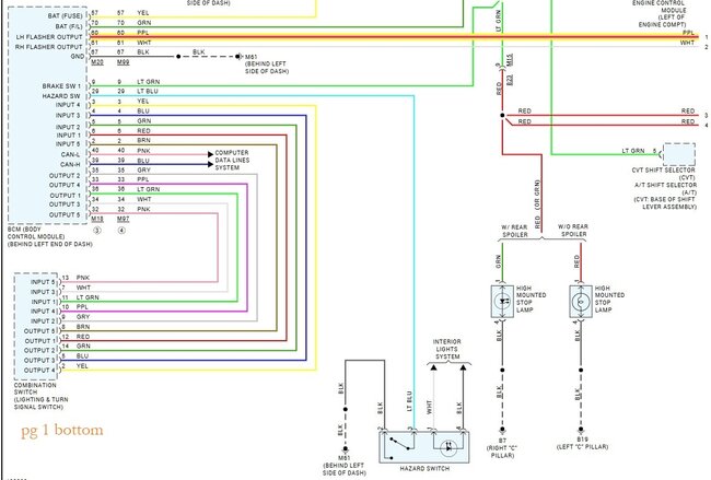
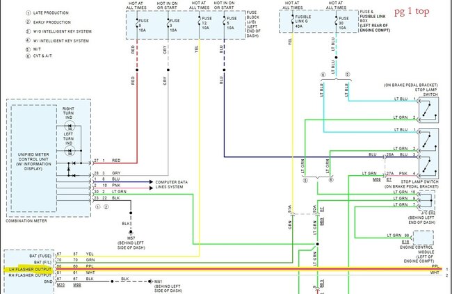
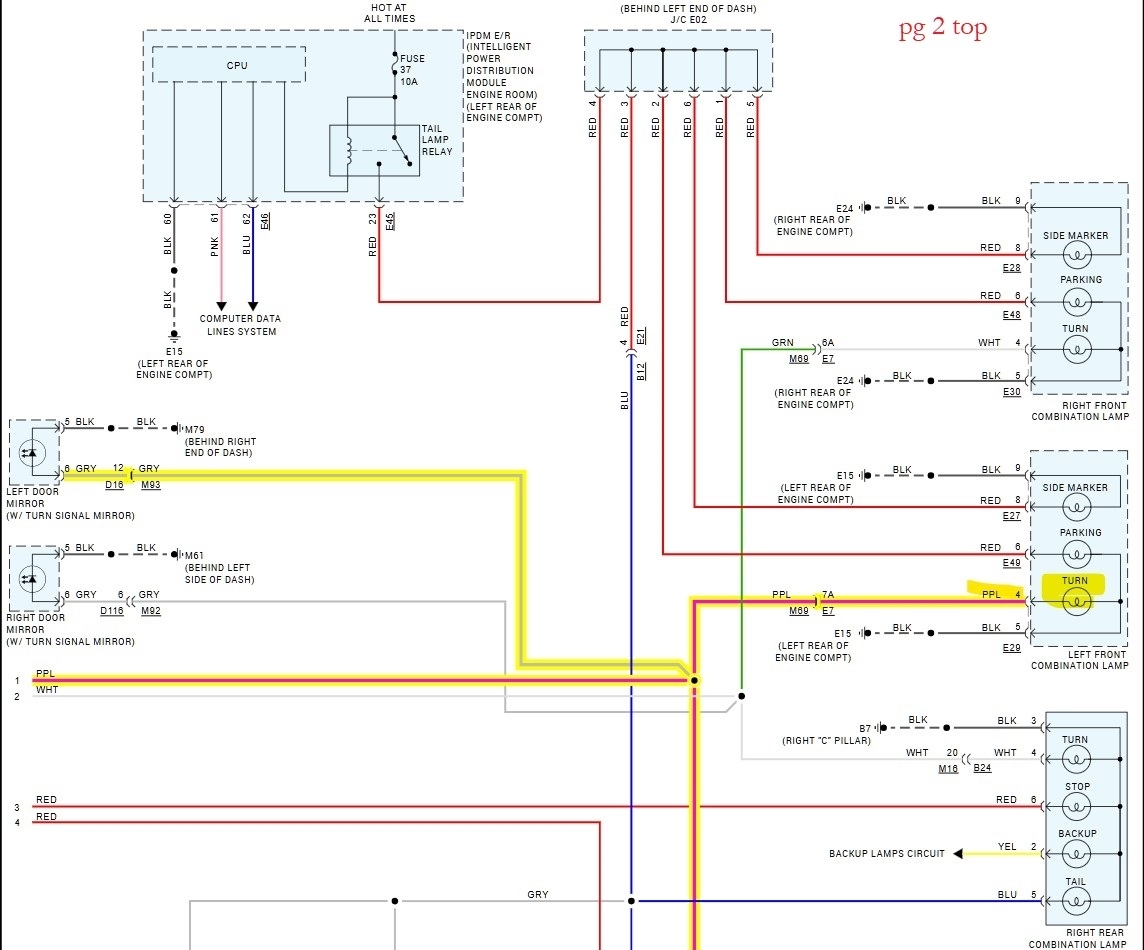
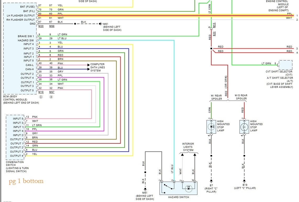
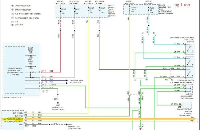
Ill post the wiring diagrams for the exterior lighting for you.
Feb 8, 2026 at 12:01 PM