Intermittent fuse blowing Fuse F34 (20A)?

2015 FORD FIESTA
77,000 MILES • 1.0L • 3 CYL • TURBO • 2WD • MANUAL
Avatar
DUTCHINWALES
  • MEMBER
  • 2 POSTS
Fuse F34 (20A) or the main fuse box blows at random intervals (days/weeks).
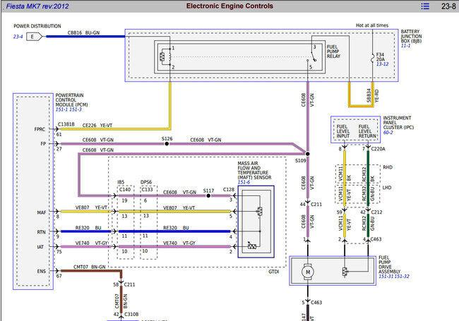
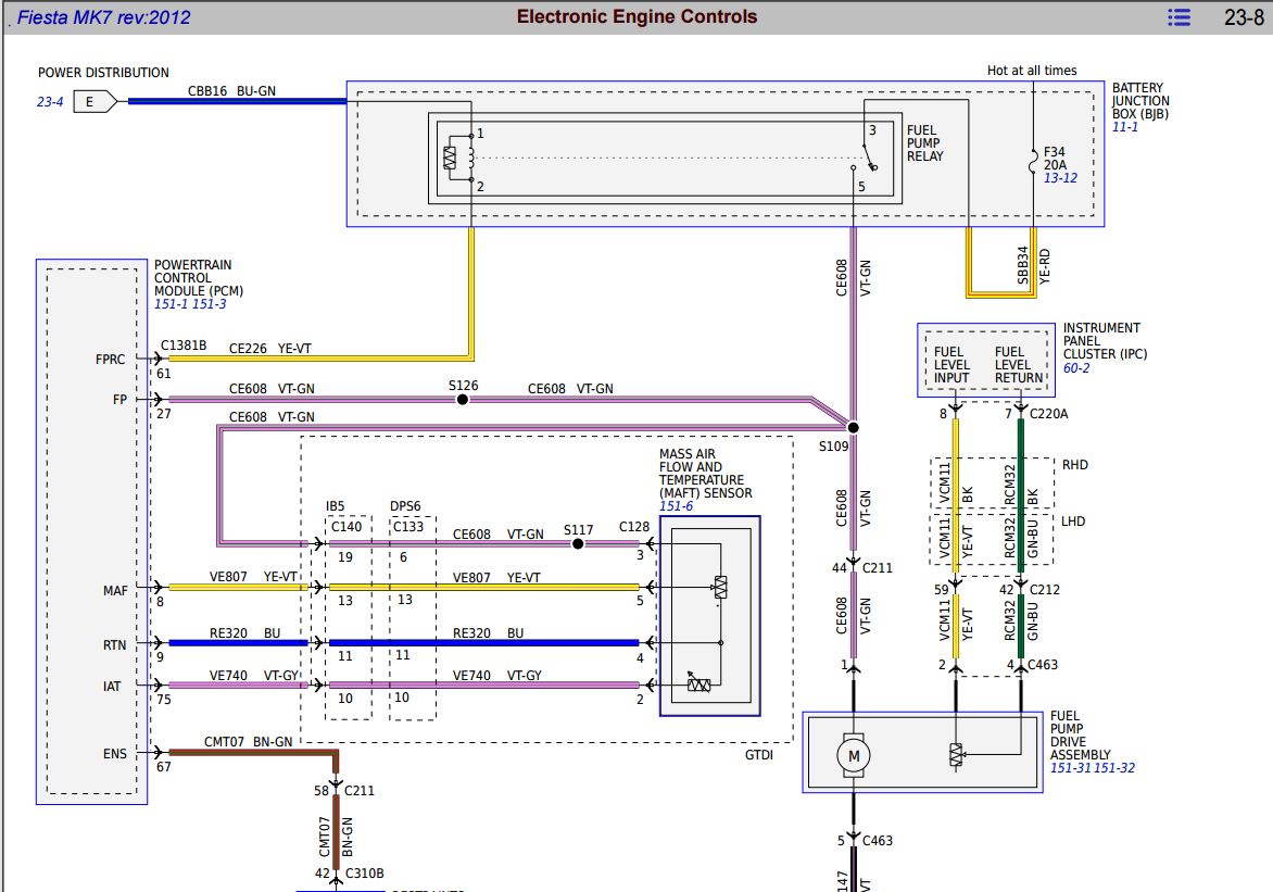
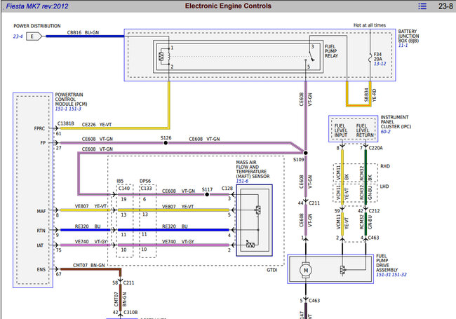
As this fuse provides current to the (in-tank) fuel pump and Mass Airflow sensor) the car will quickly stall when this happens (lack of fuel in engine). The only other connection of this fuse is to the ECU. It looks like this connection is only there so the EXU knows if there is a problem (I.e. blown fuse, or no power to the pump).

Any idea where I should look for the problem? Pump and air sensor have been replaced. Is this likely an intermittent short in the harness? Could there be a short in the ECU? The ECU has 2 connectors; which one is C1831B (I have the wiring diagram and this is where the connection is)?
Oct 5, 2024 at 8:52 AM
Advertisement
Avatar
DUTCHINWALES
  • MEMBER
  • 2 POSTS
Apologies: the fuse which blows is actually F34 (20A fuse).
Oct 5, 2024 at 12:58 PM
Avatar
STRAILER
  • CERTIFIED EXPERT
  • 53,855 POSTS
So fuse #34 in the main fuse panel goes to the BCM here is the wiring diagrams so you can see as well.

The code C1831B on a 2015 Ford Fiesta refers to an issue with the Left Electronic Parking Brake (EPB) so this will be the result of the fuse blowing as well.

I have seen the parking brake actuators go out and cause this issue, but your car does not have this? Can you please double check the code and fuse # and get back to me?
Oct 5, 2024 at 2:38 PM
Advertisement
Avatar
STRAILER
  • CERTIFIED EXPERT
  • 53,855 POSTS
So, fuse #34 in the main fuse panel goes to the TCM and the high-speed cooling fan up at the radiator. here are the wiring diagrams so you can see as well. So, 9 times out of 10 it will be the cooling fan motor, I would try to turn it by hand to see if it spins freely. If not replace the cooling fan motor, here is how. Check out the images (below). Please upload pictures or videos in your response of any problems so we can see what to help you with.
Oct 5, 2024 at 2:42 PM
Avatar
DUTCHINWALES
  • MEMBER
  • 2 POSTS
Hi Ken,

Thank you so much for taking the time to reply. I know there are many different wiring configurations for the Fiesta, but I’m sure mine has fuse 34 connected to the fuel pump, as per the attached wiring diagram.
Any ideas about the chance of the short being in the ECU?
Thanks!
Oct 6, 2024 at 1:44 AM
Avatar
STRAILER
  • CERTIFIED EXPERT
  • 53,855 POSTS
Hmm, What is the VIN for the car, I rechecked the wiring diagrams and found that fuse 34 goes to the BCM. Check out the images (below).
Oct 6, 2024 at 6:44 PM