Intermittent issue with the driver's side turn signal when the headlights are turned on?

2001 HONDA ACCORD
221,000 MILES • 2.3L • 4 CYL • 2WD • AUTOMATIC
Avatar
JBURGESS88
  • MEMBER
  • 7 POSTS
It doesn’t always work, let it sit for a little bit, and it will work with the headlights on, turn the headlights and parking lights off. It works perfectly normal. The first thing I have done was I replaced the combination switch thinking that was the issue it worked fine up until today. Now it is back to doing it again. I am starting to think of condemning the turn signal flasher relay, but I am not sure cause it doesn’t intermittently and it’s hard to pinpoint when it does it what I need to test.
Nov 5, 2024 at 10:58 AM
Advertisement
Avatar
STRAILER
  • CERTIFIED EXPERT
  • 53,855 POSTS
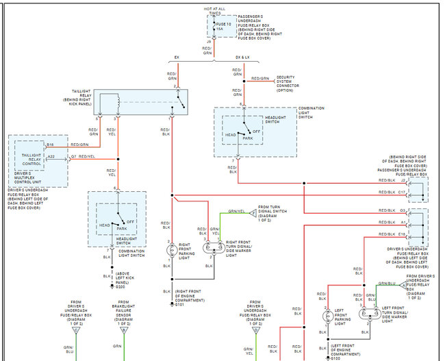
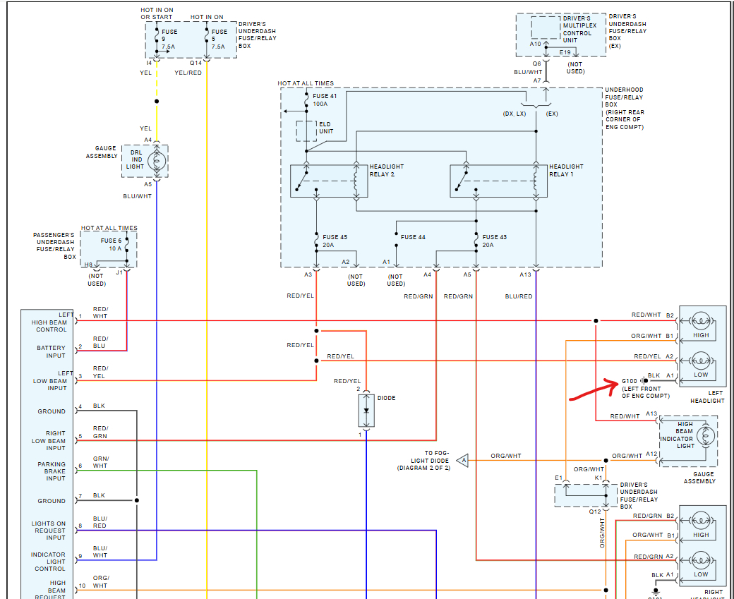
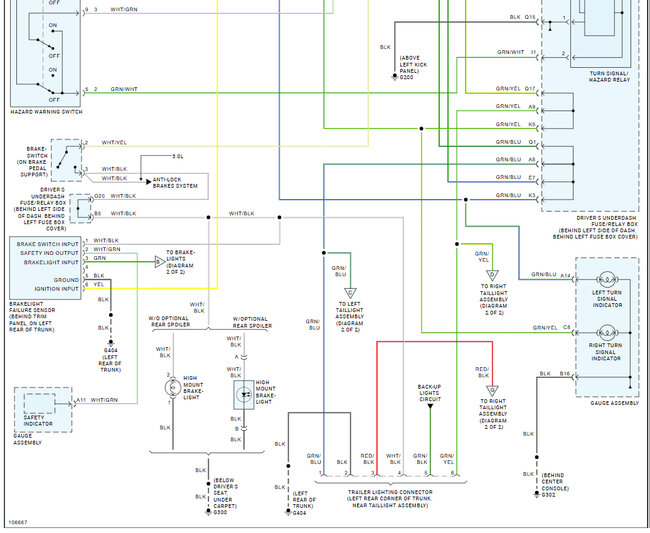
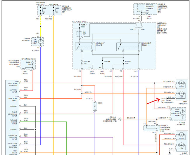
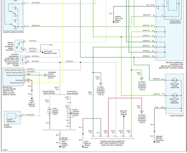
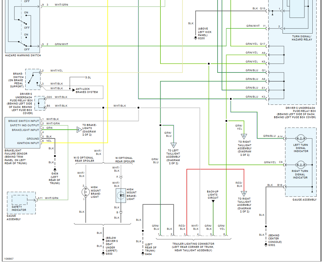
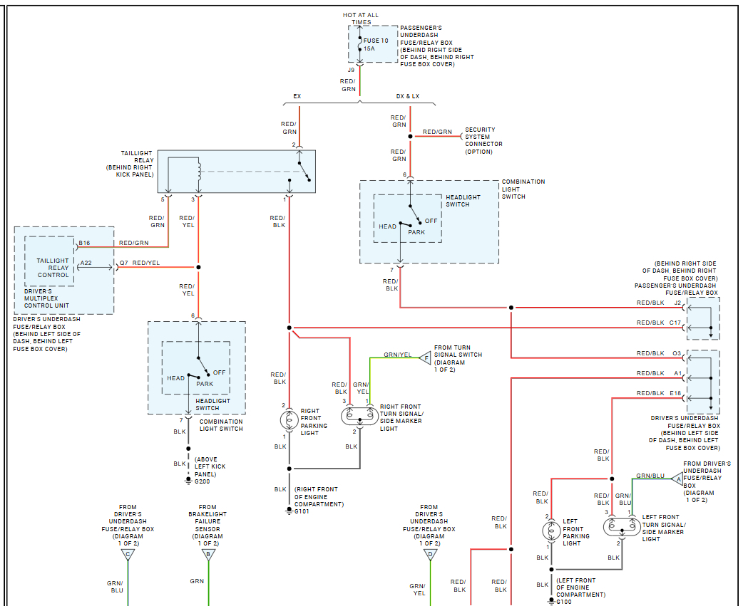
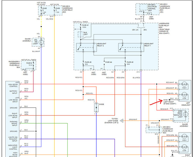
It sounds like the flasher module is going out. I would check the ground at the left side headlamp/blinker (G100) which is on the left side of the engine compartment. Here is the headlamp and blinker wiring diagrams so you can see how the system works. I also have included the flasher location as well for replacement if the ground is good. Check out the images (below). Please upload pictures or videos in your response of any problems so we can see what to help you with.
Nov 5, 2024 at 3:53 PM
Avatar
JBURGESS88
  • MEMBER
  • 7 POSTS
Do you happen to know where exactly g100 is located? Is it right near the headlight underneath it in the fender well? I checked g200 right above the kick panel and it looked good, all grounds intact. Check G 100 tomorrow if I don’t end up having to work.
Nov 5, 2024 at 3:57 PM
Advertisement
Avatar
STRAILER
  • CERTIFIED EXPERT
  • 53,855 POSTS
Sounds good, they don't show us the exact location of the ground, sorry. Let me know what happens.
Nov 6, 2024 at 9:26 AM
Avatar
JBURGESS88
  • MEMBER
  • 7 POSTS
Okay, so if I trace it correctly G 100 is on the driver side inner fender right next to the headlight, I checked that, and all the grounds look good there. No broken wires no corrosion same as on G 200 and I also have uploaded a video of what it is doing because it did it to me on my way to work this morning. And when I got to work, I tried turning the bulb around all of that stuff taking the bulb out seeing if that changed anything it did not the rears still did not activate, and I did not hear the relay click either. And I just checked my hazards, and they are not working with my headlights on.
Nov 6, 2024 at 2:44 PM
Avatar
STRAILER
  • CERTIFIED EXPERT
  • 53,855 POSTS
Yep, it looks like the flasher is bad. Can I ask if you installed LED bulbs?
Nov 7, 2024 at 5:13 PM
Avatar
JBURGESS88
  • MEMBER
  • 7 POSTS
Yes, I have led bulbs in all exterior lights.
Nov 7, 2024 at 5:14 PM
Avatar
STRAILER
  • CERTIFIED EXPERT
  • 53,855 POSTS
Did this problem start once you installed the bulbs?
Nov 8, 2024 at 10:11 AM