Intermittent cruise control not working properly

2010 CHEVROLET AVALANCHE
195,000 MILES • 5.3L • V8 • 2WD • AUTOMATIC
Avatar
TED SHARP
  • MEMBER
  • 3 POSTS
About 50% of the time if I tap my brakes with the cruise on it doesn't resume. I have to mash my brakes again and then reset the cruise. Sometimes if I hit a bump like an over pass the cruise cuts off.
Mar 12, 2021 at 7:37 AM
Advertisement
Avatar
AL514
  • CERTIFIED EXPERT
  • 5,465 POSTS
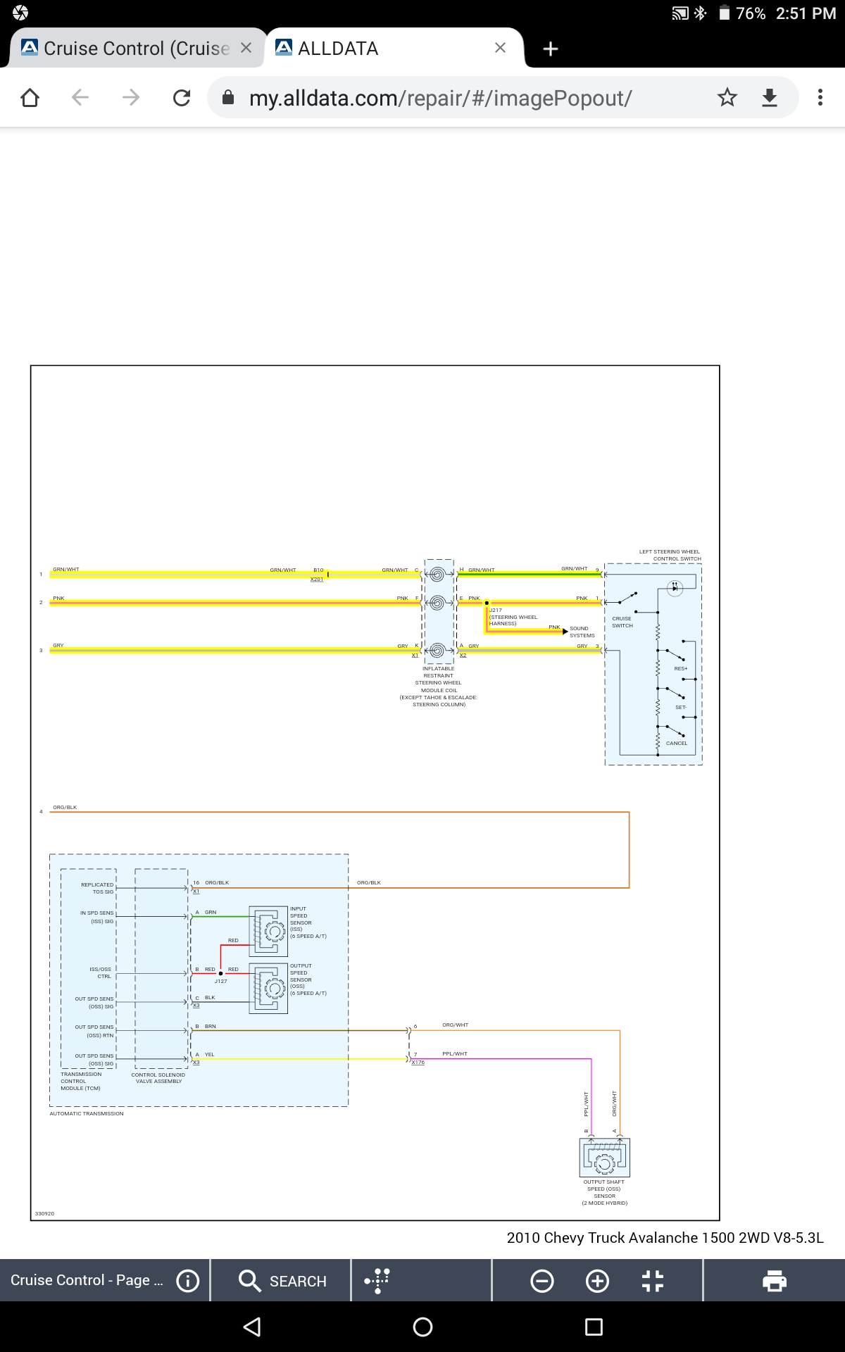
Hello, it sounds like you may have a section of the wiring harness that have worn through, and it sitting on a stub or a place (contact point) where the harness is moving, especially over bumps like you said. Another possibility is there's an intermittent issue with the body control module. It controls the cruise control. Is or has the check engine light been on at any point? I've added the circuit diagrams below, if you're up to testing some circuits. But do a good visual check first, don't move the harness at all, just look for places where there might be damage, or the plastic covering is coming apart. If you have the means to test the wiring circuits, we can talk you through that part. But let us know when you find.

https://www.2carpros.com/articles/how-to-check-wiring

https://www.2carpros.com/articles/how-to-replace-a-bcm-body-control-module
Mar 12, 2021 at 11:59 AM
Avatar
TED SHARP
  • MEMBER
  • 3 POSTS
I can check circuits and there hasn't been any check engine light. I will do what you suggested and let you know . Thanks
Mar 12, 2021 at 12:27 PM
Advertisement
Avatar
AL514
  • CERTIFIED EXPERT
  • 5,465 POSTS
Just try not to move the harness too much, because you might move the problem area away from whatever it might be shorting out on. It's like accidently fixing it and you'll never find the problem after that.
Mar 12, 2021 at 12:39 PM
Avatar
TED SHARP
  • MEMBER
  • 3 POSTS
Thanks. Done that more than once.
Mar 12, 2021 at 12:45 PM