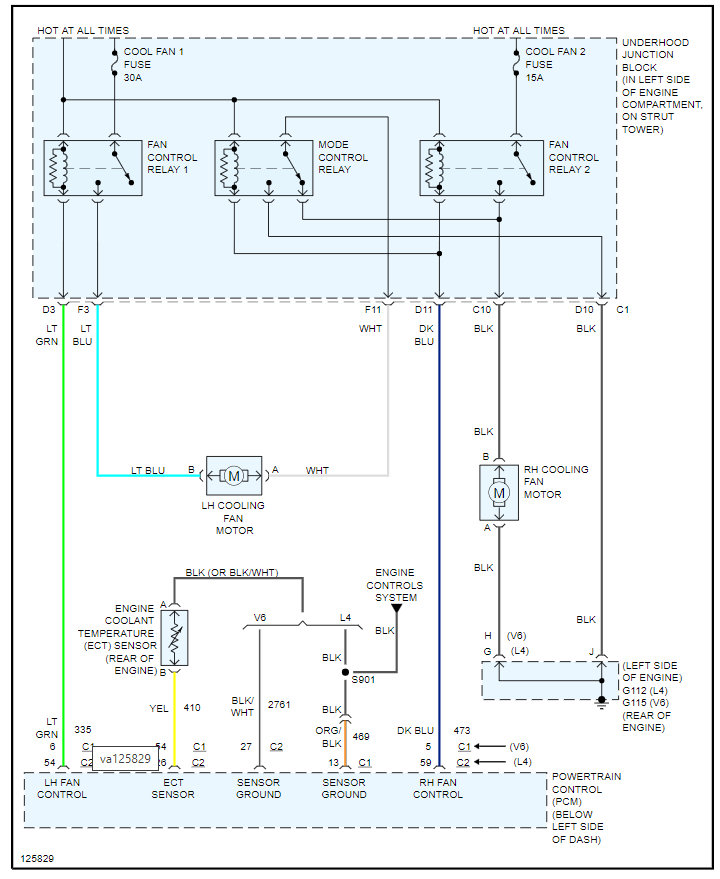
Cooling fan rarely coming on causing overheating within 15 miles of driving. Also doesn't come on when A/C is turned on. With 90° heat selected on climate control "auto" setting the A/C light is lit.. manually set to 90 and A/C light goes out but system blows not nearly as hot as it should. Drive for 15 minutes and car will want to overheat if the fan does by chance come on it will lower the temperature and at least let you get home. All this is done on an 85 degree day.
Thank you!
Thank you!
Sep 8, 2021 at 5:47 PM

