Intermittent A/C compressor not working properly

2005 CHEVROLET EQUINOX
110,000 MILES • 2WD • AUTOMATIC
Avatar
RONH777
  • MEMBER
  • 2 POSTS
Hello!! This A/C usually only cools on low or high speed fan setting, when you switch to a different fan speed the snowflake indicator and compressor turns off. I just tried to make a video and of course it did not perform exactly as usual, some speeds compressor comes on other speeds it shuts off when I switch to that fan speed. But usually, once the compressor comes on it works fine until you switch fan speeds. I replaced the compressor relay, still same issue. Refrigerant levels are good, fan speed is not intermittent. Any ideas are appreciated!!
Jul 5, 2021 at 12:07 PM
Advertisement
Avatar
KASEKENNY
  • CERTIFIED EXPERT
  • 18,907 POSTS
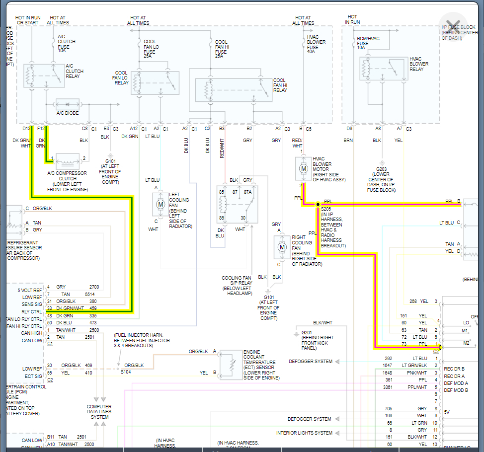
These systems are not directly related and in fact they don't even share a common component. So that means this is a software issue where the changing of the fan speed is telling the HVAC module to tell the PCM to shut off the compressor.

The way it works is when you press the A/C button on the HVAC module, it sends a signal to the PCM that there was a command for A/C and the PCM turns on the compressor.

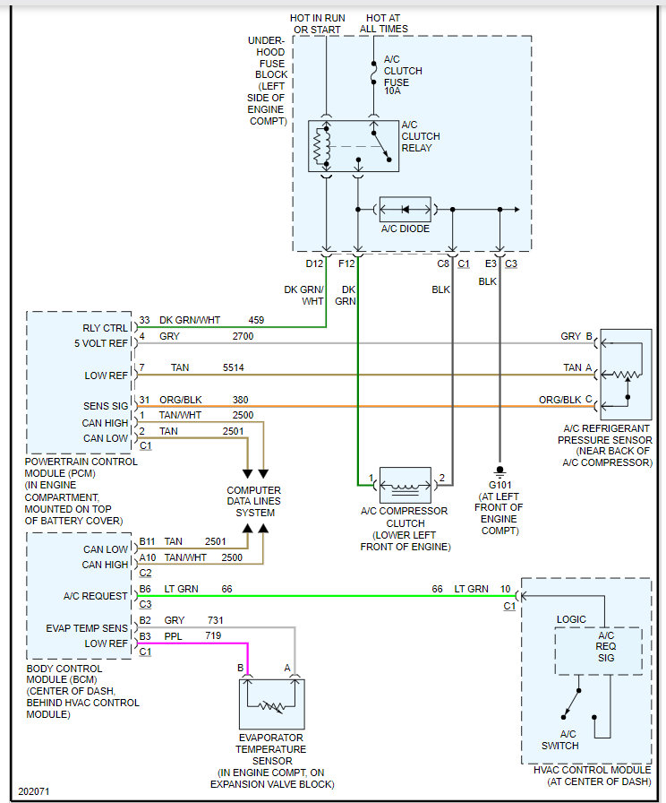
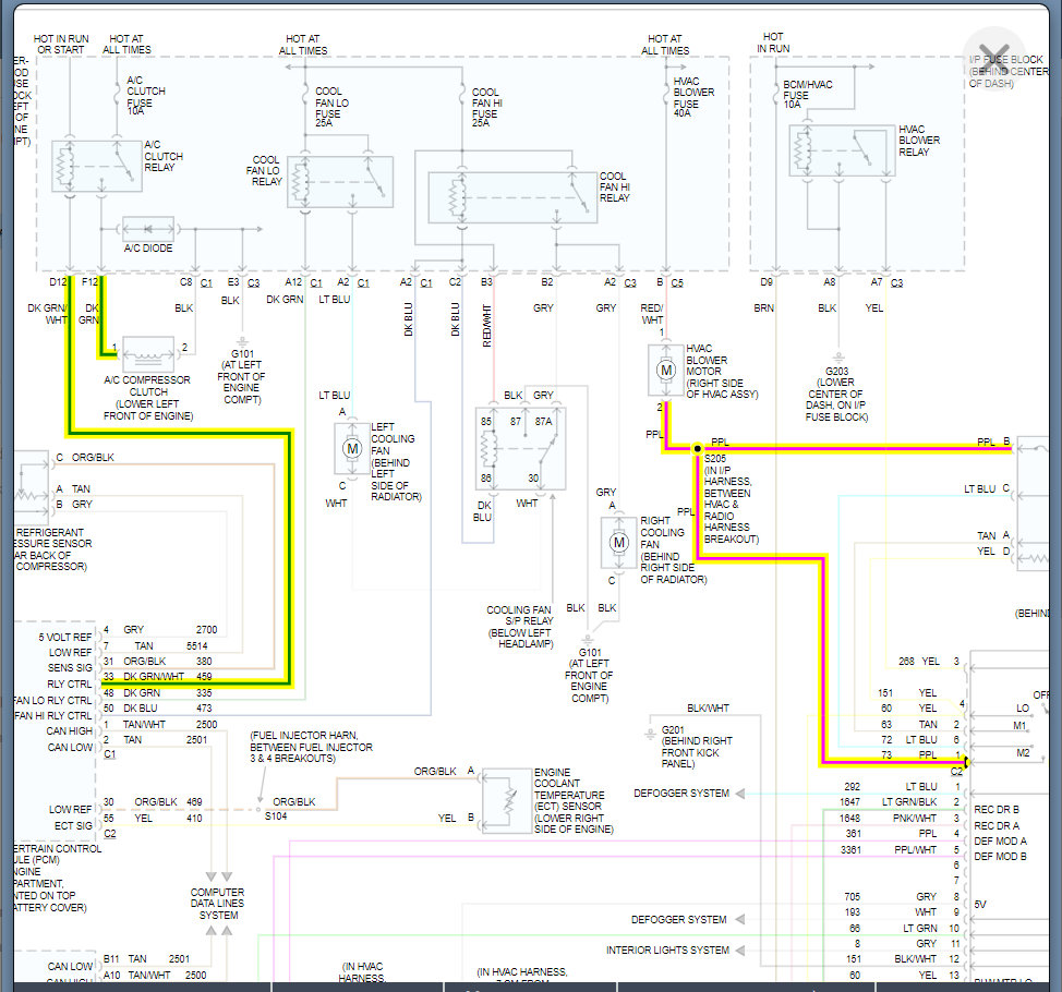
So I suspect the issue is the HVAC control module. The way to confirm this is to test voltage on the A/C request wire (light green) when you have the A/C on and it is working. Then change the blower speed and see if that voltage goes away. If it does then the issue is in the HVAC module and the PCM/compressor are just responding to what the HVAC is telling it to do.

https://www.2carpros.com/articles/how-to-check-wiring

Please see the info below and let us know what you find or if you have questions. Thanks
Jul 6, 2021 at 8:49 AM
Avatar
RONH777
  • MEMBER
  • 2 POSTS
Thank you very much for your helpful info and fast reply! I will look into your suggestions further. Ron
Jul 6, 2021 at 12:56 PM
Advertisement
Avatar
KASEKENNY
  • CERTIFIED EXPERT
  • 18,907 POSTS
Sounds great. Let us know how you make out as I am curious about how it turns out. Thanks
Jul 7, 2021 at 5:31 PM