March 09
Fiancé driving car for about 5 miles round trip. Go to store, restart the car after shopping and turns out of parking lot when the traction light appears , she pulls vehicle back in lot , turns car off and then restarts car light goes off.
March 10
Drive is 24 miles each way.
Driving on expressway as I’m accelerating, changing lanes, traction light comes on , goes into limped for a mode 5-10 secs , rpm gauge drops to 0 and stays at 0 for the remainder of drive . Car allows me to proceed and functions normal the remainder of drive. Got to work, turned car off then back on light goes off. Drive home was normal with no problems
At home try to replicate the problem with a test drive for about 30 minutes. Car drives normal. No lights / codes are below.
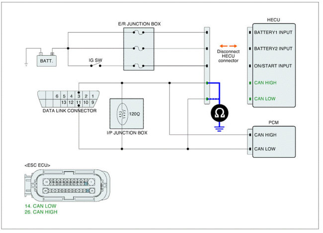
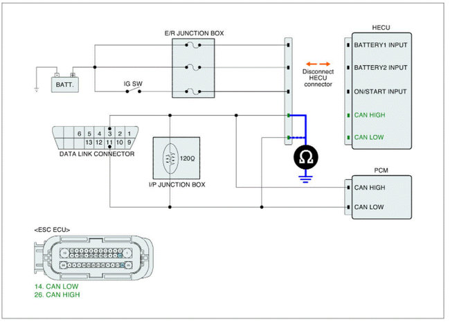
Codes c1643 dtc -comm time out yaw rate and g sensor.
C1611 dtc-lost communication with ECM
March 11
Cleaned throttle body plate with tb on vehicle with MAF cleaner on rag, did move throttle with hand. Started car to go to work check engine light appears, throws code but drives normal to work . Tried a relearn procedure .started car kept rpms at about 3k rpms for 5 mins for a relearn. Turned car off. No light . No problem driving home from work which is 25 miles . Code that was present.
P0106 – dtc-map /barometric pressure circuit range performance.
I cleared code and car drives fine until March 15 after about 150 miles
March 15
traction light appears while driving after making a hard turn but didn’t hit nothing. Only driving about 1/4 mile. Throws code b-1493 ocs communication error . Turned car off then restarted car. It was a hard start traction light stayed on returned home after a 1/4 mile. Turn car off wait a min stared car light is off. Drives normal again. Test drive for another 10 mins . Car is normal
Code b-1493 ocs communication error
Although it seemed live data was slow/lagging in my scan tool but it is only a 200 dollar tool. Example : car went from 800 rpm to 2500 by time tool caught up. I was in idle at stop light again.
March 16
Driving 3 miles was waiting at stop light to change , proceed from stop light, car jerks check engine came on a quick second then disappeared but traction light stayed on . Goes into limp mode, rpm gauge not drops to 0 and remains there the whole ride home. Rough idle for the first few mins when at stop lights. Car then begins to drive normal come to a stop light , proceed from stop light car goes back into limp mode for about 4 blocks then goes back to normal. Get home turn car off. Restart car is normal drive for about 30 mins no lights. Codes below appeared
B1493 ocs communication error, c1611 active cooling fan relay
Drove car to dealer about half hour after test drive which is approx. 8 miles no problem
. After keeping car for two days . Dealer said they only spent a half hour with it and was no help and basically related the same info that you can pull up on google when researching the c1611 code about poetically being three problems and said its either the abs system module, which is obsolete now, the computer ecm which he cant get or problem in wiring harness. Basically no help at all asked dealer if i got a reman ecm or abs can they reprogram/relearn . He said they cant/ don’t recommend because it has a vin already burned in it and the car wont run right. But gave me options to buy a new hyundai
Any suggestions ? Thanks in advance
Also,
I did change the crankshaft position sensor and the driver rear wheel speed sensor after code c1260,c1207,c1611 back in August 2020.
Fiancé driving car for about 5 miles round trip. Go to store, restart the car after shopping and turns out of parking lot when the traction light appears , she pulls vehicle back in lot , turns car off and then restarts car light goes off.
March 10
Drive is 24 miles each way.
Driving on expressway as I’m accelerating, changing lanes, traction light comes on , goes into limped for a mode 5-10 secs , rpm gauge drops to 0 and stays at 0 for the remainder of drive . Car allows me to proceed and functions normal the remainder of drive. Got to work, turned car off then back on light goes off. Drive home was normal with no problems
At home try to replicate the problem with a test drive for about 30 minutes. Car drives normal. No lights / codes are below.
Codes c1643 dtc -comm time out yaw rate and g sensor.
C1611 dtc-lost communication with ECM
March 11
Cleaned throttle body plate with tb on vehicle with MAF cleaner on rag, did move throttle with hand. Started car to go to work check engine light appears, throws code but drives normal to work . Tried a relearn procedure .started car kept rpms at about 3k rpms for 5 mins for a relearn. Turned car off. No light . No problem driving home from work which is 25 miles . Code that was present.
P0106 – dtc-map /barometric pressure circuit range performance.
I cleared code and car drives fine until March 15 after about 150 miles
March 15
traction light appears while driving after making a hard turn but didn’t hit nothing. Only driving about 1/4 mile. Throws code b-1493 ocs communication error . Turned car off then restarted car. It was a hard start traction light stayed on returned home after a 1/4 mile. Turn car off wait a min stared car light is off. Drives normal again. Test drive for another 10 mins . Car is normal
Code b-1493 ocs communication error
Although it seemed live data was slow/lagging in my scan tool but it is only a 200 dollar tool. Example : car went from 800 rpm to 2500 by time tool caught up. I was in idle at stop light again.
March 16
Driving 3 miles was waiting at stop light to change , proceed from stop light, car jerks check engine came on a quick second then disappeared but traction light stayed on . Goes into limp mode, rpm gauge not drops to 0 and remains there the whole ride home. Rough idle for the first few mins when at stop lights. Car then begins to drive normal come to a stop light , proceed from stop light car goes back into limp mode for about 4 blocks then goes back to normal. Get home turn car off. Restart car is normal drive for about 30 mins no lights. Codes below appeared
B1493 ocs communication error, c1611 active cooling fan relay
Drove car to dealer about half hour after test drive which is approx. 8 miles no problem
. After keeping car for two days . Dealer said they only spent a half hour with it and was no help and basically related the same info that you can pull up on google when researching the c1611 code about poetically being three problems and said its either the abs system module, which is obsolete now, the computer ecm which he cant get or problem in wiring harness. Basically no help at all asked dealer if i got a reman ecm or abs can they reprogram/relearn . He said they cant/ don’t recommend because it has a vin already burned in it and the car wont run right. But gave me options to buy a new hyundai
Any suggestions ? Thanks in advance
Also,
I did change the crankshaft position sensor and the driver rear wheel speed sensor after code c1260,c1207,c1611 back in August 2020.
Mar 19, 2022 at 2:36 AM




















