Intermittent blower motor failure

2015 HONDA CIVIC
72,000 MILES • 4 CYL • 2WD • AUTOMATIC
Avatar
BLAZE45
  • CERTIFIED EXPERT
  • 380 POSTS
Blower motor slows near 0-15 rpm's, then up to maybe 100 rpm, then back down, up, down, up, down, etc. Never reaches full speed, so never cools car.

Sometimes it stops working all together.
Sep 23, 2019 at 9:09 AM
Advertisement
Avatar
STRAILER
  • CERTIFIED EXPERT
  • 53,854 POSTS
Hello,

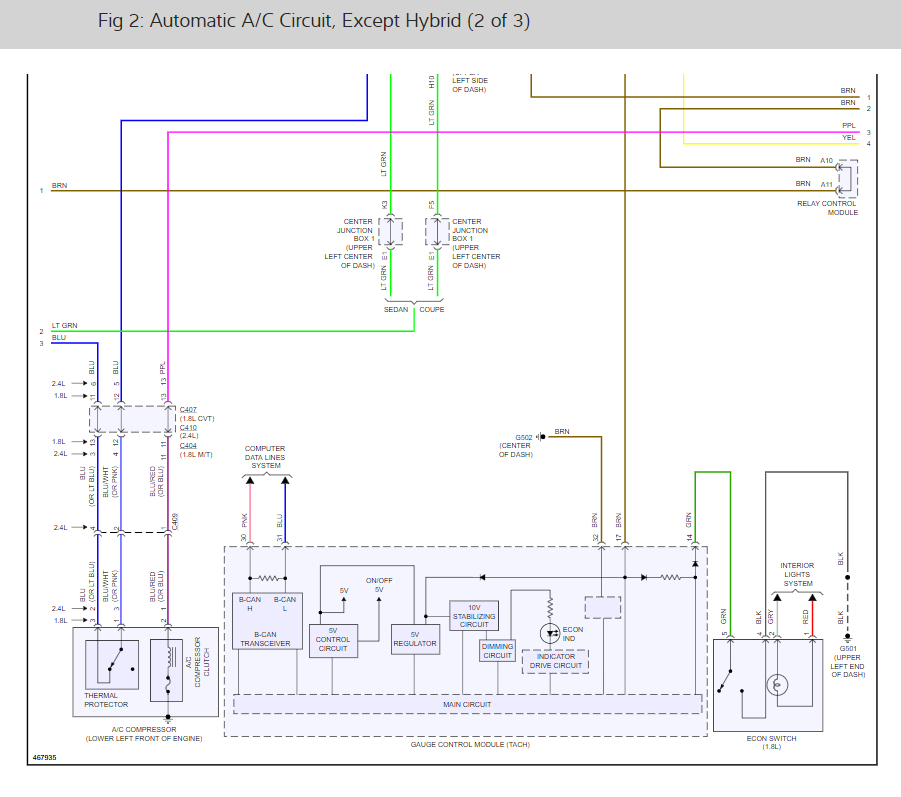
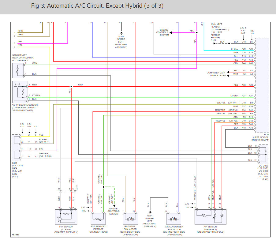
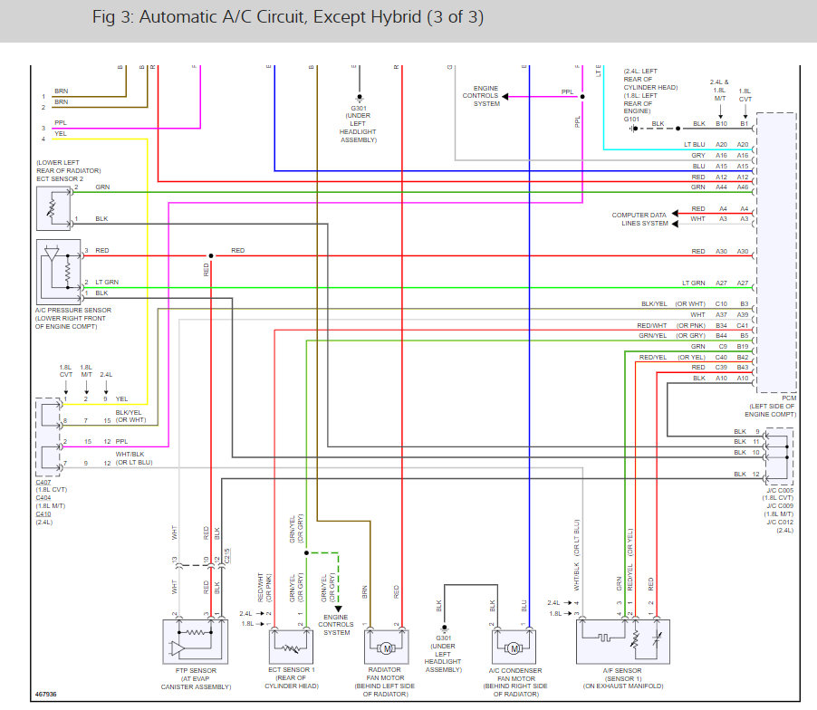
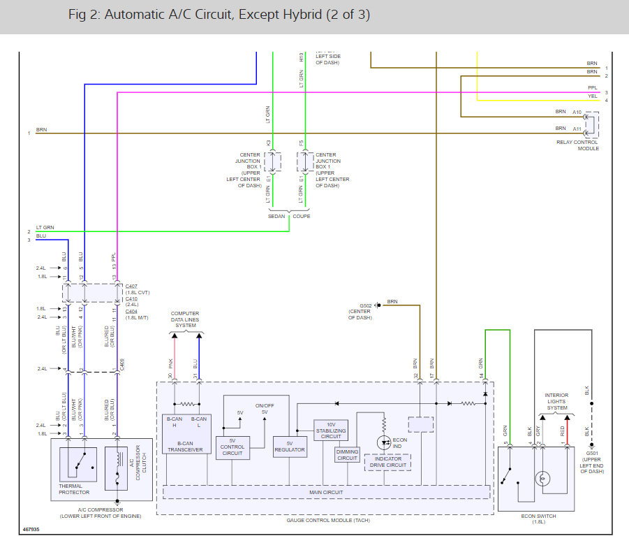
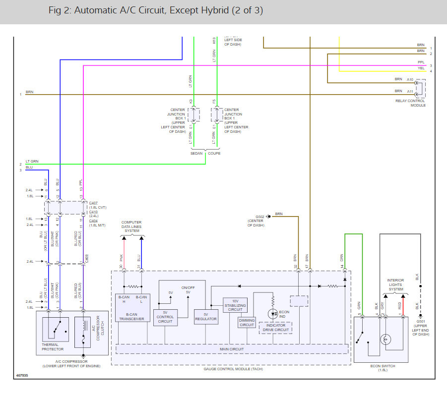
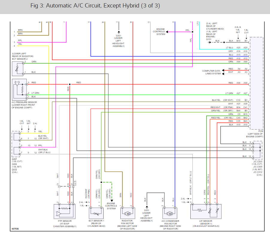
This sounds like you have a blower motor transistor that is out. here is the blower motor and air conditioner wiring diagrams so you can see how the system works with the location of the part that needs to be replaced. This guide can help walk you through some basic testing as well.

https://www.2carpros.com/articles/blower-fan-motor-works-on-high-speed-only

Check out the diagrams (below). Please let us know what happens.
Sep 24, 2019 at 12:46 PM
Avatar
BLAZE45
  • CERTIFIED EXPERT
  • 380 POSTS
Well, I replaced both the fan and transistor. I don't know if this fixed the issue because it is on my girlfriends car and I am breaking up with her today. The fan is still noisy but I think that is just a characteristic of these fan motors/cars. Thank you for your help.
Sep 27, 2019 at 9:07 AM
Advertisement
Avatar
STRAILER
  • CERTIFIED EXPERT
  • 53,854 POSTS
Nice work, we are here to help, please use 2CarPros anytime.
Sep 27, 2019 at 5:05 PM
Avatar
DEO
  • MEMBER
  • 12 POSTS
originally, i had fan control but it was blowing hot air. i replenished the coolant an all of a sudden i have no power on any fan control settings. the fuse checked good. disconnected the blower fan wires and checked for power-no power with key and fan control on. disconnected the blower resistor wires thinking its the resistor-no power with the key and fan control on.
Sep 29, 2019 at 9:41 AM (Merged)
Avatar
SATURNTECH9
  • CERTIFIED EXPERT
  • 30,869 POSTS
So do you have manual blower fan or automatic?Also all the blower fans i have seen run the ground thru the resistor to control the fan speed.
Sep 29, 2019 at 9:41 AM (Merged)
Avatar
DEO
  • MEMBER
  • 12 POSTS
not sure what you mean by manual or automatic. shouldnt i get power though with the blower disconnect? please elaborate.
also, the initial problem was it was only blowing cold air with the temp setting on heat-sorry.
Sep 29, 2019 at 9:41 AM (Merged)
Avatar
SATURNTECH9
  • CERTIFIED EXPERT
  • 30,869 POSTS
Do have a temp you can set for your a/c temp setting or do you just have a cold to hot slider control?With the key in the run position and the blower fan speed set at any speed you should have full battery voltage to the blower motor.The ground side of the blower fan is controled thru the blower switch then thru the resistor.
Sep 29, 2019 at 9:41 AM (Merged)
Avatar
DEO
  • MEMBER
  • 12 POSTS
i have a round temp control knob(bottom left to middle top is for cold and middle top to bottom right is for heat).
thats what i thought but i wasnt getting voltage at the blower and neither at the resistor. so im not sure if its the fan control head or switch. not sure how to check that or even to begin taking the panel to access it.
Sep 29, 2019 at 9:41 AM (Merged)
Avatar
KHLOW2008
  • CERTIFIED EXPERT
  • 41,814 POSTS
At the blower motor, you must have voltage at the white wire. If voltage is not available, check the blower motor relay in underhood fuse box.

Check Fuse # 9 (40 A). It is for the blower motor.
Sep 29, 2019 at 9:41 AM (Merged)
Avatar
DEO
  • MEMBER
  • 12 POSTS
there are several relays there, which one is the blower motor relay and how do i check if its faulty?
Sep 29, 2019 at 9:41 AM (Merged)
Avatar
DEO
  • MEMBER
  • 12 POSTS
checked fuse #9 (40A) and its good. checked for voltage on fuse terminal and i got full voltage
Sep 29, 2019 at 9:41 AM (Merged)
Avatar
RMW77
  • MEMBER
  • 1 POST
The blower motor will only start up if I pound it under the dash on the passenger side. The knob will be turned all the way up, but the motor will only go at less than half speed. If I turn it off, it won't start up again unless I pound it again. I checked all the fuses and they were fine.
Sep 29, 2019 at 9:41 AM (Merged)
Avatar
KHLOW2008
  • CERTIFIED EXPERT
  • 41,814 POSTS
Use a fused jumper wire across terminal 1 and 2 and check if voltage is available at the blower motor.

Swap the relay with the radiator fan control relay to test.
Sep 29, 2019 at 9:41 AM (Merged)
Avatar
CATAFINA
  • CERTIFIED EXPERT
  • 167 POSTS
Could be binding inside you need to open it up and inspect or on its way out
Sep 29, 2019 at 9:41 AM (Merged)
Avatar
DEO
  • MEMBER
  • 12 POSTS
im still not sure which relay is which. could you please explain.
Sep 29, 2019 at 9:41 AM (Merged)
Avatar
CARADIODOC
  • CERTIFIED EXPERT
  • 34,306 POSTS
That's typical of worn brushes inside the motor. Replacement motors aren't usually real expensive.
Sep 29, 2019 at 9:41 AM (Merged)
Avatar
SATURNTECH9
  • CERTIFIED EXPERT
  • 30,869 POSTS
Again like i said before the the resistor is the ground side of the circuit so if you dont have power there.So with the key in the run position and the blower fan turned on and set at any speed do you power at the white wire at the blower motor?You never did say also is the under hood fuse box lid labeled or the fuse box itself to which relay is for the blower fan?
Sep 29, 2019 at 9:41 AM (Merged)
Avatar
DEO
  • MEMBER
  • 12 POSTS
theres no power at the white wire at the blower motor with the key in the run position at any fan speed settings. the fuses are labeled but for the relays its just symbols.
Sep 29, 2019 at 9:41 AM (Merged)
Avatar
SATURNTECH9
  • CERTIFIED EXPERT
  • 30,869 POSTS
Alright if khlow2008 doesnt beat me to it i will post a diagram showing all the relays when i get home in front of a computer.
Sep 29, 2019 at 9:41 AM (Merged)
Avatar
DEO
  • MEMBER
  • 12 POSTS
thank you so much for you guys' time. i really appreciate it.
Sep 29, 2019 at 9:41 AM (Merged)
Avatar
KHLOW2008
  • CERTIFIED EXPERT
  • 41,814 POSTS
Center row, 2nd relay is the blower motor relay. Diagram seems to be very blurred so no point posting it.
Sep 29, 2019 at 9:41 AM (Merged)
Avatar
SATURNTECH9
  • CERTIFIED EXPERT
  • 30,869 POSTS
Iposted the diagram anyways i know its blurry but you can still make out the numbers you need.The number is 2 for the blower fan relay and khlow2008 said to swap it with relay number 4.
Sep 29, 2019 at 9:41 AM (Merged)
Avatar
DEO
  • MEMBER
  • 12 POSTS
2 and 4 are different relays. 1 and 2 relays are the same and i swapped them out but no luck. also, im not sure which ones are the relay terminals 1 and 2 to try to connect a fused jumper
Sep 29, 2019 at 9:41 AM (Merged)
Avatar
KHLOW2008
  • CERTIFIED EXPERT
  • 41,814 POSTS
The two terminals that are wider apart would be the terminals to connect.
Sep 29, 2019 at 9:41 AM (Merged)
Avatar
DEO
  • MEMBER
  • 12 POSTS
the top left and bottom left terminals?
Sep 29, 2019 at 9:41 AM (Merged)
Avatar
KHLOW2008
  • CERTIFIED EXPERT
  • 41,814 POSTS
I can't see it clearly but they should be side by side. If you look at the relay pins you would understand. Ensure you have battery voltage at one terminal with ignition OFF.
Sep 29, 2019 at 9:41 AM (Merged)
Avatar
DEO
  • MEMBER
  • 12 POSTS
ok i jumpered the terminal on the right and the one in the middle and i got full voltage on the white wire at the blower with the ignition off.
Sep 29, 2019 at 9:41 AM (Merged)
Avatar
DEO
  • MEMBER
  • 12 POSTS
what is the next step please?
Sep 29, 2019 at 9:41 AM (Merged)
Avatar
KHLOW2008
  • CERTIFIED EXPERT
  • 41,814 POSTS
Lets forget about previous work and start with this.

HOW TO USE THE SELF-DIAGNOSTIC FUNCTION

The HVAC control unit has a self-diagnostic function for heating, ventilation, and air conditioning system. To run the self-diagnostic function, do the following:

1. Turn the ignition switch to LOCK (0).

2. Press and hold the recirculation control and rear window defogger buttons, turn the ignition switch to ON (II).

3. The recirculation indicator turns on for 2 seconds, then the self-
diagnostic function begins.

NOTE:
The blower motor will run at various speeds when in the self-diagnostic mode.

In the case of multiple problems, the recirculation
indicator will blink the lowest number DTC only.

If no DTCs are found, the indicator will not blink.


DTC INDICATOR 6: A PROBLEM IN THE BLOWER MOTOR CIRCUIT

1. Turn the ignition switch to LOCK (0), and then turn it to ON (II).

2. Do the self-diagnostic with the HVAC control unit.

3. Check for DTCs. Is DTC 6 indicated?

YES - Go to step 4.

NO - Intermittent failure. Check for loose wires or poor connections on the blower motor circuit.

4. Turn the ignition switch to LOCK (0).

5. Check the No. 9 (40 A) fuse in the under-hood fuse/relay box, and the No. 36 (10 A) fuse in the under-dash fuse/relay box. Are the fuses OK?

YES - Go to step 6.

NO - Replace the fuses, and recheck. If the fuses blow again, check for a short in the No. 9 (40 A) and No. 36 (10 A) fuses circuit.

6. Connect the blower motor 2P connector terminal No. 2 to body ground with a jumper wire.

7. Turn the ignition switch to ON (II). Does the blower motor
run?

YES - Go to step 8.

NO - Go to step 24.

8. Turn the ignition switch to LOCK (0).

9. Disconnect the jumper wire.

10. Disconnect the power transistor 4P connector.

11. Check for continuity between the power transistor 4P connector terminal No. 2 and body ground.
Is there continuity?

YES - Go to step 12.

NO - Check for an open in the wire between the power transistor and body ground. If the wire is OK, check for poor ground at G401.

12. Connect the power transistor 4P connector terminals No. 2 and No. 4 with a jumper wire.

13. Turn the ignition switch to ON (II). Does the blower motor run at high speed?

YES - Go to step 14.

NO - Repair open in the wire between the power transistor and the blower motor.

14. Turn the ignition switch to LOCK (0).

15. Disconnect the jumper wire.

16. Disconnect the HVAC control unit 24P connector.

17. Check for continuity between body ground and the HVAC control unit 24P connector terminals No. 7 and No. 8 individually.
Is there continuity?

YES - Repair short to body ground in the wire(s) between the HVAC control unit and the power transistor.

NO - Go to step 18.

18. Check for continuity between the following terminals of the HVAC control unit 24P connector and the power transistor 4P connector.
24P: 4P:
No. 7 No. 3
No. 8 No. 1

Is there continuity?

YES - Go to step 19.

NO - Repair open in the wire(s) between the HVAC control unit and the power transistor.

19. Turn the ignition switch to ON (II).

20. Measure the voltage between body ground and the HVAC control unit 24P connector terminals No. 7 and No. 8 individually.

Is there voltage?

YES - Repair short to power in the wire(s).

NO - Go to step 21.

21. Turn the ignition switch to LOCK (0).

22. Reconnect the HVAC control unit 24P connector.

23. Test the power transistor .

Is the power transistor OK?

YES - Check for loose wires or poor connections at the HVAC control unit 24P connector and at the power transistor 4P connector. If the connections are good, substitute a known-good HVAC control unit, and recheck. If the symptom/indication goes away, replace the original HVAC control unit.

NO - Replace the power transistor.

24. Turn the ignition switch to LOCK (0).

25. Disconnect the jumper wire.

26. Disconnect the blower motor 2P connector.

27. Turn the ignition switch to ON (II).

28. Measure the voltage between the blower motor 2P connector ter
terminal No. 1 and body ground.
Is there battery voltage?

YES - Replace the blower motor.

NO - Go to step 29.

29. Turn the ignition switch to LOCK (0).

30. Remove the blower motor relay from the under-hood fuse/relay box, and test it.
Is the relay OK?

YES - Go to step 31.

NO - Replace the blower motor relay.

31. Measure the voltage between the blower motor relay 4P socket terminal No. 1 and body ground.

Is there battery voltage?

YES - Go to step 32.

NO - Replace the under-hood fuse/relay box.

32. Turn the ignition switch to ON (II).

33. Measure the voltage between the blower motor relay 4P socket terminal No. 3 and body ground.

Is there battery voltage?

YES - Go to step 34.

NO - Repair open in the wire between the No. 36 (10 A) fuse in the under-dash fuse/relay box and the blower motor relay.

34. Turn the ignition switch to LOCK (0).

35. Check for continuity between the blower motor relay 4P socket terminal No. 4 and body ground.

Is there continuity?

YES - Repair open in the wire between the blower motor relay and the blower motor.

NO - Check for an open in the wire between the blower motor relay and body ground. If the wire is OK, check for poor body ground at G301.


Sep 29, 2019 at 9:41 AM (Merged)