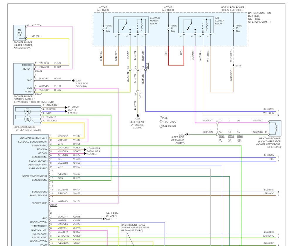
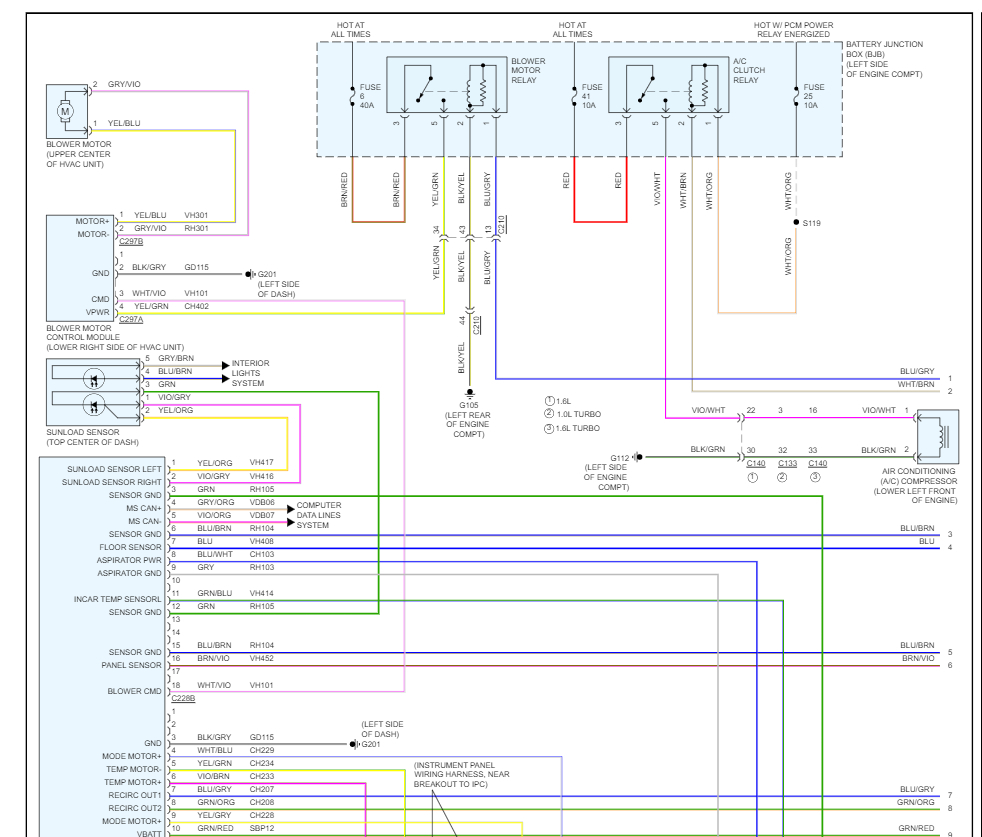
The heater in the car is malfunctioning. Does not blow hot or cold air, but only sometimes. When it malfunctions, it does not work on any setting. Car is not overheating. No spikes or drops in engine temperatures. Car is not low on antifreeze. Antifreeze level is staying stable. Floorboards are not damp and there is no smell of antifreeze. Can feel warmth from vents when it is not blowing. The cabin air filter is new.
It just doesn't blow anything, until it decides it wants to.
Has happened 5 times in the last week. Three of the five times it happened when I started the car and noticed it was not blowing any air. The heat eventually kicked on by itself after a short drive. One time it happened when I started the car, and the heat was not blowing, but I only had to drive a few blocks home so didn't bother with it. One time it happened when I was driving and thought I smelled something burning so I turned the heat off and when I tried to turn it back on, it did not blow out any air. But the heater ran fine a few hours later.
If I turn on the car and the heat is blowing, it will not turn off on its own. It only seems to happen when I am starting the car. If it runs when I start the car, it will be fine. The crap shoot is whether the blower will run when I start the car.
I will try to replace the blower motor relay and the climate control fuse. I am doubtful that it will fix the problem.
Ran a diagnostic on the blower motor and it seemed to be fine. But of course, the blower was working fine at that time.
I cannot find anything that indicates the Ford Fiestas have a history of heating ailments.
Any ideas would help.
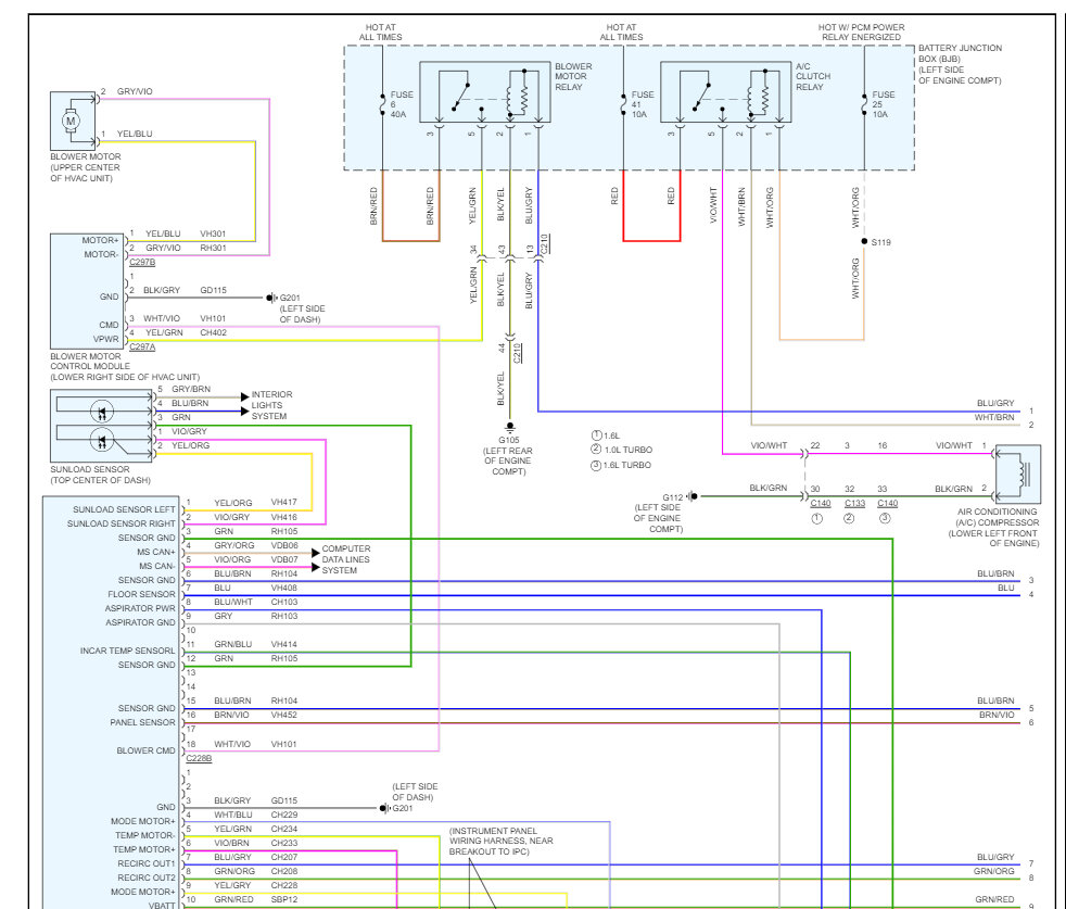
It just doesn't blow anything, until it decides it wants to.
Has happened 5 times in the last week. Three of the five times it happened when I started the car and noticed it was not blowing any air. The heat eventually kicked on by itself after a short drive. One time it happened when I started the car, and the heat was not blowing, but I only had to drive a few blocks home so didn't bother with it. One time it happened when I was driving and thought I smelled something burning so I turned the heat off and when I tried to turn it back on, it did not blow out any air. But the heater ran fine a few hours later.
If I turn on the car and the heat is blowing, it will not turn off on its own. It only seems to happen when I am starting the car. If it runs when I start the car, it will be fine. The crap shoot is whether the blower will run when I start the car.
I will try to replace the blower motor relay and the climate control fuse. I am doubtful that it will fix the problem.
Ran a diagnostic on the blower motor and it seemed to be fine. But of course, the blower was working fine at that time.
I cannot find anything that indicates the Ford Fiestas have a history of heating ailments.
Any ideas would help.
Feb 16, 2023 at 4:47 PM


