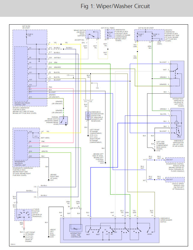
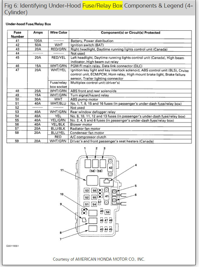
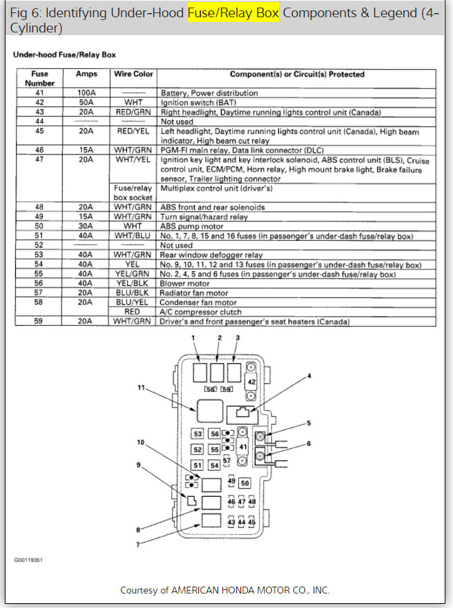
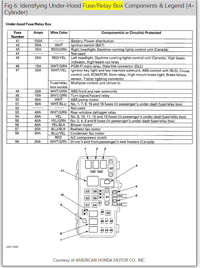
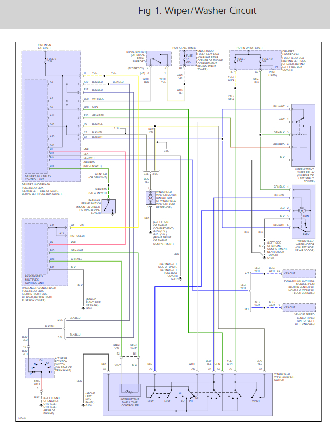
The wipers work on high and low but the intermediate wipers do not work. If you pull the switch back the washer motor does not work either. The motor for the washer is getting no power. Replaced the multiplex control module already fuses are good. Also replaced the wiper relay. Need help please.
May 3, 2018 at 8:06 PM









