Interior lights,car locks , sunroof and stereo do not work

2004 DODGE STRATUS
108,000 MILES • 2.4L • 4 CYL • 2WD • AUTOMATIC
Avatar
WINSTON WATERS
  • MEMBER
  • 2 POSTS
Took out my rear view mirror light bulb and it sparked a little when coming out. Now my door locks won't work unless car is on or I manually unlock it, interior lights don't work at all, and my stereo CD deck won't turn on either . Tried using my sunroof last night to find out that isn't working either. I checked my fuses inside the car and under the hood and replaced ones that were blown.. still nothing seems to be working. What else could it be? BCM or Relay? Don't know how to tell if the relays are bad or not.
Jul 23, 2021 at 12:39 PM
Advertisement
Avatar
JACOBANDNICKOLAS
  • CERTIFIED EXPERT
  • 110,175 POSTS
Hi,

The easiest thing to do to check a relay is to switch it with a different one in the box having the same part number. If there isn't one, here is a link showing how one is checked:

https://www.2carpros.com/articles/how-to-check-an-electrical-relay-and-wiring-control-circuit

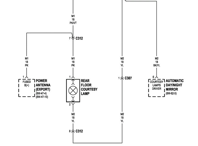
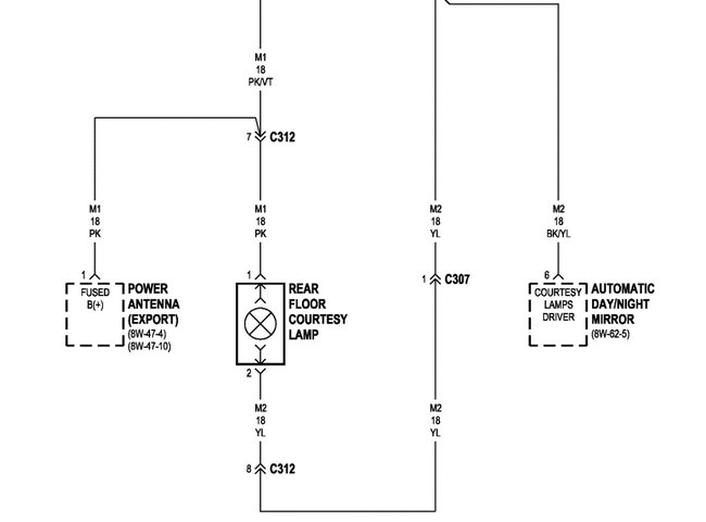
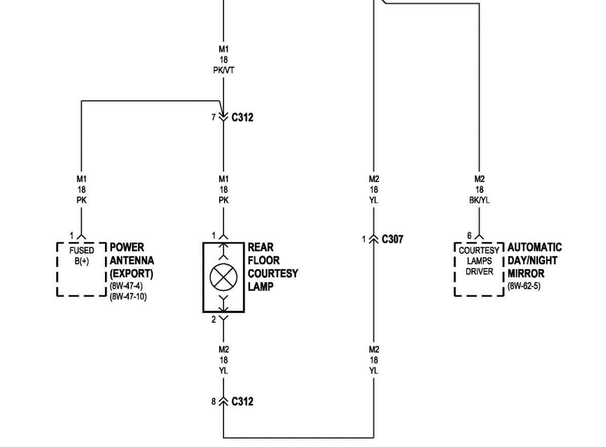
Based on the schematics and what doesn't work, I have a feeling fuse 5 in the junction box/fuse box at the end of the dash is bad. Do me a favor. I need you to recheck that fuse. Additionally, I need you to confirm there is power to it. Here is a link showing how it's done:

https://www.2carpros.com/articles/how-to-check-a-car-fuse

I hope this helps. Let me know if you have other questions and what you find.

Take care,

Joe

See pics below.
Jul 23, 2021 at 10:10 PM
Avatar
WINSTON WATERS
  • MEMBER
  • 2 POSTS
You were right , it was one of the fuses under the hood, it was tucked away in a yellow plastic encasement, swear I must of scanned over the thing 100+ times. Thank you
Jul 23, 2021 at 10:54 PM
Advertisement
Avatar
JACOBANDNICKOLAS
  • CERTIFIED EXPERT
  • 110,175 POSTS
Hi,

You are very welcome. I'm glad you found it and got things working.

Take care and please feel free to come back anytime in the future. You're always welcome here.

Joe
Jul 23, 2021 at 11:02 PM