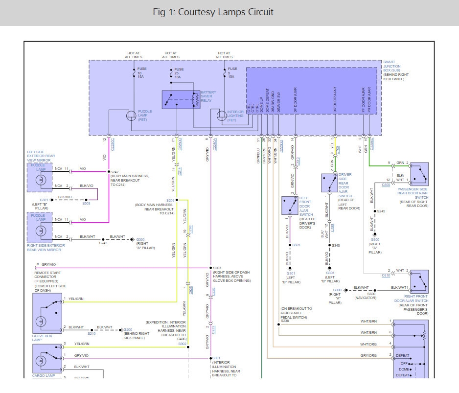
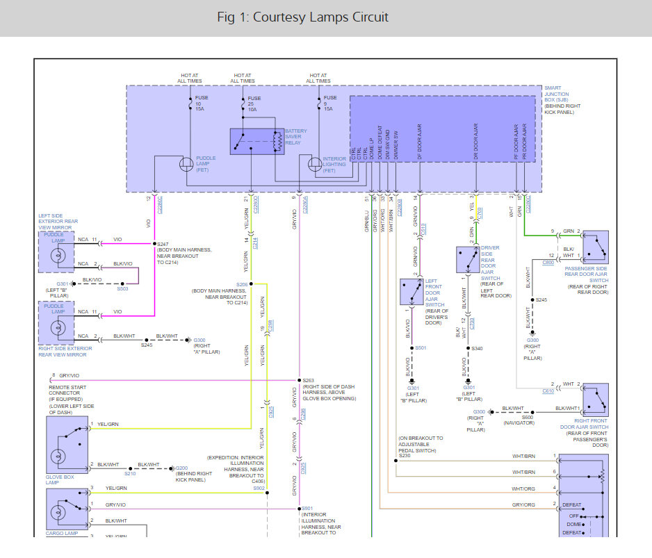
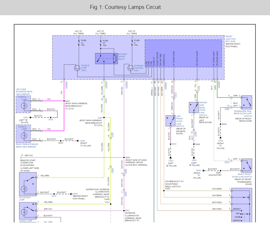
My interior lights will only come on when either of the doors open. But if we try to turn the light individually it will not turn on. Also, when either door is opened and we click on any light, the light immediately turns off.
Dec 22, 2022 at 8:38 PM





