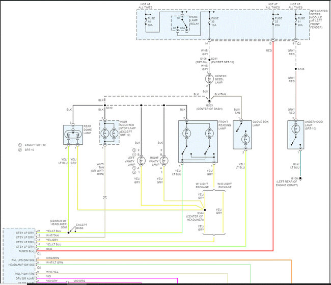
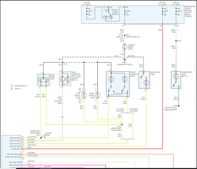
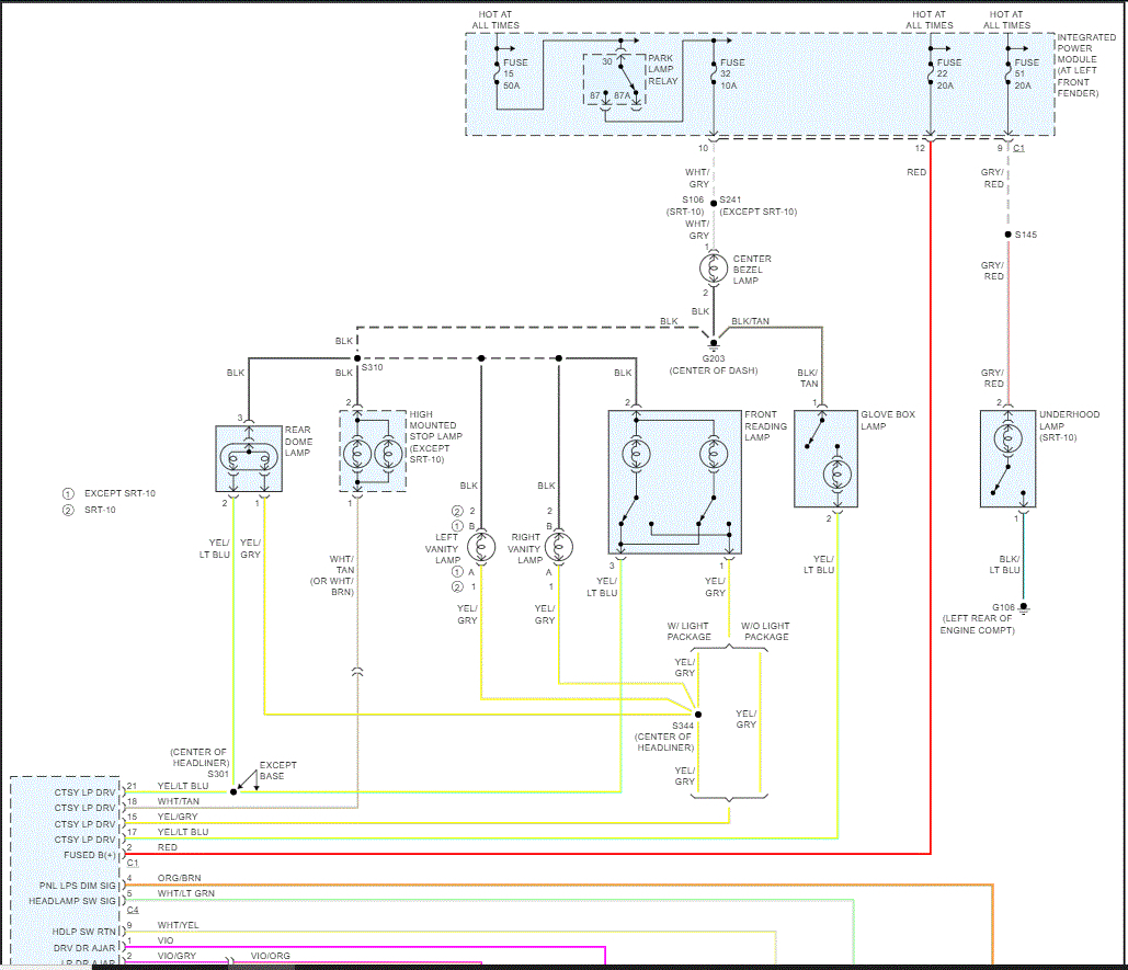
On my truck is a Daytona version 1500 ram i had the heater core and condenser (i think that is whats it called) replaced. the shop messed up tilt steering and i had to go back and let them fix it. since then my interior lights, security lights, cargo lights, overhead cluster panel and overhead light don't work. checked all fuse i can find even iod all good, but still can't find the problem. Oh and my airbag light stayed on the dash. i did find the connection to it and fixed it. l'm thinking that when they fixed tilt they unplugged something just can't find that problem.
Can anyone help?
Can anyone help?
Apr 25, 2020 at 3:49 PM

