This sounds like different issues so let's start with the interior lights and fix this and if that fixes the rest then that is great. If not then we can get a new post started on those issues.
We need to check voltage through the circuit and find where we do not have any voltage. Here is a guide that will help with this:
https://www.2carpros.com/articles/how-to-check-wiring
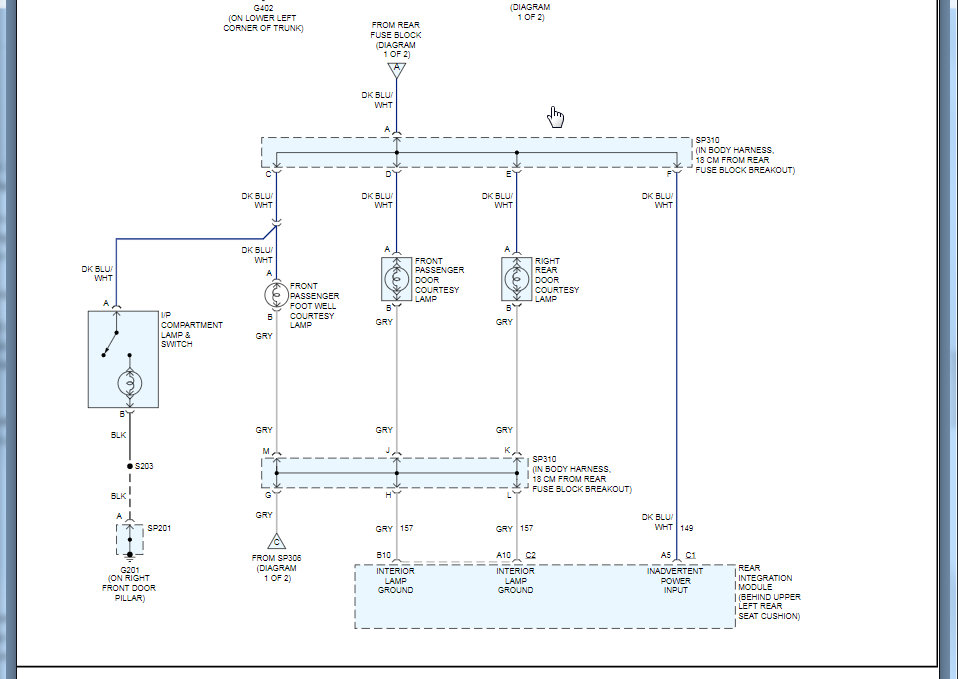
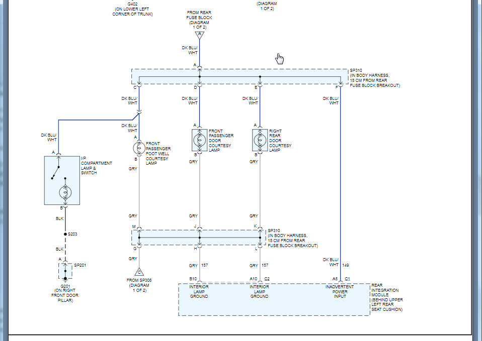
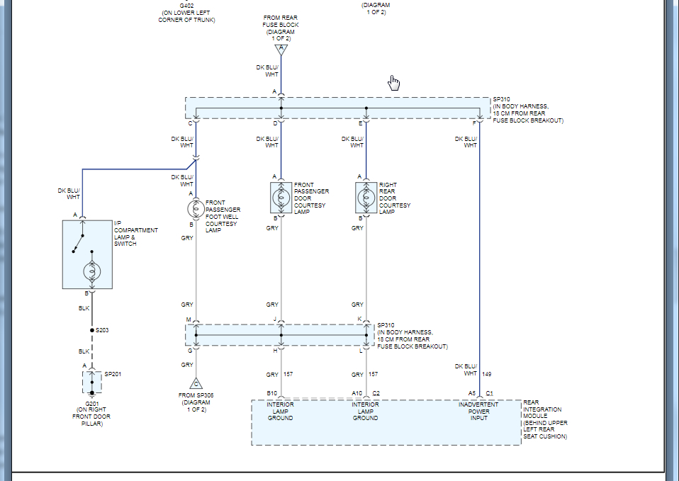
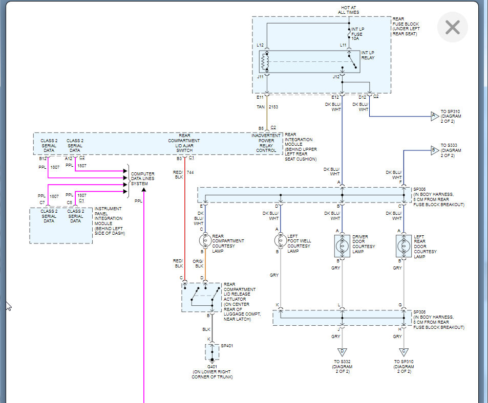
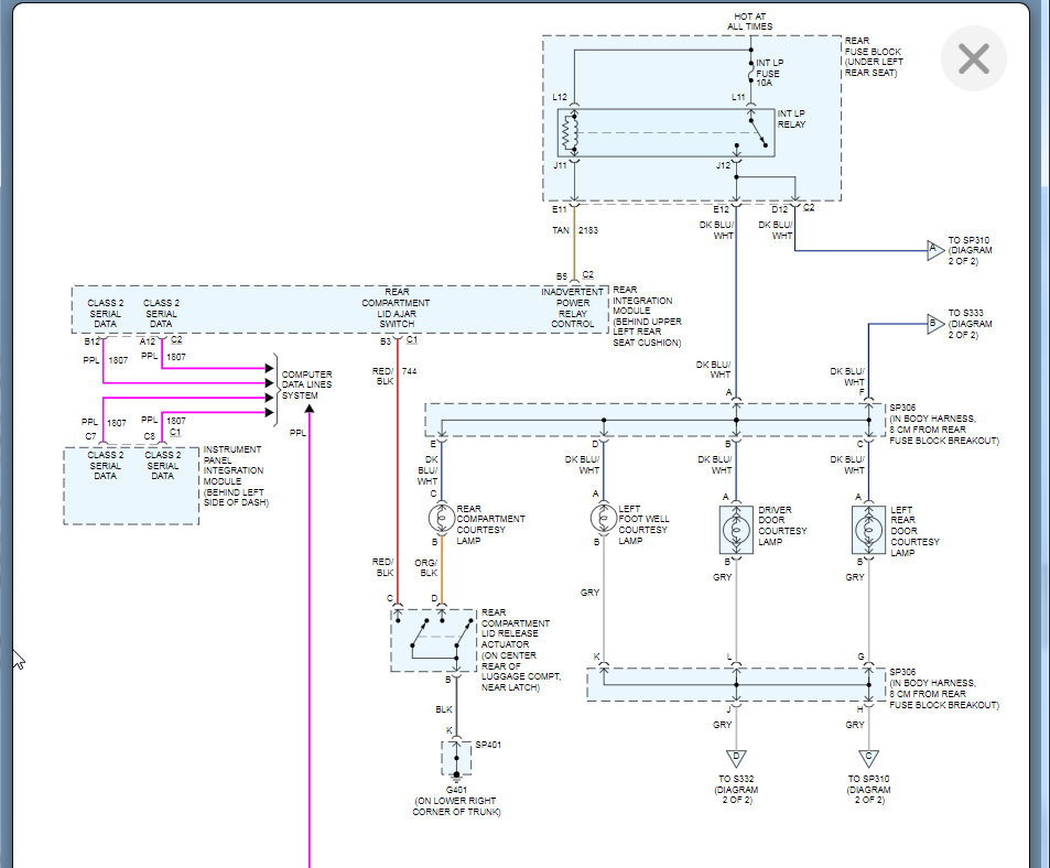
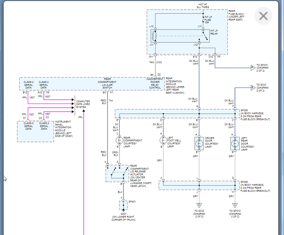
Below is the wiring diagrams and info on the relay location that we need to track down. This is in the rear fuse block under the seat. Please run through this material and let us know what questions you have. Thanks
Images (Click to enlarge)
Apr 27, 2021 at 8:33 AM