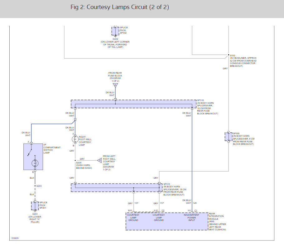
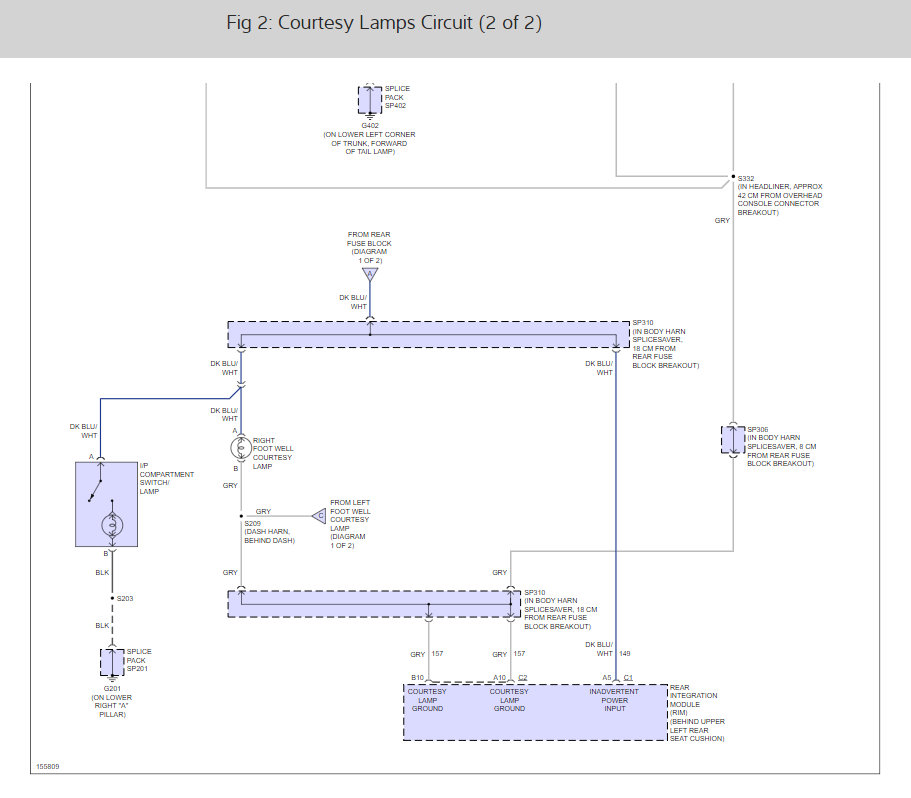
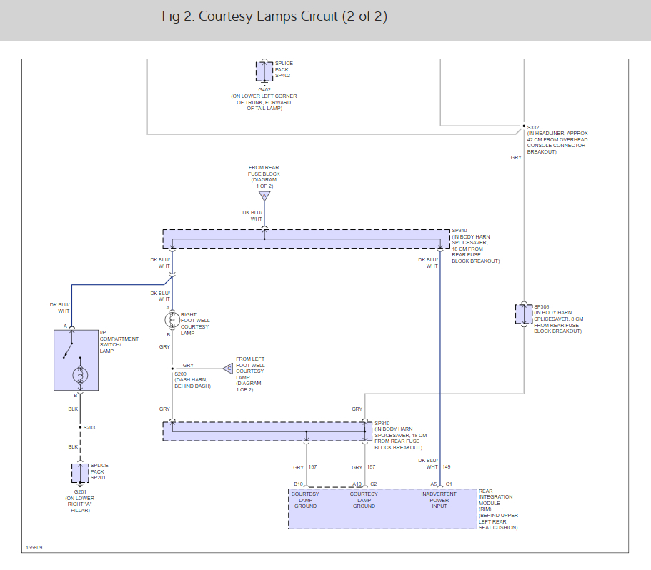
My car runs and drives fine, but my interior lights do not work (not talking about radio or dash). Along with the lights not working, my key fob does not work. Is it a fuse and if so, where would that fuse be located?
Dec 10, 2018 at 9:57 PM














