Interior lights not turning on?

1992 GMC SIERRA
300,489 MILES • 5.7L • V8 • 4WD • AUTOMATIC
Avatar
RODJAMES
  • MEMBER
  • 25 POSTS
My interior lights don’t come on at all. How can I troubleshoot this issue?
Mar 16, 2024 at 5:51 PM
Advertisement
Avatar
STRAILER
  • CERTIFIED EXPERT
  • 53,854 POSTS
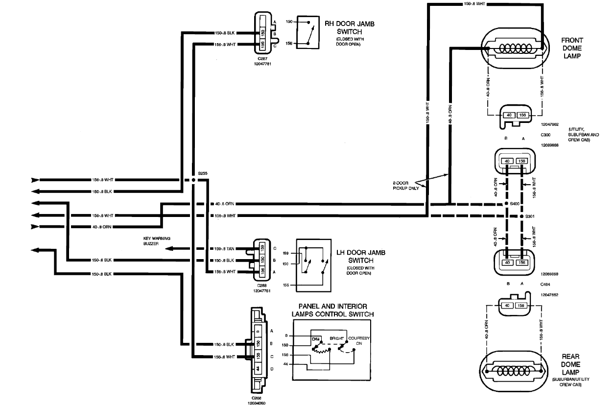
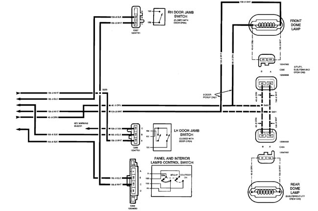
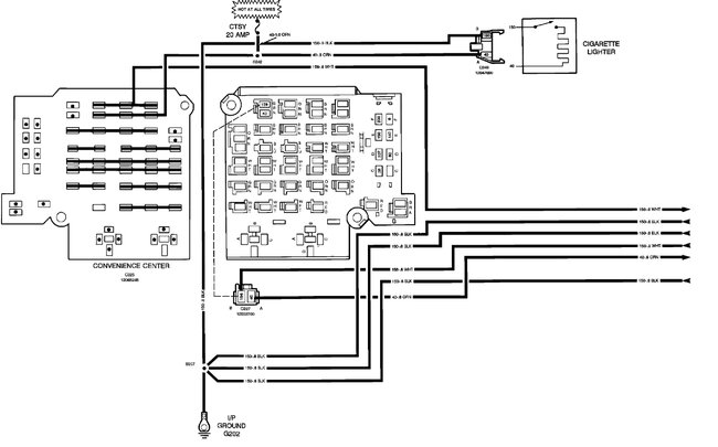
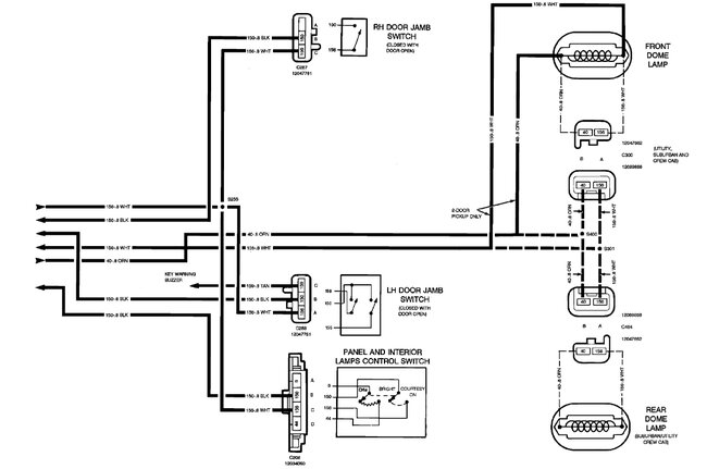
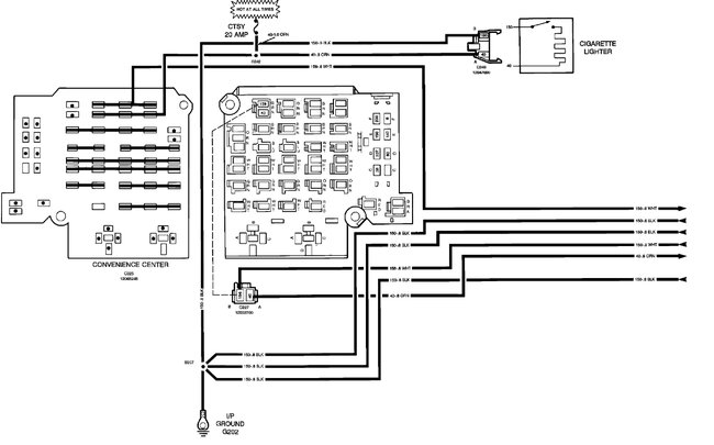
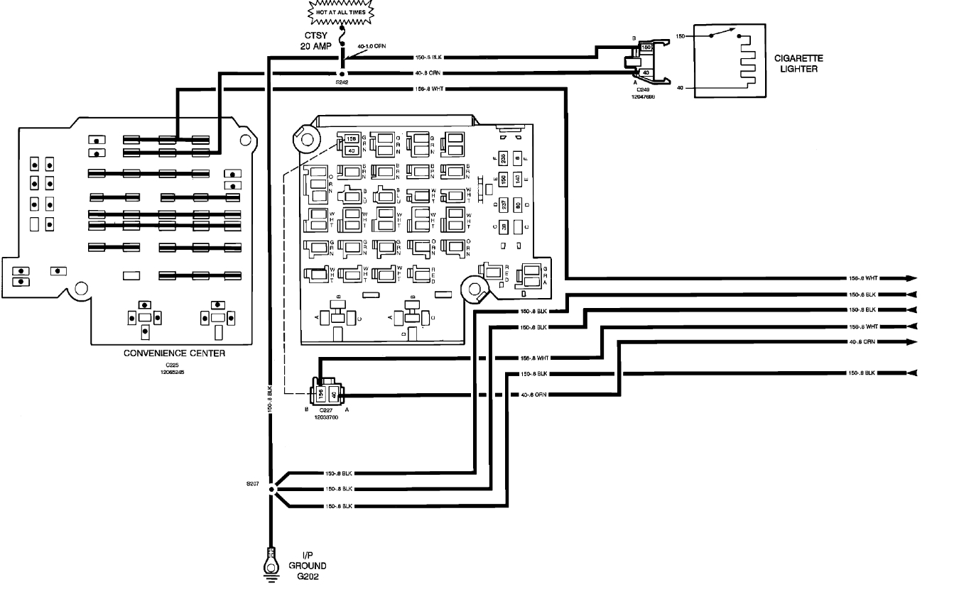
I would check the courtesy fuse first because the cigarette light runs off it as well be the fuse could have popped. Here is a guide to help test for power and the dome light wiring diagrams so you can see how the system works which is pretty basic.

https://www.2carpros.com/articles/how-to-use-a-test-light-circuit-tester

Check out the images (below). Please upload pictures or videos in your response to the problem so we can see what's going on.
Mar 17, 2024 at 11:18 AM