My gauges do not work. They are all out even when I am driving. Oil, volt, battery, speedometer all are not working.
Jan 10, 2018 at 5:10 AM
Advertisement
PATENTED_REPAIR_PRO
CERTIFIED EXPERT
1,853 POSTS
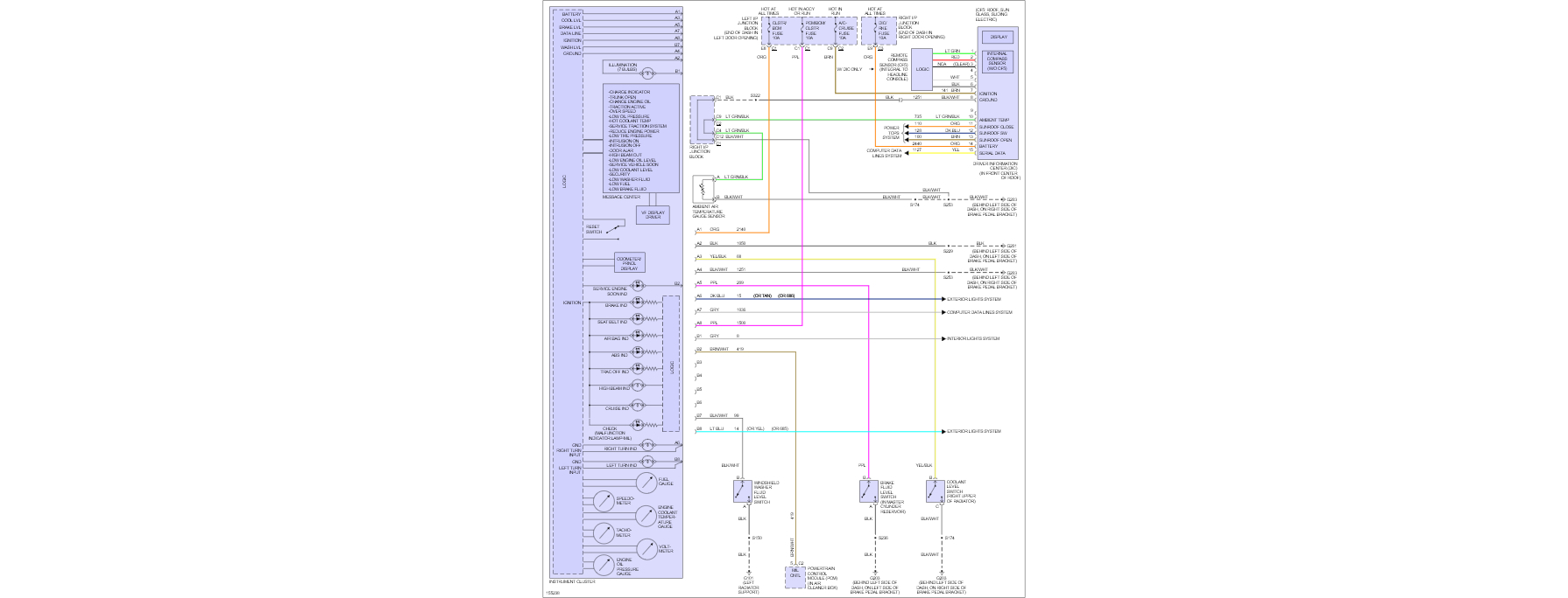
To begin, check the fuses, the CLSTR/BCM and PCM/BCM/CLSTR, both in the right I/P junction block, located end of right side of dash in door opening.
If they are both okay, check the ground, a black/white wire attached to the right side of brake pedal bracket, under the left side of dash.