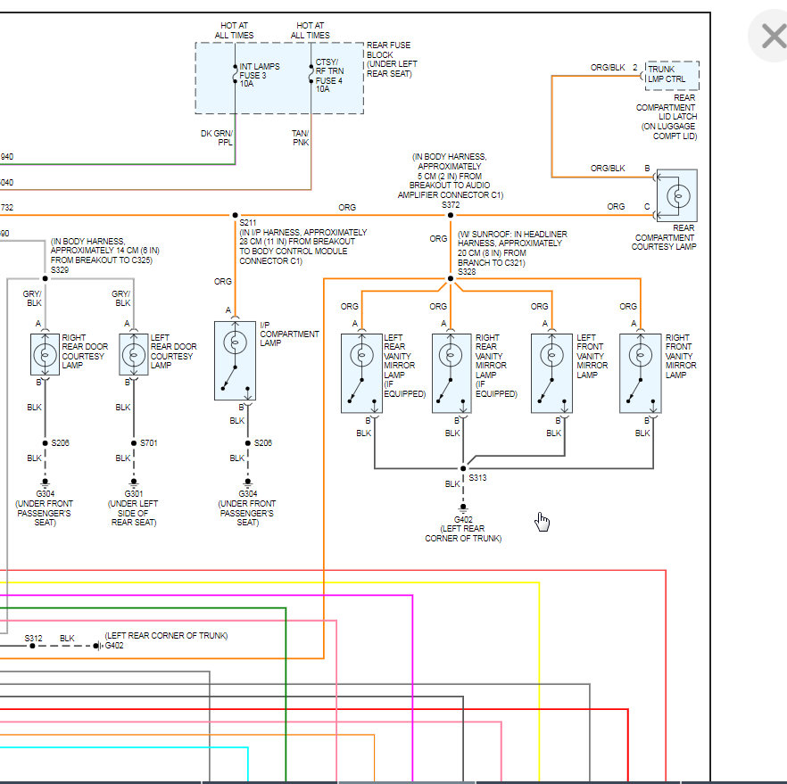
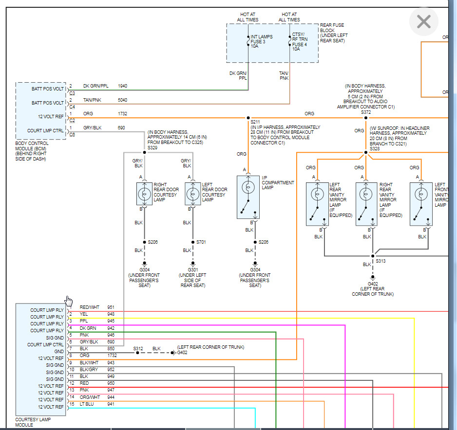
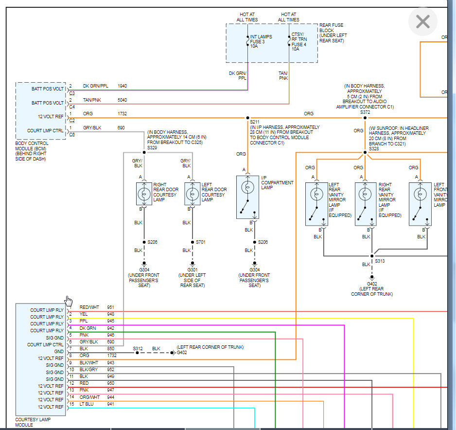
Okay. That is good information. Here is the specific info on this system and the way it works. As you can see it says when the BCM is "awake" it will supply voltage on this circuit. Which is what is happening with your vehicle.
What we need to determine is if something is keeping the BCM awake or it is the BCM itself that is malfunctioning. If you look at what I highlighted on this attachment you will see if the BCM thinks a door opened or the remote key-less system was activated then it will wake up the BCM.
I think it is the BCM but that is still a guess at this point. Can we unplug the remote control door lock receiver and see if the lights still come on? If they do then I would replace the BCM. If they do not then you have an issue in the remote key-less system that is keeping the BCM awake.
Images (Click to enlarge)
Apr 3, 2020 at 7:41 AM