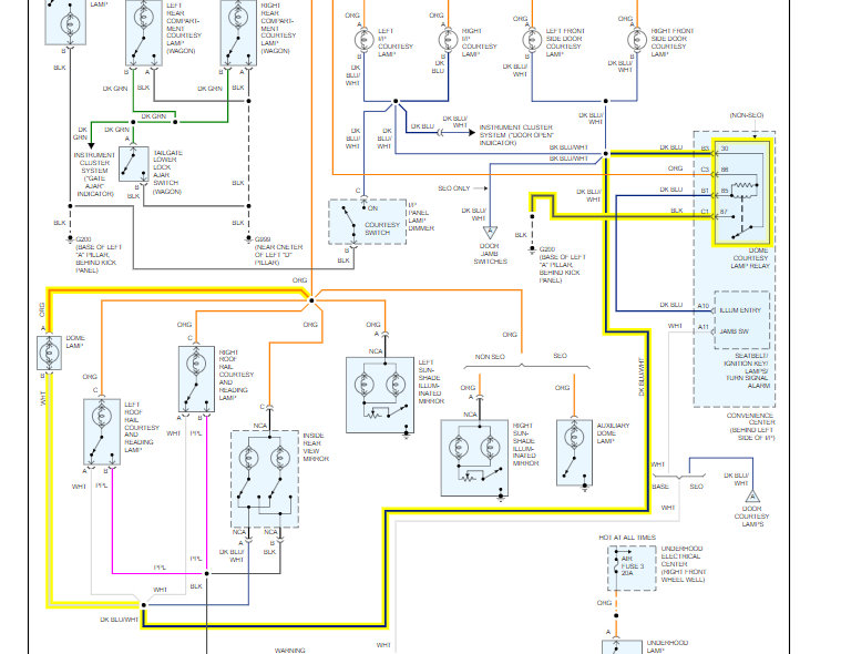
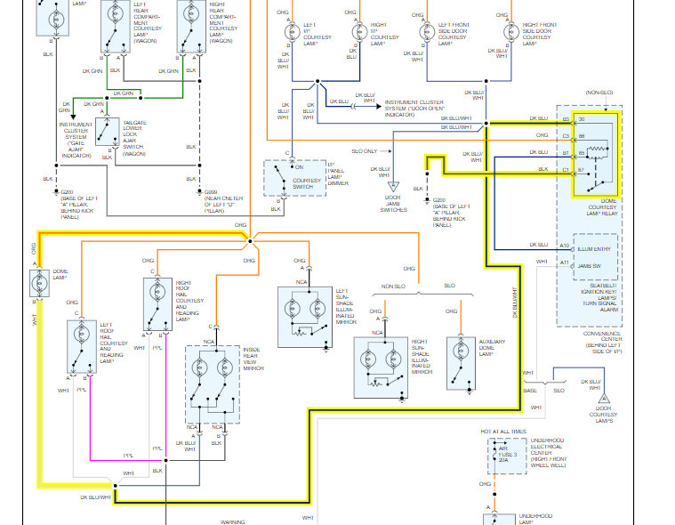
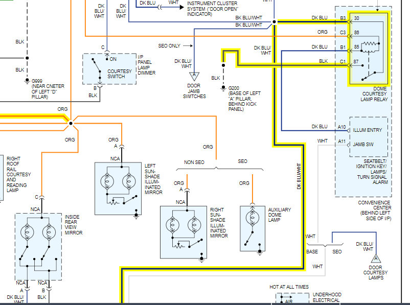
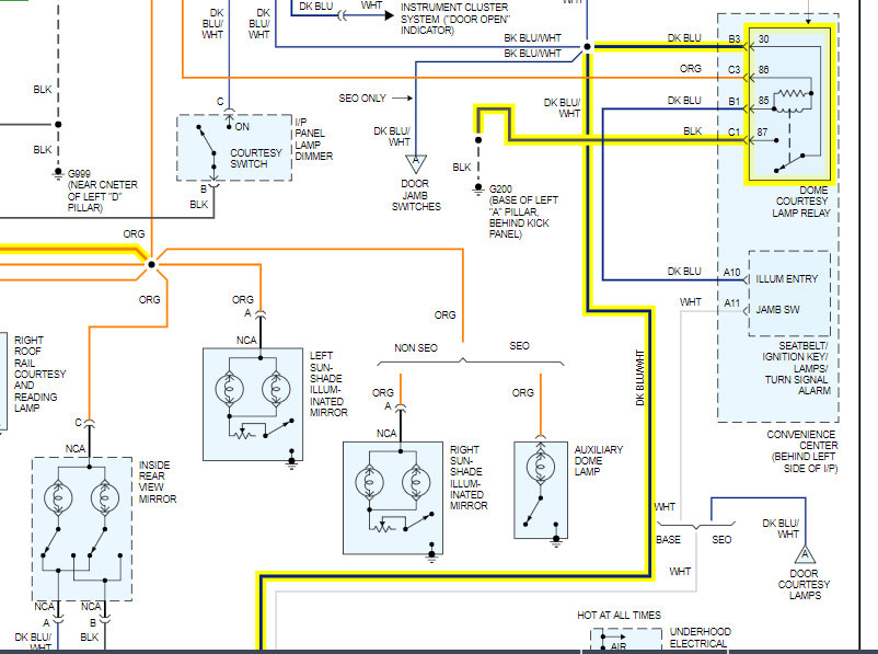
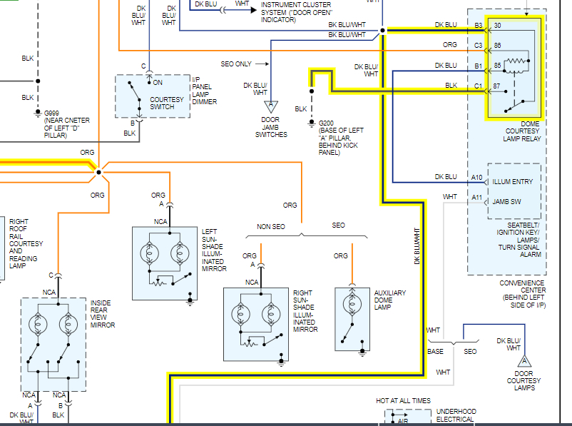
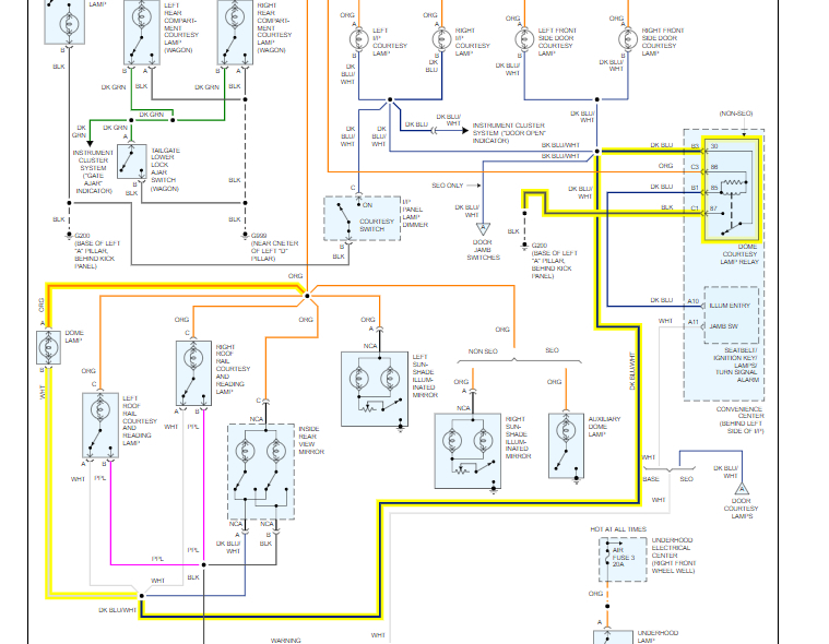
All hi, am asking help in my problem. I'll be brief. The light in the cabin is constantly on the display it is written-open doors, door jamb switch right. give scheme and explain where is the main module, thank you
Sep 27, 2019 at 1:12 PM


