Interior lights not working?

2018 TOYOTA COROLLA
9,000 MILES • MANUAL
Avatar
MISOM
  • MEMBER
  • 2 POSTS
Where can I find the wires to power interior lighting? Thanks for help.
Nov 20, 2018 at 11:33 AM
Advertisement
Avatar
JONNYB1963
  • CERTIFIED EXPERT
  • 263 POSTS
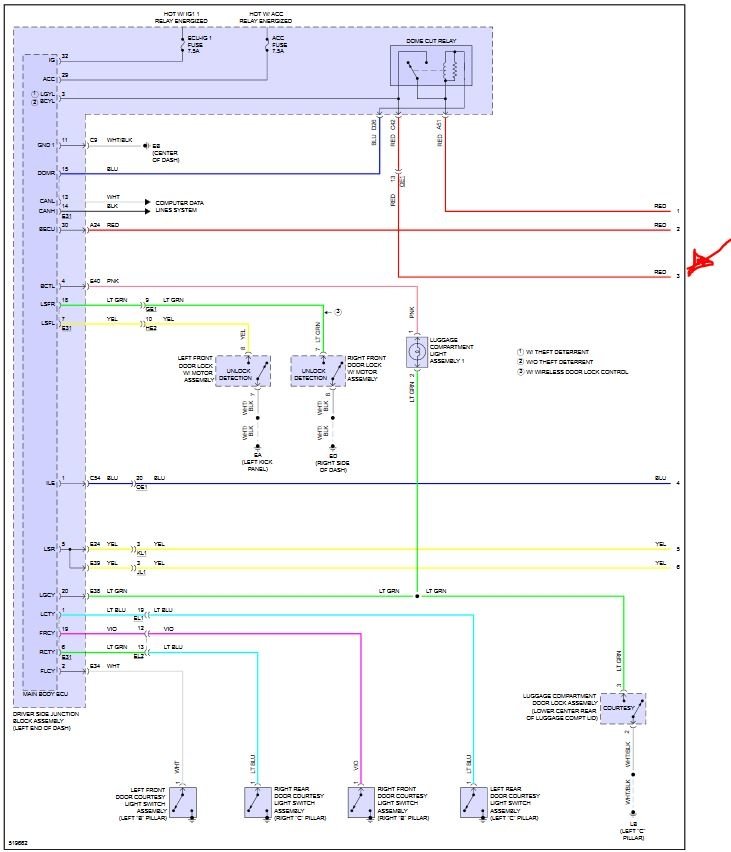
You will want to find the drivers side junction box under the dash panel on the drivers side.
See the attached wiring diagrams.
You will be looking for a red wire that comes from the dome cut relay. C42
You will want to splice into that circuit somewhere along that line.

Let me know if you need anything further.
Jon
Nov 20, 2018 at 1:17 PM
Avatar
MISOM
  • MEMBER
  • 2 POSTS
Hello,

Thanks for the information.

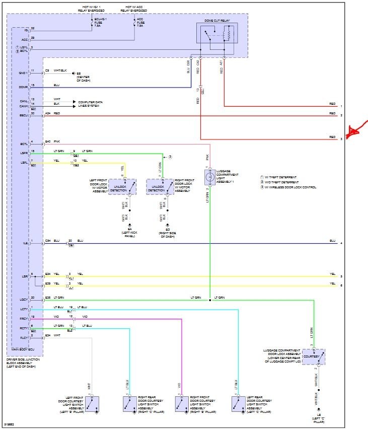
You probably thought this junction box (in the attachment). Do you have a description of the connectors (there is more than one red wire)? I cannot determine which is what you indicated in the wiring diagrams.

Michal
Nov 21, 2018 at 2:16 AM
Advertisement
Avatar
STRAILER
  • CERTIFIED EXPERT
  • 53,854 POSTS
Yep, that would be rough. I would test the red wires with a test light to see which one lights up with the dome lights. Here is a guide to help:

https://www.2carpros.com/articles/how-to-use-a-test-light-circuit-tester

Please run down this guide and report back.

Cheers, Ken


Nov 23, 2018 at 1:19 PM
Avatar
COLA262
  • MEMBER
  • 1 POST
My inside lights (on ceiling of car, the ones that are supposed to turn on when I open the door), are off. They have the sliding controls with 3 positions, on, off, and door. When I press the sliding control up (towards the ceiling), the light turns on. I need to exert constant pressure. I'm guessing that something in the light isn't contacting. Is there something I can do to fix it?
Mar 6, 2021 at 11:05 AM (Merged)
Avatar
MMPRINCE4000
  • CERTIFIED EXPERT
  • 8,548 POSTS
Hello,

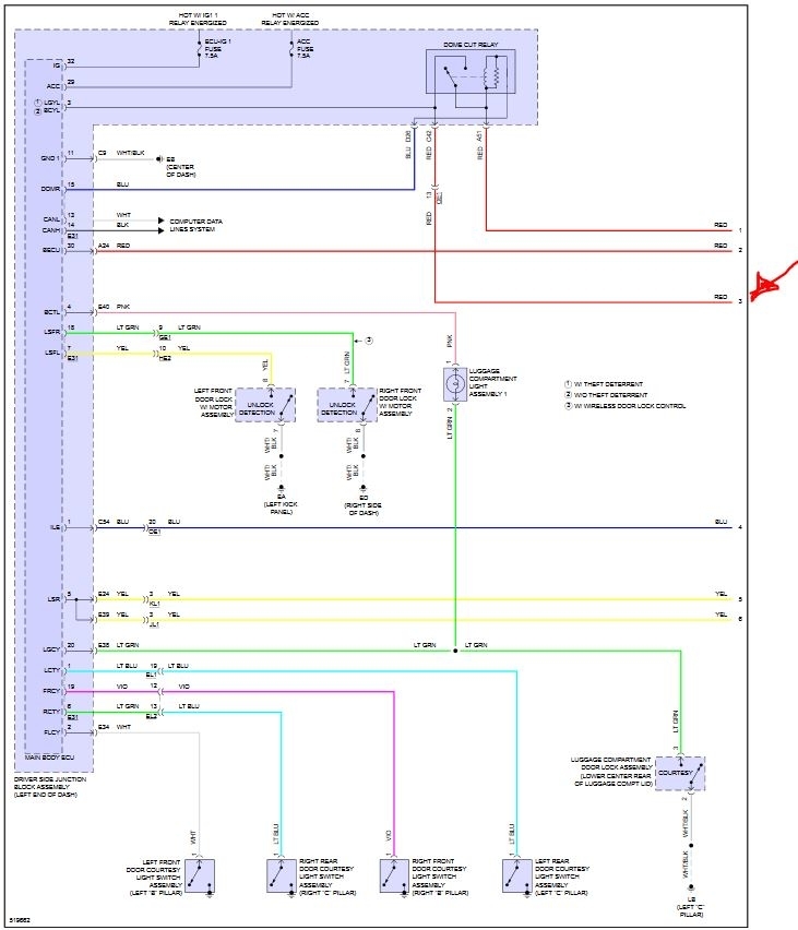
There is a dome fuse that needs to be checked int eh engine bay here is a guide to help test and the fuse location with the interior light lighting wiring diagrams so you can see how the system works.

https://www.2carpros.com/articles/how-to-check-a-car-fuse

Check out the diagrams (Below). Please let us know what happens.
Mar 6, 2021 at 11:05 AM (Merged)
Avatar
PAYAT777
  • MEMBER
  • 0 POST
Nice post I replaced the fuse fixed it!
Mar 6, 2021 at 11:05 AM (Merged)
Avatar
FOLSOMKID
  • MEMBER
  • 3 POSTS
Interior overhead light in center of cabin between seats stopped working. Neither opening the door nor moving the head light button up and down which used to activate the interior light (Not the lights attached to the rear view mirror which do work) activate the overhead bulb. Have extracted the bulb and with such a tiny filament to view with a magnifying glass it is unclear if there is a break. There is a light coating of darkness around the middle of the glass. It is a twelve year old car. The outside ends (contact area) are clean. the interior of the light was not dirty and had never been removed. I do not have a way to verify if the contacts are getting power.
Mar 6, 2021 at 11:10 AM (Merged)
Avatar
CARADIODOC
  • CERTIFIED EXPERT
  • 34,306 POSTS
The first thing a mechanic would do is pop in a new bulb since there is a ninety nine percent chance the problem will be solved and the job is done. In the one percent chance the bulb still does not light up, then get more involved with testing to see if you are missing 12 volts or ground. If you have a used bulb laying around, try that. If you do not have a used bulb, look for one of the other ones in the car like it and swap that in to try. If you cannot find one like it, consider asking to borrow a used bulb at any repair shop, but talk with a mechanic, not a service writer. Almost all mechanics have used bulbs in their tool boxes from previous jobs that they don't want to throw away. They save them for trade-in cars and for testing just like this.
Mar 6, 2021 at 11:10 AM (Merged)