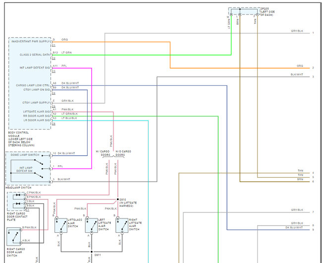
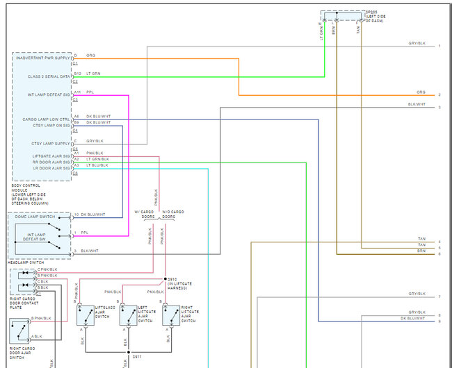
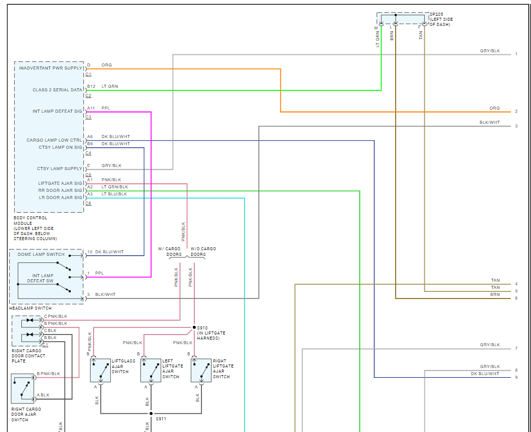
I recently had to replace the overhead storage pocket as the old one had broken at the screw and was hanging free. After replacing I am now having an issue where only the front reading lamps turn on when pressing the buttons for them. the rear lamps buttons will show that the cargo lamp has turned on but will not illuminate the bed lamp. Vanity mirror lights no longer work, and the cargo bed light switch doesn't work either. I'm hoping I didn't fry something expensive as the new overhead box has the homelink garage door openers and the old one didn't. They had the same connector, so I assumed it was plug and play which I am now learning is probably not the case. any help would be fantastic in solving this issue so I can have my lights and bed lamp back to working again.
Sep 24, 2024 at 4:05 PM



