Hi,
I have to be honest, I suspect it is the switch itself. However, take a look at the pictures I attached. Power to the lights you mentioned comes from the right tail lamp fuse. If that fuse is blown, you lose interior lights (the ones you mentioned). If the fuse is good, confirm there is power to it when the headlamp switch is on. If power isn't there with the lights on but it is when the lights are in the parking light position, it has to be the switch.
Since it does work in one position, the grounds should be okay; otherwise, they wouldn't work in any position.
There could even be an issue with the relay. Here are the directions specific to this vehicle for testing:
2005 Kia Spectra L4-2.0L
Component Tests and General Diagnostics
Vehicle Lighting and Horns Headlamp Headlamp Relay Testing and Inspection Component Tests and General Diagnostics
COMPONENT TESTS AND GENERAL DIAGNOSTICS
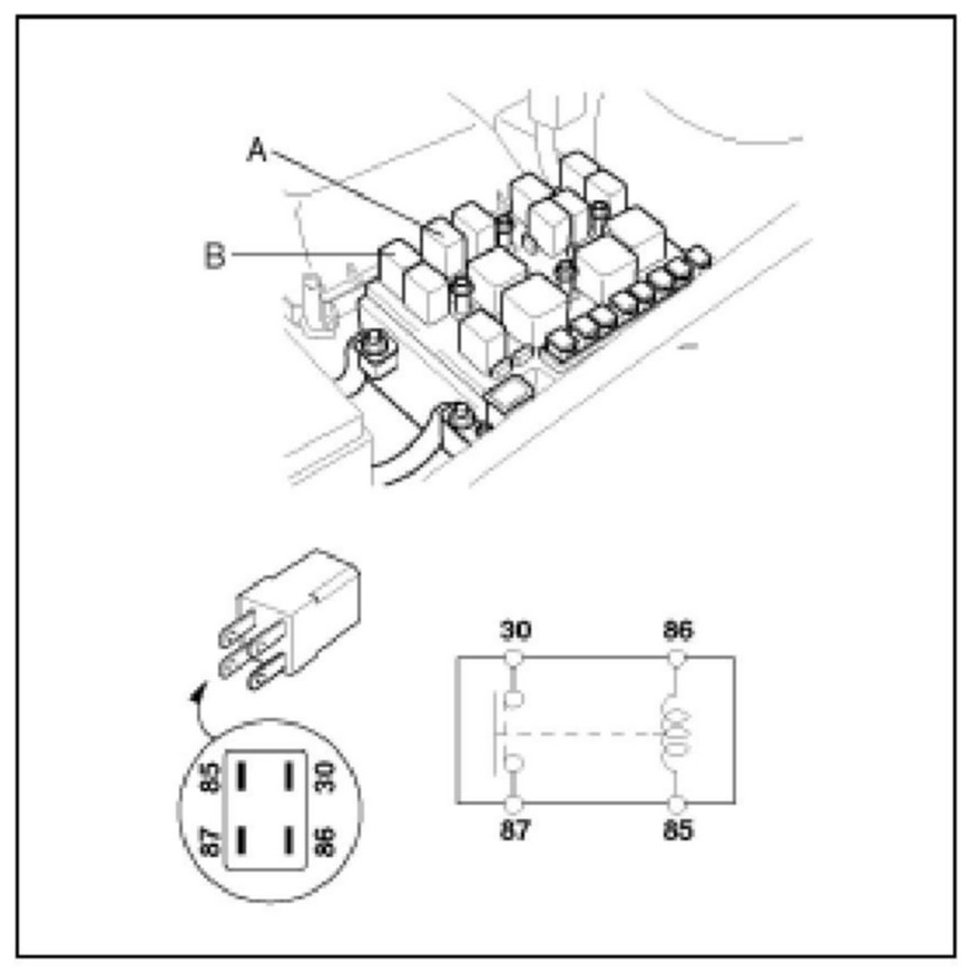
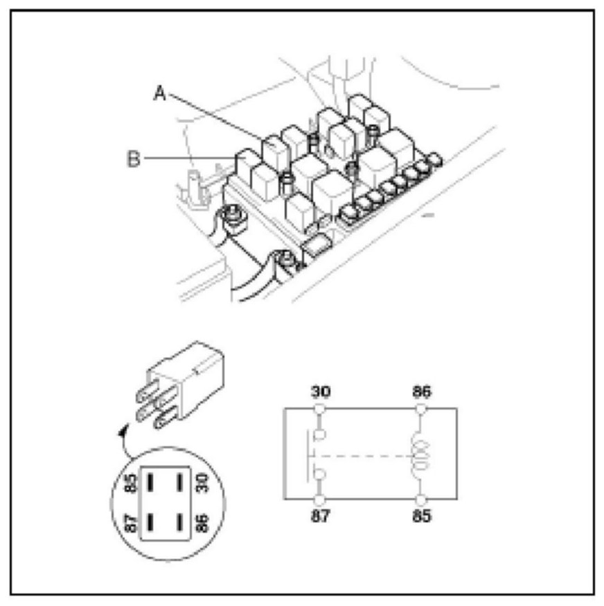
HEAD LAMP RELAY INSPECTION
pic 3
1. Pull out the head lamp relay (Low) (A) and head lamp relay (High) (B) from the engine compartment relay box.
pic 4
2. Check for continuity between terminals.
Let me know what you find.
Joe
Images (Click to enlarge)
Dec 4, 2019 at 7:47 PM