Interior dome light issue

2005 KIA SORENTO
65,000 MILES • 3.5L • 6 CYL • 4WD • AUTOMATIC
Avatar
JADAN
  • MEMBER
  • 1 POST
I have an issue with the interior dome light that does not light up when doors are opened. On all Internet forum this issue is fixed by replacing the diode whose location in behind the driver kick plate , beside the fuse box.
I have unwrapped the whole cable loom where supposedly the diode is located and it is not there. can you inform me if there is another location to look for this diode?
Thank you
Apr 19, 2018 at 3:03 AM
Advertisement
Avatar
HARRY P
  • CERTIFIED EXPERT
  • 2,292 POSTS
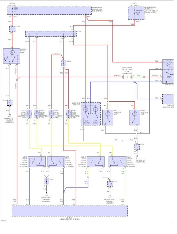
The only information that I can find on Prodemand is that it is behind the left end of the dash. AllData does not give a location at all.
Apr 19, 2018 at 3:54 AM
Avatar
PATENTED_REPAIR_PRO
  • CERTIFIED EXPERT
  • 1,853 POSTS
I can add. it has a red/black and green wire.
wait, here is a diagram:
Apr 19, 2018 at 6:29 AM
Advertisement