Interior/dome light not working

1993 DODGE SHADOW
107,000 MILES • 2.2L • 4 CYL • 2WD • AUTOMATIC
Avatar
NOAHMILLER61
  • MEMBER
  • 1 POST
My interior light has stopped working.

1. I have changed the bulb twice to be sure.
2. I have changed the drivers door switch.
3. The buzzer functions when the door opens.
4. the headlight dimmer switch will not turn on the dome light manually.
5. The fuse is good.

What can I try next?

Thank you!
Dec 21, 2018 at 7:56 PM
Advertisement
Avatar
STEVE W.
  • CERTIFIED EXPERT
  • 15,113 POSTS
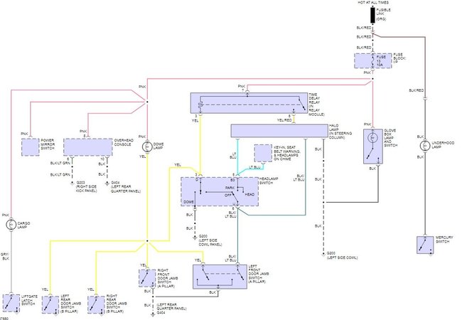
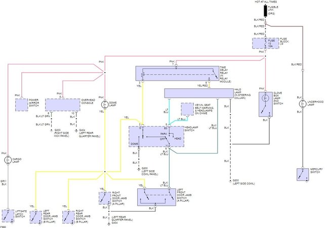
I would check to see if you have power to the lamp socket. There should be a pink wire that has battery voltage full time, then a yellow wire which runs to each door switch and the headlamp switch. It goes to ground to turn the light on. As the buzzer is working it sounds like the ground side from the switches is okay, but it could still be faulty at the light itself. Easy way to test. Get a cheap test light. Connect it to ground. Remove the bulb. Open the door, Now use the probe on the bulb contacts. If you have good power on the pink feed the light should come on bright. If it is on then the problem is in the yellow wire, either corrosion or the splice is bad. If the light doesn't come on then there is a problem with the power feed to the light. Does the car have an overhead console or power mirrors? Those both get power from the same feed as does the cargo light in the back. If those work but there is no power to the light then the splice is likely the problem. The attached wiring diagram may help.
Dec 23, 2018 at 8:24 PM