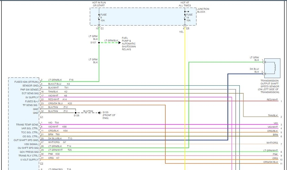
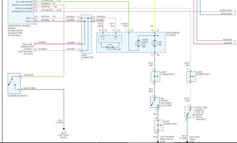
I bought the truck listed above 1500. had to come replace the motor and when I picked it up the transmission went out. Found a 2000/2001 Dodge Ram 1500 v8 4x4 transmission, will it work? The salvage yard That has it said it will fit my 1998, I just wanted to make sure. What all years could I possibly use the transmission out of to fit my 1998?
Mar 20, 2021 at 9:03 AM















