Intake manifold gasket question

1989 BUICK REGAL
56,000 MILES • 2.8L • V6 • 2WD • AUTOMATIC
Avatar
COOLOLDS85
  • MEMBER
  • 173 POSTS
Do you really need to put rtv on the intake manifold gaskets when replacing them? I need a professional opinion. Someone told me it isn’t required because usually when you put rtv on intake manifold gaskets it will start to leak again and over time the rtv will not seal properly because gasoline decays on them over time. I know using rtv is good for cooling heat dissipation but if it’s needed where do I apply the rtv at? On the manifold or on the gaskets top and bottom?
Feb 17, 2019 at 10:11 PM
Advertisement
Avatar
SCGRANTURISMO
  • CERTIFIED EXPERT
  • 4,897 POSTS
Hello,

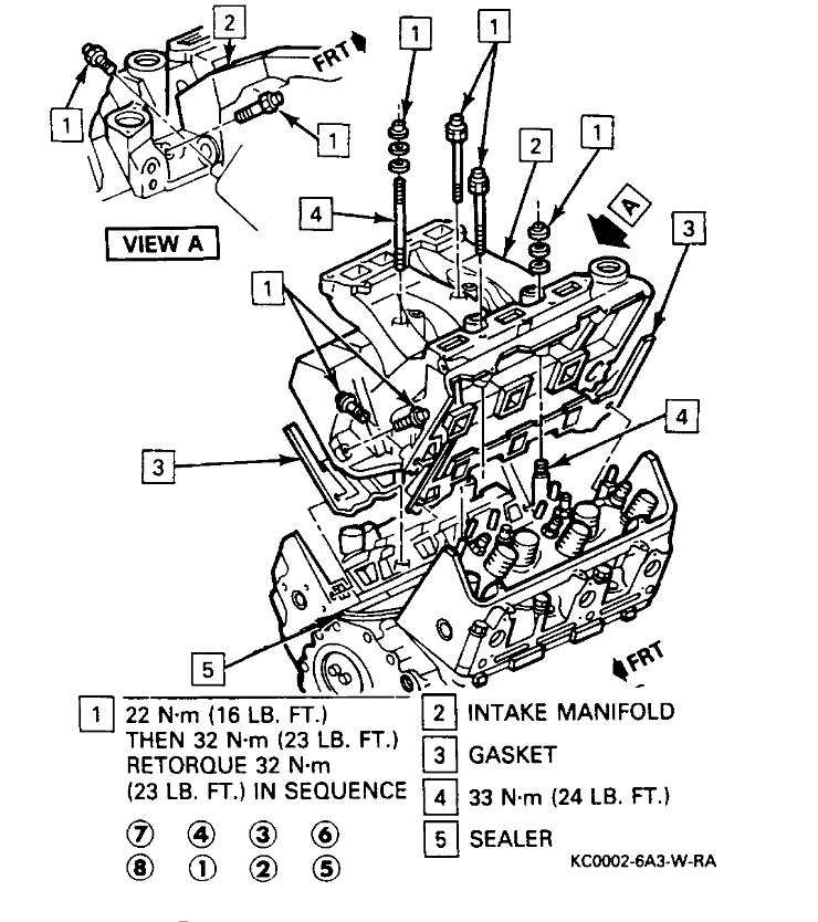
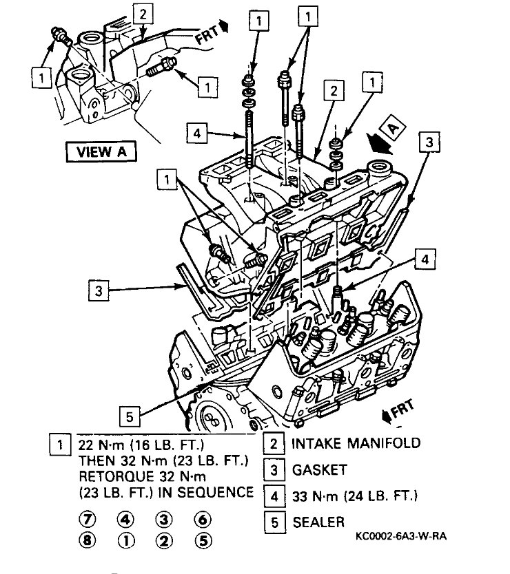
If your vehicle has dowels to hold the gasket in place, then by all means use those. If I were going to rtv on my intake manifold gasket, I would just use a small drop on each corner to "tack" it in place. An excellent quality rtv is made by permatex. It is called The Right Stuff and can be found at any parts house. I have included in the diagrams below the proper procedure for removal/assembly of your vehicles intake manifold. This should give you a definitive answer to your question.

Thanks,
Alex
2CarPros
Feb 18, 2019 at 3:49 AM
Avatar
COOLOLDS85
  • MEMBER
  • 173 POSTS
One more question. When I remove the valves and the push rods, if I put them back in the same location all I have to do is just torque them down to specs correct? The valves don’t have to be adjusted a certain position and when they seat on the rocker arm dimples it should be good to go? I don’t want to have engine knock. So I am guessing the valves in this engine don’t have to be adjusted just torque to specs seat on the push rods?
Feb 19, 2019 at 11:06 PM
Advertisement
Avatar
SCGRANTURISMO
  • CERTIFIED EXPERT
  • 4,897 POSTS
Hello,

Here are the instructions for your valve adjustments.

Thanks,
Alex
2CarPros
Feb 20, 2019 at 11:33 AM
Avatar
COOLOLDS85
  • MEMBER
  • 173 POSTS
I think this is only if you are sending the valves out to get refurbished correct? I am just removing the valves and putting them back in their same position as I take them off. All should be required is to just torque them and that’s it..
Feb 21, 2019 at 1:26 PM
Avatar
SCGRANTURISMO
  • CERTIFIED EXPERT
  • 4,897 POSTS
Hello again,

I believe you are correct.

Thanks,
Alex
2CarPros
Feb 21, 2019 at 3:05 PM