Instrumental cluster Intermittently not working properly

2008 FORD CROWN VICTORIA
160,000 MILES • 4.6L • V8 • 2WD • AUTOMATIC
Avatar
XPALPHA
  • MEMBER
  • 1 POST
My cluster turns off and on at random. nothing works not even the diming lights turn on. none of my gauges work, but at random times it turns on. I changed my cluster but did the same thing, then I check the wiring harness that connected to the cluster and check it with the circuit tester some were good, notices one was flickering when I moved the harness.
Point is, I have no idea where to follow it and where it's connect to or even where to buy the whole harness itself.
Dec 6, 2020 at 4:00 PM
Advertisement
Avatar
DANNY L
  • CERTIFIED EXPERT
  • 5,648 POSTS
Hello, I'm Danny.

Here is a tutorial for you to view on how to test wiring:

https://www.2carpros.com/articles/how-to-check-wiring

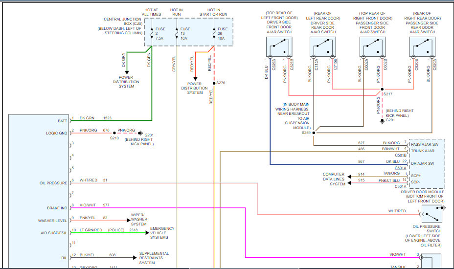
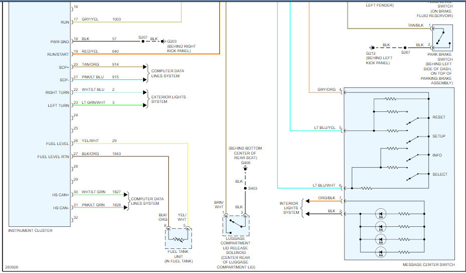
I've attached a wiring diagram for the instrument cluster below for your car for you. I've cut the picture into 3 pieces so you can view larger. Let us know what you find and keep us updated. Hope this helps and thanks for using 2CarPros.
Dec 6, 2020 at 5:18 PM