Instrument panel switches not working

2001 MERCEDES BENZ S600
175,000 MILES • 5.8L • V12 • 2WD • AUTOMATIC
Avatar
RAMZITH1
  • MEMBER
  • 70 POSTS
Instrument panel switches are not working at all of my car listed above w220 S600 v12 5.8L, recently replaced the defected brake stop light switch, any help please. Now the emergency flasher, ABC hyd, all not working.

Thanks,Ramzi
May 26, 2022 at 2:56 PM
Advertisement
Avatar
KASEKENNY
  • CERTIFIED EXPERT
  • 18,907 POSTS
I doubt the stop lamp switch is related but thanks for letting us know this.

I think we need to start with checking for codes.

https://www.2carpros.com/articles/checking-a-service-engine-soon-or-check-engine-light-on-or-flashing

If there are no codes, then we need to simply check the voltage going to the cluster and make sure we are getting power.

The fact that all the buttons are working points to an overall cluster issue, so we need to go down this path.

https://www.2carpros.com/articles/how-to-check-wiring

I am attaching the wiring diagrams below which will help with this.

May 27, 2022 at 3:04 PM
Avatar
RAMZITH1
  • MEMBER
  • 70 POSTS
Hi,

Thanks for the reply, actually there are no codes at all, I checked with star scanner for Mercedes but no result, everything is working fine the only issue is with the switches not working, please see the picture attached, also for information all fuses been checked nothing wrong and also i have changed the three SAMs still the issue is same.
Today i will replace the switches and see what happens.
May 27, 2022 at 10:40 PM
Advertisement
Avatar
KASEKENNY
  • CERTIFIED EXPERT
  • 18,907 POSTS
Okay. I understand. I didn't understand that this was the center switches.

Thanks for the update and let us know what happens after they are replaced.

Thanks
May 28, 2022 at 12:25 PM
Avatar
RAMZITH1
  • MEMBER
  • 70 POSTS
Hi, center switches replaced today but the issue unfortunately is still there, what else should i check? all suspected 3 SAMs, fuses, and the switches been checked and replaced, don't know!!??
May 29, 2022 at 12:05 AM
Avatar
KASEKENNY
  • CERTIFIED EXPERT
  • 18,907 POSTS
Okay. What I am concerned with at this point is we have a CAN bus issue which basically means we have a communication network issue. This CAN network is basically like a highway that the information travels back and forth on to share the info.

Here is a guide that will talk more about this:

https://www.2carpros.com/articles/can-scan-controller-area-network-easy

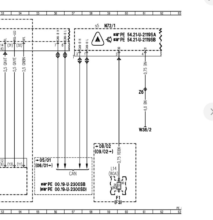
I am attaching a diagram on just the hazard switch as they do not have a diagram for the entire switch bank. However, we need to pull it out and check for power at in 3 and ground at pin 4.

https://www.2carpros.com/articles/how-to-check-wiring

If you have both of these then we need to turn the ignition on and check the power on both pins 1 and 2.

Let's start with this and see what we have, and we can go from there.

Thanks
May 29, 2022 at 7:18 AM
Avatar
RAMZITH1
  • MEMBER
  • 70 POSTS
Hello Kenny,

Well, thanks for the information given by you, appreciate it always.

Today afternoon I managed to replace the relays in left driver fuse box so I started with the black ones, I replaced the four of them as you can see in the picture and switched on the ignition but not the engine and checked the switches found all works as it should be, now everything is fine and works perfectly and I am happy now with this big dog.

I really appreciate your help and thank you very much.

Best regards,
RAMZI
May 29, 2022 at 9:48 AM
Avatar
KASEKENNY
  • CERTIFIED EXPERT
  • 18,907 POSTS
That is great news. Thank you for updating us. I am sure we would have gotten to that by checking the power but the fact that you were able to jump to it and solve this really saved some time.

Thanks for letting us know this. That will really help others in the future.
May 29, 2022 at 7:49 PM