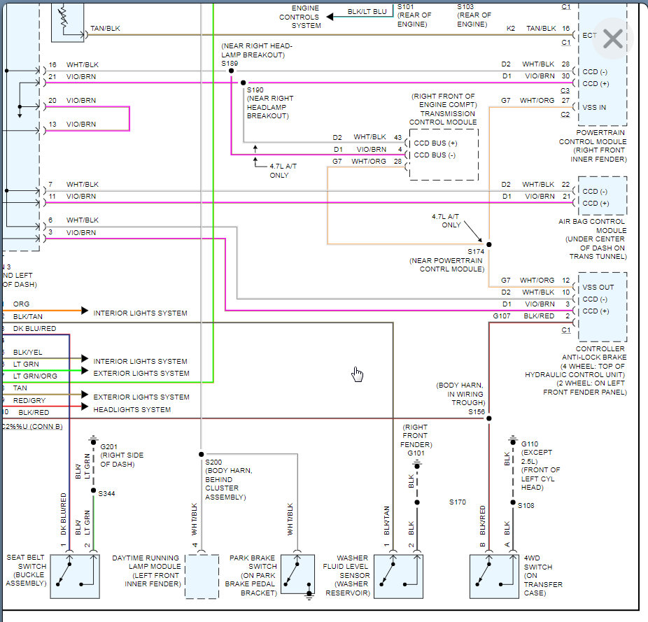
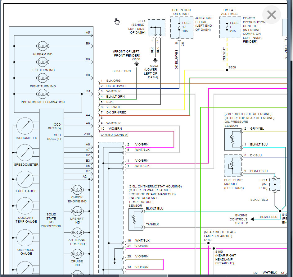
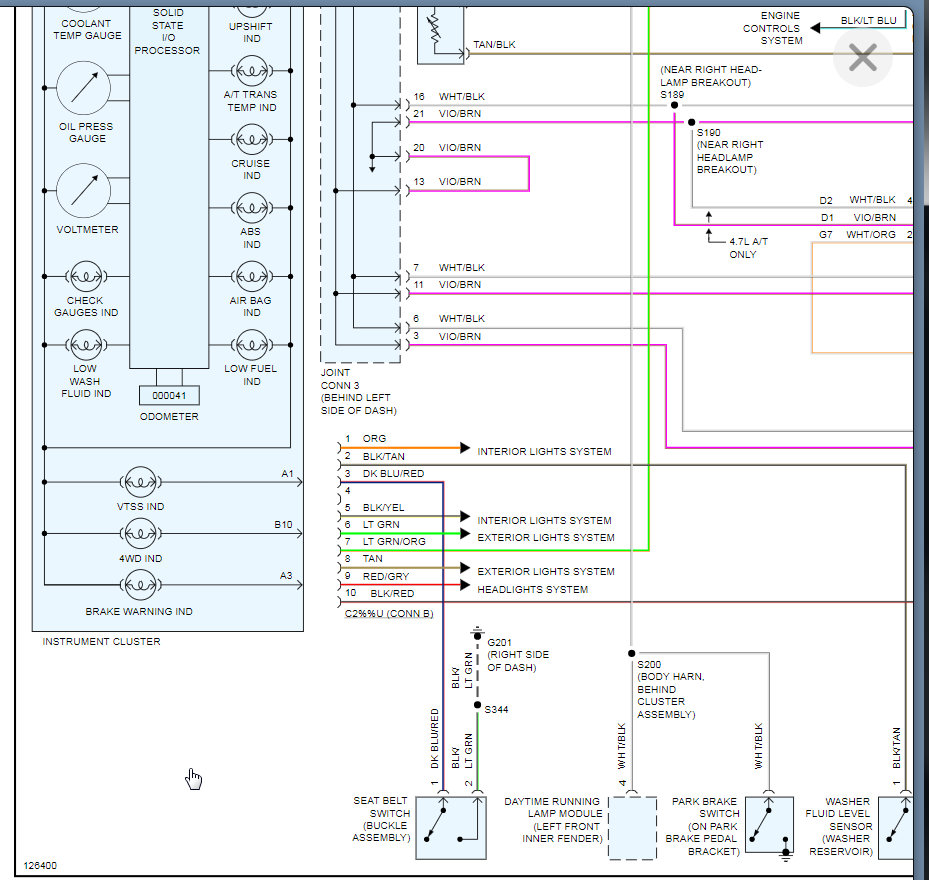
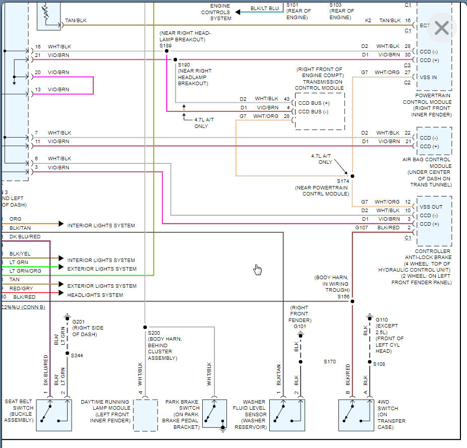
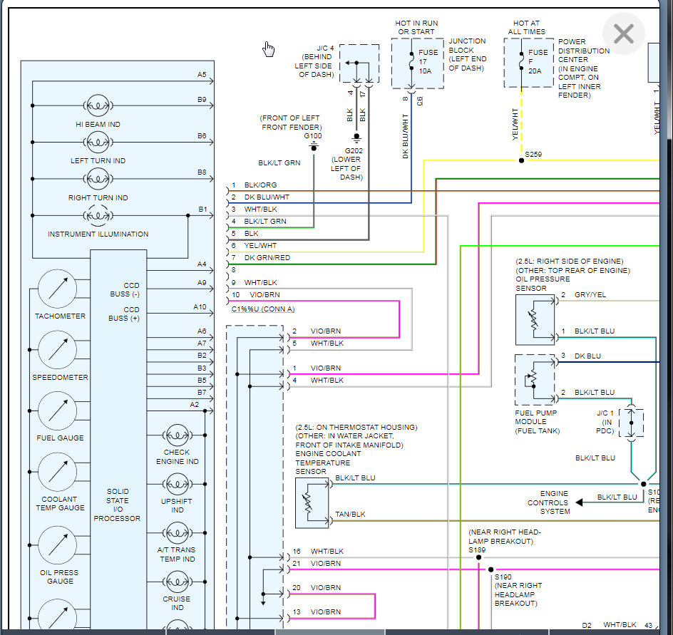
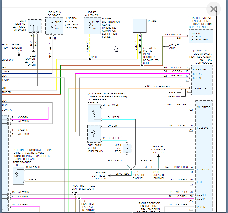
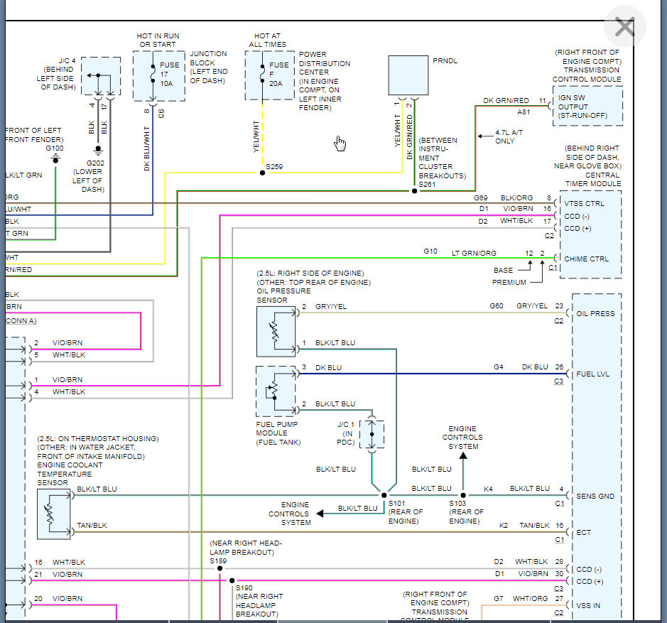
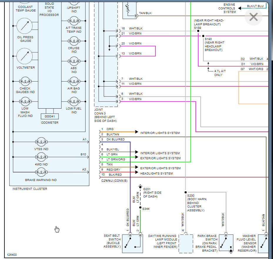
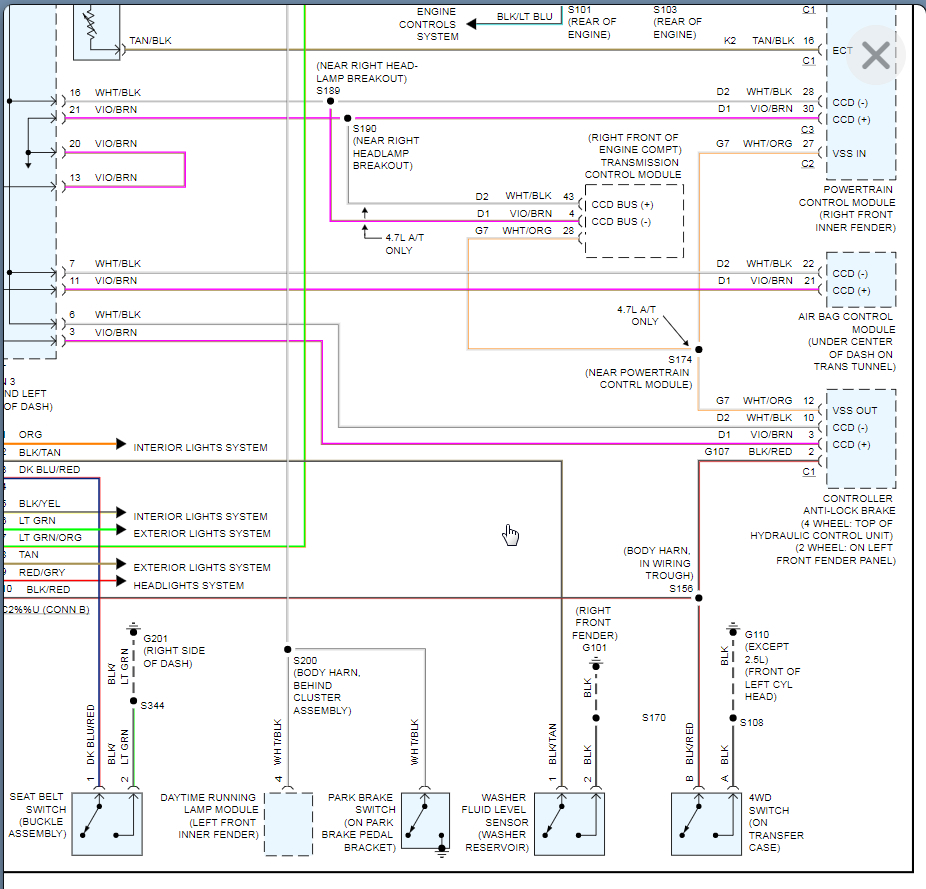
More than likely these are two separate issues. The cluster issue is probably the just the cluster. I attached the wiring diagram which shows the cluster takes direct input for the various sensors and the PCM to display these various gauges. If they all failed then the common denominator is the cluster or its ground. Check the G100 in the front left fender.
As for the surging, that may just be a transmission issue or excess fuel in the engine so we would need to dig into that separate. However, a failed cluster wouldn't cause a surge after the engine shuts off.
Let's look into the cluster first and then we can deal with the surging.
Images (Click to enlarge)
Jan 16, 2020 at 5:37 PM