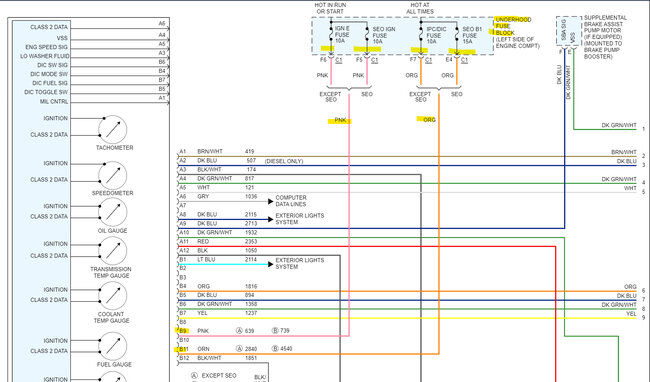
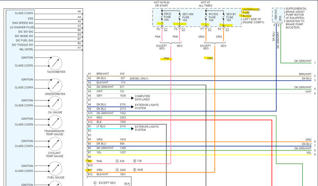
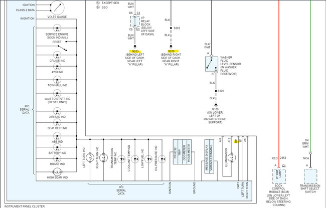
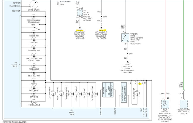
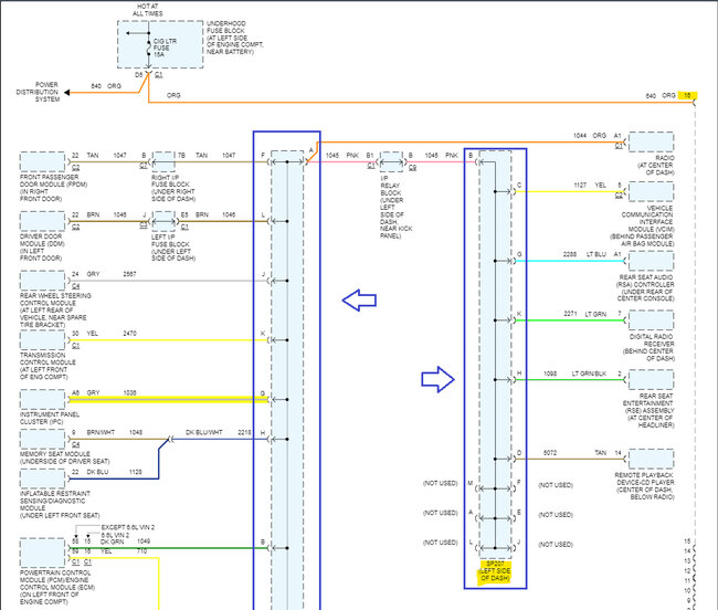
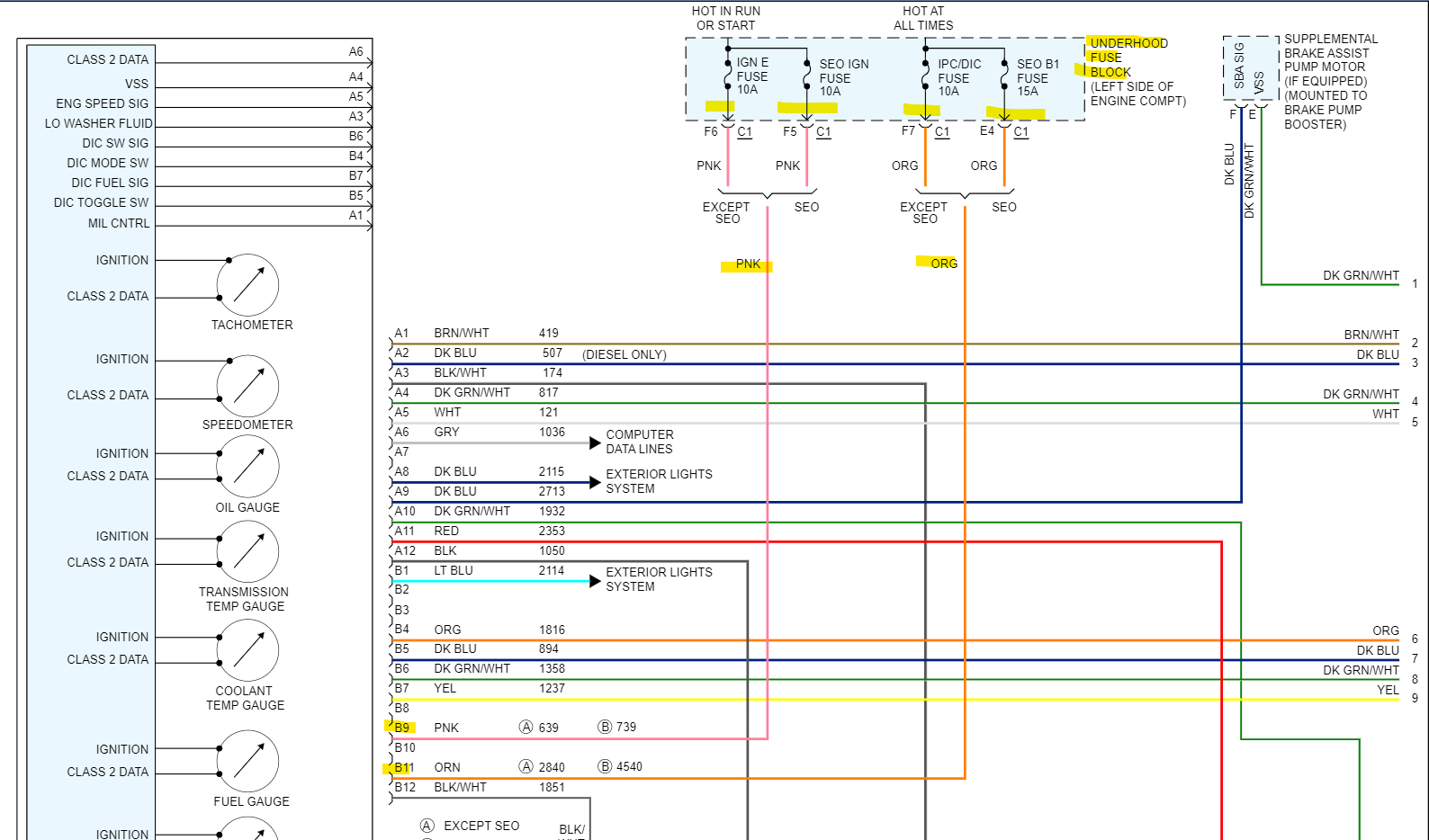
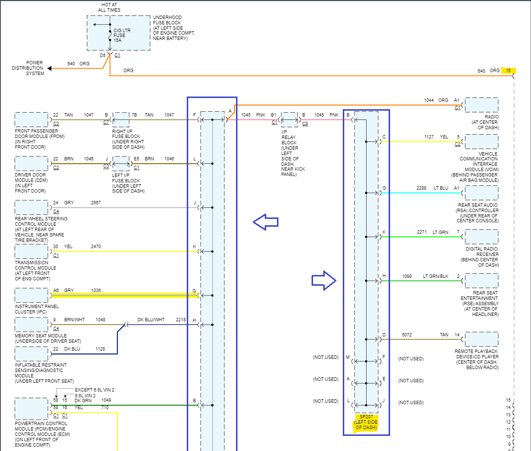
I went to start my truck after it sat idle for three weeks. Would not start and discovered a pine straw nest on the driver’s side up against the power distribution box on the firewall. Charged the battery and it started but no gauges or lights came on, on the dash except check engine light. My mechanic moved the power distribution box around a little and the dash light up and the gauges worked. The next day it still cranked but no dash lights except the check engine light and no gauges were working. (Before all of this happened, I had a dim PRNDL light. When the dash worked for one day after the mechanic the PRNDL display was totally black. I don’t know if this is important, just noticed the difference.) My mechanic wants to have the cluster rebuilt and I am okay with that, but it does seem to account for any problems attributable to the rodent. Could the rodent have caused a short that disabled the IPC? Is there a ground wire that could be loose? It seems wiggling the power distribution box indicates a wiring issue of power or ground. Fuses are all good. Thanks for any help.
Jul 16, 2023 at 12:51 PM







