Instrument panel cluster not working

2012 CHEVROLET SILVERADO
140,000 MILES • 6.8L • V8 • 4WD • AUTOMATIC
Avatar
LSTOLP
  • MEMBER
  • 1 POST
The instrument panel does not work at all. One little LED is on. Got a replacement. But it does the same thing. Trying to find out what color the ground wire is on the back or a wiring diagram for instrument panel cluster.

Truck listed above is a 3500hd.
Jan 27, 2022 at 11:18 AM
Advertisement
Avatar
AL514
  • CERTIFIED EXPERT
  • 5,465 POSTS
Hello, for 2012 the 4wd 3500 6.6Liter engine is the biggest model I see for that year. Turbo Diesel. Is that the make? They probably run the same Instrument Cluster power and grounds as the other Silverado's..
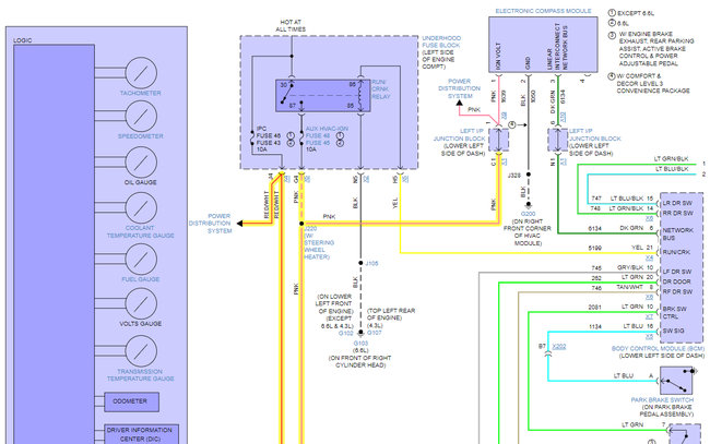
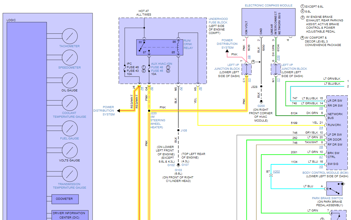
The 1st diagram is the Ground circuit black/white wire.
The 2nd and 3rd is the Power feed, which is just the top portion of the ground diagram.
If any other components are not functioning, the cluster on these is on a Splice pack for the Serial Bus Data wire, the HVAC control module and part of the Body Control module seem to be close to it on the Data Bus. But if you have power there and that's why you're looking for your ground. Then you've probably already found the issue. I don't see any other grounds for the cluster. If I find any more information, I will post it.
Also, check the Pin Fitment, sometimes the female end of the connector pins will loosen up and get hot, so any discoloration of the connector would indicate that's an issue. Or Pins just not making good contact.
There is a Technical Service Bulletin to check the wiring harness here where it has rubbed threw on the a/c line in the engine compartment, it can cause Instrument Cluster problems.
Jan 27, 2022 at 1:00 PM