Oil, temperature and speedometer gauges are not working

1994 GMC SIERRA
200,000 MILES • 5.7L • V8 • 4WD • AUTOMATIC
Avatar
TAL SHAHAR
  • MEMBER
  • 7 POSTS
Hey,

I have 3 gauges not working (oil, temp, speedo) and am afraid it related to the ground connection. Am looking under the hood for the cluster harness but have no clue where should I find the gnd cable. Will you guide to the gnd cable supposes to be connected to the engine?

Thanks
May 13, 2021 at 10:11 AM
Advertisement
Avatar
KASEKENNY
  • CERTIFIED EXPERT
  • 18,907 POSTS
It it unlikely to be a ground as both grounds for the cluster are shared behind the driver side dash but all gauges in the cluster and the lights use the same ground.

It is more likely to be an actual connection issue or a cluster itself.

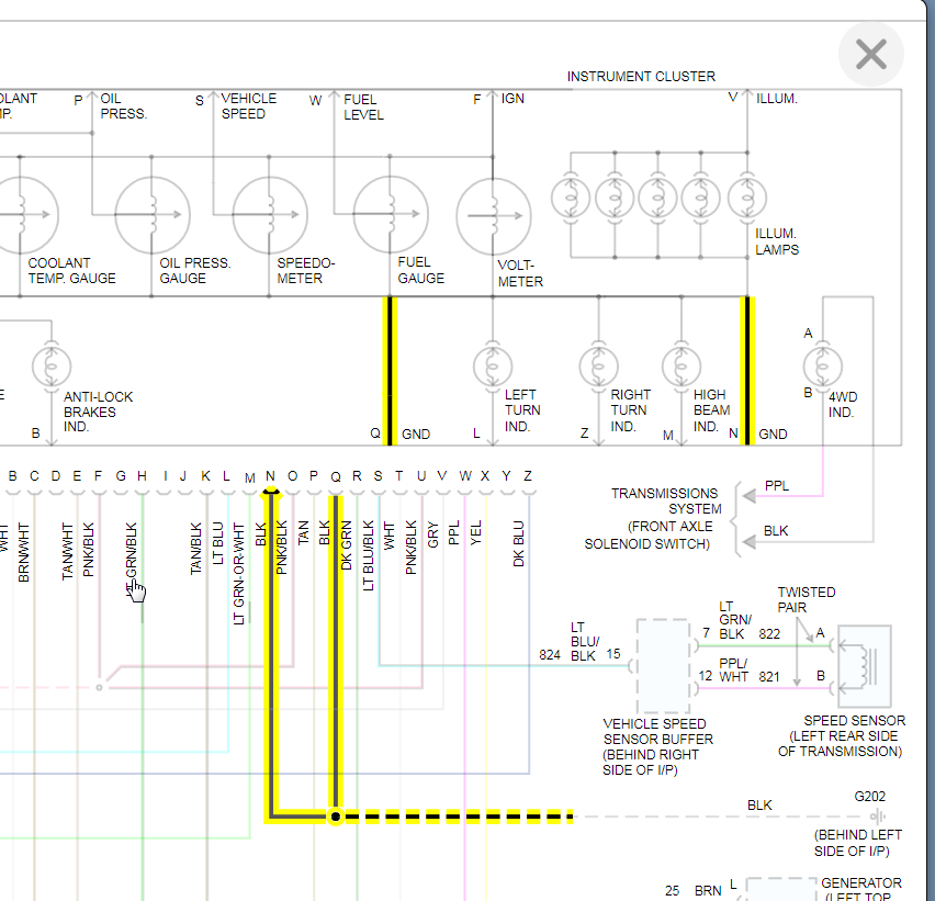
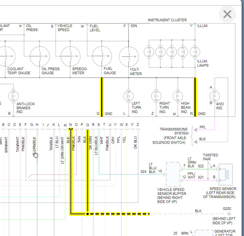
https://youtu.be/_HEC44xENxw

I would suggest checking the voltage on these wires going to the cluster for each sensor and make sure they are all working. Then I would check the connections of the cluster and if they are all okay, then it may just need a cluster.

https://www.2carpros.com/articles/how-to-check-wiring

Let us know if you have questions on this. Thanks
May 14, 2021 at 7:52 PM
Avatar
TAL SHAHAR
  • MEMBER
  • 7 POSTS
Thanks for you reply,

I have changed the entire cluster, all gauges are working correctly but the temperature one.

The 2 senders are new (the one beside the thermostat housing and the one on the engine block on the driver side). The senders connectors are also new.

The temperature gauge shows 40 (c) degree constantly, I can see small changes but it roughly on 40.

Am clueless currently, am afraid to drive it without temperature indication.

Thanks again, Tal
May 28, 2021 at 5:49 AM
Advertisement
Avatar
KASEKENNY
  • CERTIFIED EXPERT
  • 18,907 POSTS
Is this the same thing the temperature gauge has been doing the entire time? It started with 3 gauges but now just the temperature is not working but has the operation of it changed at all since all this started?

If not, and it has been the same thing the entire time then I would think you have a wiring issue. So we need to test the wiring from the sensor to the cluster.

https://www.2carpros.com/articles/how-to-check-wiring

I would disconnect the wiring from both the sensor and cluster and then ohm it out using a voltmeter. It should be less than a half ohm.

If it has changed then I suspect you have an issue with the new sensor that you installed.

Let us know if you have questions on this.
May 28, 2021 at 7:49 PM